PN: JSD6886
F2.2
HFOV 102°
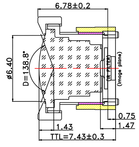
TTL 7.43mm
Thread M7
Distortion <18.7%
Image Sensor 1/9"
Description
This lens, model JSD6886, features a large F2.2 aperture, a 102° ultra-wide horizontal field of view (HFOV), and an ultra-short total length (TTL) of 7.43mm. It is designed specifically for ultra-compact embedded vision systems where size and cost are critical.The large F2.2 aperture provides excellent light gathering capability, resulting in brighter images even in low-light conditions (such as indoors or at night), thus improving low-light image quality. The 102° ultra-wide horizontal field of view allows it to cover a broad area, making it ideal for capturing large scenes or objects at very short working distances, such as for use in smart door lock peephole cameras, indoor panoramic surveillance, small robot navigation, or vehicle rear-view assist systems.
Specification
Model | JSD6886 |
Image sensor | 1/9" |
Image Circle | 2.4mm |
Resolution | vga |
Focal Length | 0.81mm |
Aperture | F2.2 |
Distortion | 0.4% |
FOV | DFOV 138° HFOV 102° VFOV 96° |
