Smart Home
Optical lenses are vital in Smart Home systems, erving as the core of devices like smart cameras and doorbells. They capture clear images and videos, enabling remote monitoring, facial recognition, and motion detection for a secure and convenient experience.
Applications of optical lenses in smart homes:
1. Smart Cameras: Used for indoor and outdoor surveillance, supporting remote viewing and recording.
2.Smart Doorbells: Provide visitor recognition and video call functions.
3. Security Systems: Detect abnormal activity and trigger alarms.
4. Baby Monitors: Real-time monitoring of the baby's condition, supporting night vision functionality.


Description
The JSD1120 is a distinctive ultra-wide-angle fixed-focus lens with a total track length (TTL) of just 10mm, making it highly compact and compatible with 1/5-inch image sensors. Its large F2.0 aperture ensures exceptional low-light performance, significantly enhancing image brightness and detail capture in dim environments. With an extensive horizontal field of view (HFOV) of 135°, it covers remarkably broad scenes, though this results in noticeable barrel distortion (Distortion < -17.58%), a common characteristic in lenses of such wide angles that can typically be effectively corrected through post-processing software algorithms. The lens features an M7 threaded interface for easy installation and integration
Application
Security & Surveillance: e.g., panoramic surveillance cameras, compact fisheye lenses, which can cover large areas with a single lens
Smart Home Devices: e.g., ultra-wide-angle smart doorbells, household panoramic cameras
Mobile Device Accessories: External expansion lenses designed for smartphones or tablets
IoT (Internet of Things) Devices: e.g., environmental sensing lenses on wearable devices
Special Equipment: e.g., automotive electronics, drone auxiliary vision, and other applications requiring ultra-wide fields of view
Specification
Model | JSD1120 |
Image sensor | 1/5" |
Image Circle | 3.7mm |
Resolution | 2MP |
Focal Length | 1.10mm |
Aperture | F2.0 |
Distortion | <-17.58% |
FOV | DFOV 164° HFOV 135° VFOV 104° |


Product Overview
This ultra-wide M12 mount fisheye lens is expertly engineered for 1/4-inch sensors, delivering immersive panoramic imaging for advanced visual applications. With an extremely short 0.94mm focal length and a bright F2.0 aperture, it provides a massive 195° field of view, making it the perfect solution for 360° surveillance, virtual reality (VR) capture, and automotive safety systems. Featuring 2MP resolution and a compact form factor, this lens ensures comprehensive area coverage with a single camera, significantly reducing the number of devices needed for blind-spot monitoring.
Key Features & Benefits
Extreme 195° Ultra-Wide FOV:Offers a Super-Wide hemispherical field of view that exceeds standard limits, allowing for complete panoramic scene capture and elimination of blind spots.
High-Definition 2MP Resolution:Delivers sharp and clear video quality suitable for security monitoring, video doorbells, and situational awareness systems.
Bright F2.0 Aperture:Ensures excellent light intake, providing clear visibility in varying lighting environments, from indoor spaces to outdoor night monitoring.
Optimized Sensor Match:Designed specifically for 1/4" image sensors to maximize the image circle usage without dark corners in the active area.
Controlled Optical Distortion:With distortion controlled at <-14.9%, this lens is optimized for use with de-warping software and wide-angle algorithms to produce usable panoramic imagery.
Compact & Durable Architecture:Features a standard M12*P0.5 thread and a Total Track Length (TTL) of 13.96mm, allowing for easy integration into compact housings and discreet security devices.
Applications
360° Panoramic Surveillance
Virtual Reality (VR) & AR Content Creation
Automotive Surround View & Reversing Cameras
Smart Video Doorbells
Robotics & Obstacle Avoidance
Sports Action Cameras
Pipe & Pipeline Inspection
Specification
Parameter | Specification |
PN | JSD1921 |
Mount Type | M12 (S-Mount) * P0.5 |
Focal Length | 0.94mm |
Aperture | F2.0 |
Field of View (FOV) | 195° (Diagonal, for 1/4" Sensor) |
Resolution | True 2MP |
Compatible Sensor | 1/4" |
Image Circle | Φ3.7mm |
TTL (Total Track Length) | 13.96mm |
Back Focal Length | Contact for details |
Why Choose JSD Optoelectronics?
Shenzhen JSD Optoelectronics is a leading manufacturer of custom optical lenses, specializing in high-precision solutions since 2009. We offer:
1).ISO 9001 & IATF 16949 Certified Quality
2).Rapid Prototyping (15-day custom sample turnaround)
3).End-to-End Support from design to mass production
4).300+ Standard Designs for immediate sampling
drawing


Description
The industrial lens model JSD8016 is a high-performance ultra-wide-angle fixed-focus lens. Its core feature is an exceptionally wide 200° horizontal field of view (HFOV), providing extensive coverage that is highly suitable for achieving panoramic monitoring or covering large areas within confined spaces. It employs an F2.0 large aperture design, ensuring good light intake and contributing to enhanced image brightness even in low-light environments. The lens has an effective focal length (EFL) of 1.43mm, classifying it as an ultra-short focal length lens. With a compact design, the total track length (TTL) is controlled at 14.5mm, and it features a universal M12 interface for easy integration and installation. It is specifically designed for 1/3-inch image sensors. As a lens with an extremely wide field of view, its distortion is maintained within an acceptable range (<22%), typically manifested as barrel distortion, which can be effectively corrected using algorithms in practical applications
Application
Smart IoT and Consumer Electronics: Its compact size and M8 interface make it an ideal choice for devices such as smart home doorbells, video conference cameras, and smart robotic vacuum cleaners, enabling a wide-angle field of view within a small form factor
Industrial Machine Vision and Inspection: On production lines, it can be used for overview inspection, presence detection, or process monitoring of products, such as checking overall placement, identifying barcodes/QR codes, or measuring components where extremely high dimensional accuracy is not required
Security Monitoring: Its wide field of view is suitable for indoor scenarios requiring coverage of large areas, such as offices, small retail shops, and warehouses. A single device can achieve large-scale surveillance
Intelligent Transportation Systems (ITS): It can be used for applications like traffic flow monitoring and parking space detection. Its wide-angle characteristics allow for greater area coverage in these scenarios
Specification
Model | JSD8016 |
Image sensor | 1/3" |
Image Circle | 3.6mm |
Resolution | 5MP |
Focal Length | 1.43mm |
Aperture | F2.0 |
Distortion | <-22% |
FOV | DFOV 200° HFOV 200° VFOV 143° |


Description
our latest 8MP fisheye lens is designed for the IMX577 sensor. With an impressive 185 degree field of view and a fast F1.8 aperture, this lens is perfect for capturing high-quality surveillance footage with exceptional clarity and detail.
Application
l Sport Camera
l Robotic vision
l Surveillance camera
Specification
|
|
| |
Model | JSD1918 | |
Image sensor | 1/2.3”IMX577 | |
Image Circle | 6.8mm | |
Resolution | 12MP | |
Focal Length | 1.9mm | |
Aperture | F/1.8 | |
TTL | 9.84mm | |
FOV | DFOV 195 HFOV 195 VFOV 158 | |
CRA | 12.9% | |
Mount | M12 | |

M8 Fisheye Lens, 1.39mm Focal Length, 5MP M8 Lens, 1/4 inch Sensor Lens, 166 Degree Wide Angle, Miniature Camera Lens, VR/AR Lens, IoT Lens
Product Overview
This ultra-compact M8 mount fixed focal lens (PN: JSD5501) is precision-engineered for 1/4-inch image sensors, delivering high-definition performance in a miniature form factor. With a short 1.39mm focal length and F2.4 aperture, it provides an immersive, ultra-wide 166° field of view, making it an excellent choice for panoramic surveillance, VR/AR applications, and consumer electronics. Featuring 5MP resolution, this lens ensures sharp, clear imaging, while its incredibly short TTL (Total Track Length) of 9.5mm allows for seamless integration into the most space-constrained devices.
Key Features & Benefits
High-Definition 5MP Resolution: Delivers sharp 5MP imaging capability, ensuring excellent detail retention for compact camera modules and embedded vision systems.
Ultra-Wide 166° FOV: Offers a massive 166° field of view (Fisheye), enabling panoramic scene capture and situational awareness with a single lens, ideal for maximizing coverage in small spaces.
Compact M8 Mount Design:Featuring a standard M8 thread and an ultra-short TTL of 9.5mm, this lens is designed for lightweight, portable, and wearable devices where every millimeter counts.
Optimized for 1/4" Sensors: Specifically calculated for the 1/4" image circle, ensuring complete sensor coverage and optimal light transmission without dark corners.
Immersive Perspective: With a distortion profile of <-26.4%, this lens provides a wide, fisheye-style perspective that captures the periphery, essential for environmental monitoring and immersive video experiences.
Balanced Optical Performance: The F2.4 aperture provides a good balance between light intake and depth of field, suitable for various indoor and outdoor lighting environments.
Robust Miniature Build:Built to withstand the demands of industrial and consumer integration while maintaining a lightweight profile.
Applications
Smart Video Doorbells & Intercoms
VR/AR & Head-Mounted Displays
FPV Drones & Aerial Imaging
Automotive Dashcams & In-Cabin Monitoring
Robotics & Obstacle Avoidance
Wearable Cameras (Body Cams)
Miniature Surveillance & IoT Devices
Specification
Parameter | Specification |
PN | JSD5501 |
Mount Type | M8 (S-Mount) * P0.5 |
Focal Length | 1.39mm |
Aperture | F2.4 |
Field of View (FOV) | 166° (Diagonal, for 1/4" Sensor) |
Resolution | True 5MP |
Compatible Sensor | 1/4"(e.g.OV5640) |
Image Circle | Φ4.8mm |
TTL (Total Track Length) | 9.5mm |
Back Focal Length | Contact for details |
Why Choose JSD Optoelectronics?
Shenzhen JSD Optoelectronics is a leading manufacturer of custom optical lenses, specializing in high-precision solutions since 2009. We offer:
1).ISO 9001 & IATF 16949 Certified Quality
2).Rapid Prototyping (15-day custom sample turnaround)
3).End-to-End Support from design to mass production
4).300+ Standard Designs for immediate sampling
drawing


Product Overview
This ultra-miniature M7 mount fixed focal lens (PN: JSD4012) is expertly engineered for compact 1/4-inch image sensors, delivering reliable clarity in an incredibly small form factor. With a short 1.05mm focal length and F2.4 aperture, it provides an immersive, ultra-wide 145° field of view, making it ideal for applications requiring maximum coverage from a microscopic footprint. Featuring 2MP resolution and an ultra-short TTL of 8.69mm, this lens is perfect for integrating into lightweight, space-constrained devices such as wearables, medical equipment, and IoT sensors.
Key Features & Benefits
Reliable 2MP Resolution: Delivers clear High-Definition (HD) imaging, ensuring sufficient detail for monitoring, inspection, and video streaming applications on compact sensors.
Ultra-Wide 145° FOV: Provides an expansive 145° field of view, allowing for panoramic scene capture and broad situational awareness, significantly reducing blind spots in close-range monitoring.
Optimized for 1/4" Sensors:Engineered specifically to match the optical requirements of 1/4" sensors, eliminating vignetting and ensuring the sensor area is fully utilized for optimal image quality.
Miniature M7 Design:Featuring a standard M7 thread and a microscopicTTL (Total Track Length) of just 8.69mm, this lens allows for the creation of ultra-thin and lightweight camera modules.
Immersive Wide Perspective:With a distortion profile of <-30.55%, this lens utilizes a fisheye-style projection to capture a vast area, making it ideal for environmental monitoring and immersive viewing experiences.
Precise Focal Adjustment:The threaded M7 mount allows for fine manual tuning of the back focal length during assembly to ensure perfect sharpness for specific object distances.
Compact & Robust Build:Designed to withstand the rigors of portable and industrial use while maintaining the smallest possible physical profile.
Applications
Medical Endoscopes & Borescopes
Wearable Cameras (Body Cams, Smart Glasses)
Miniature IoT & Smart Home Devices
Pipe & Industrial Inspection
Compact Biometric Scanners
Miniature Drones (FPV)
Hidden/Covert Surveillance Systems
Specification
Parameter | Specification |
PN | JSD4012 |
Mount Type | M7 (S-Mount) * P0.35 |
Focal Length | 1.05mm |
Aperture | F2.4 |
Field of View (FOV) | 145° (Diagonal, for 1/4" Sensor) |
Resolution | True 2MP |
Compatible Sensor | 1/4" |
Image Circle | Φ4.8mm |
TTL (Total Track Length) | 8.69mm |
Back Focal Length | Contact for details |
Why Choose JSD Optoelectronics?
Shenzhen JSD Optoelectronics is a leading manufacturer of custom optical lenses, specializing in high-precision solutions since 2009. We offer:
1).ISO 9001 & IATF 16949 Certified Quality
2).Rapid Prototyping (15-day custom sample turnaround)
3).End-to-End Support from design to mass production
4).300+ Standard Designs for immediate sampling
drawing


| Model | JSD2922 |
| Sensor | 1/2.8" IMX335 |
| Aperture | F2.2 |
| FOV | HFOV 110 degree |
| Focal length | 2.9mm |
| Mount | M8*0.35 |
| Reosolution | 5MP |
| TTL | 14mm |
| Diameter | 10mm |
| Structure | 6G |

Description
The JSD3023 has HFOV 126 degree on 1/2.7” sensor, 6.7mm support up to 1/3” image sensor.
Low F# F1.8 enable this lens achieve good performance in low light situation, all glass and aluminium exterior make thermal stability
Application
l DVR
l Mobile Robotics
l Security & Surveillance
Specification
|
| |
Model | JSD3023 | |
Image sensor | 1/2.7” | |
Image Circle | 6.7mm | |
Resolution | 5MP | |
Focal Length | 2.9mm | |
Aperture | F1.8 | |
TTL | 16.2mm | |
FOV | DFOV 154° HFOV 126° VFOV 64° | |
Mount | M12 | |


Description
The JSD3135 has image circle 7.2mm support up to 1/3’ sensor, HFOV on 1/2.8” sensor all glass and aluminium exterior make thermal stability
Application
l DVR
l Mobile Robotics
l Security & Surveillance
Specification
|
| |
Model | JSD3135 | |
Image sensor | 1/2.8” | |
Image Circle | 7.2mm | |
Resolution | 5MP | |
Focal Length | 3mm | |
Aperture | F2.2 | |
TTL | 16.71mm | |
FOV | DFOV 138° HFOV 114° VFOV 60° | |
Mount | M12 | |


Description
The JSD2420 is an ultra-wide-angle fixed-focus lens with a compact structure and a total track length (TTL) of 15.4 mm. It features a large F2.0 aperture, delivering excellent low-light imaging capability to ensure bright and clear image capture even in dim environments. With an expansive horizontal field of view (HFOV) of 134°, it covers extremely wide scenes. However, this design results in noticeable barrel distortion (Distortion < -22%), which is common in ultra-wide-angle lenses and requires correction via software algorithms. The lens is compatible with 1/2.8-inch image sensors and supports both M18 and M12 threaded interfaces, offering flexible installation options
Application
Security & Surveillance: Used in elevators, warehouses, lobbies, and other scenarios requiring single-lens ultra-wide-area coverage, as well as panoramic cameras.
Smart Home & IoT Devices: e.g., ultra-wide-angle smart doorbells, household panoramic cameras.
Automotive Imaging Systems: Serving as dash cams or blind spot monitoring cameras, providing a broad field of view.
Industrial Inspection & Machine Vision: Suitable for inspection scenarios demanding a wide field of view.
Special Equipment & Consumer Electronics: Such as mobile device external lenses requiring ultra-wide perspectives
Specification
Model | JSD2410 |
Image sensor | 1/2.8" |
Image Circle | 6.7mm |
Resolution | 8MP |
Focal Length | 2.4mm |
Aperture | F2.0 |
Distortion | <22% |
FOV | DFOV 160° HFOV 134° VFOV 74° |


Description
The JSD7524 is a medium-focal-length fixed-focus lens with a compact structure and a total track length (TTL) of 19.82 mm, compatible with 1/2.7-inch and 1/2.8-inch image sensors. It offers a horizontal field of view (HFOV) of 41°, which provides a relatively narrow perspective, making it more suitable for observing local details at medium to long distances. The lens exhibits excellent distortion control (Dis: 0.78% / < -0.67%), ensuring exceptional geometric fidelity in images and accurate reproduction of the subject's shape. This makes it highly suitable for scenarios requiring precise measurement. Equipped with a standard M12 threaded interface, it offers strong compatibility and facilitates easy installation and integration with various industrial cameras.
Application
Industrial Inspection and Machine Vision: Used for dimensional measurement of precision parts, surface defect inspection, positioning, and other links with extremely high requirements for image authenticity.
Security and Surveillance: Suitable for monitoring long and narrow areas such as corridors and exits, or for medium- to long-distance license plate and facial recognition (with corresponding focal lengths).
Intelligent Transportation Systems (ITS): Integrated into road surveillance systems to capture details such as lane conditions and vehicle characteristics.
Document Scanning and High-Precision Imaging: Used in scanners or other equipment requiring low distortion and high fidelity.
Specification
Model | JSD7524 |
Image sensor | 1/2.7" 1/2.8" |
Image Circle | 6.8mm |
Resolution | 5MP |
Focal Length | 7.5mm |
Aperture | F2.4 |
Distortion | <0.78% <0.67% |
FOV | DFOV 48° HFOV 42° VFOV 24° |


Description
The JSD2112 is a high-performance ultra-wide-angle fixed-focus lens with a compact structure and a total track length (TTL) of 17.41 mm. It features an exceptionally large F1.2 aperture, delivering outstanding low-light imaging capability to ensure bright and clear image capture even in dimly lit environments, along with excellent background blur (bokeh) effects. The lens offers two horizontal field of view (HFOV) options—150° and 144.8°—enabling coverage of extremely wide scenes. This design is characteristic of fisheye or ultra-wide-angle lenses, which typically exhibit noticeable barrel distortion that can be corrected through post-processing software algorithms
. It is compatible with both 1/2.7-inch and 1/2.8-inch image sensors.
Application
Security & Surveillance: Used in elevators, warehouses, lobbies, and other scenarios requiring single-lens large-area coverage, as well as panoramic cameras.
Smart Home & IoT Devices: e.g., ultra-wide-angle smart doorbells, household panoramic cameras.
Automotive Imaging Systems: Serving as dash cams or blind spot monitoring cameras, providing a broad field of view.
Industrial Inspection & Machine Vision: Suitable for inspection scenarios requiring a wide field of view.
Special Equipment & Consumer Electronics: Such as drone-assisted vision, action cameras, and mobile device external lenses requiring ultra-wide perspectives.
Specification
Model | JSD2112 |
Image sensor | 1/2.7" 1/2.8" |
Image Circle | / |
Resolution | 5MP |
Focal Length | 2.16mm |
Aperture | F1.2 |
Distortion | <-3.17% |
FOV | DFOV 181° HFOV 150° VFOV 84° DFOV 172° HFOV 144° VFOV 82° |

Description
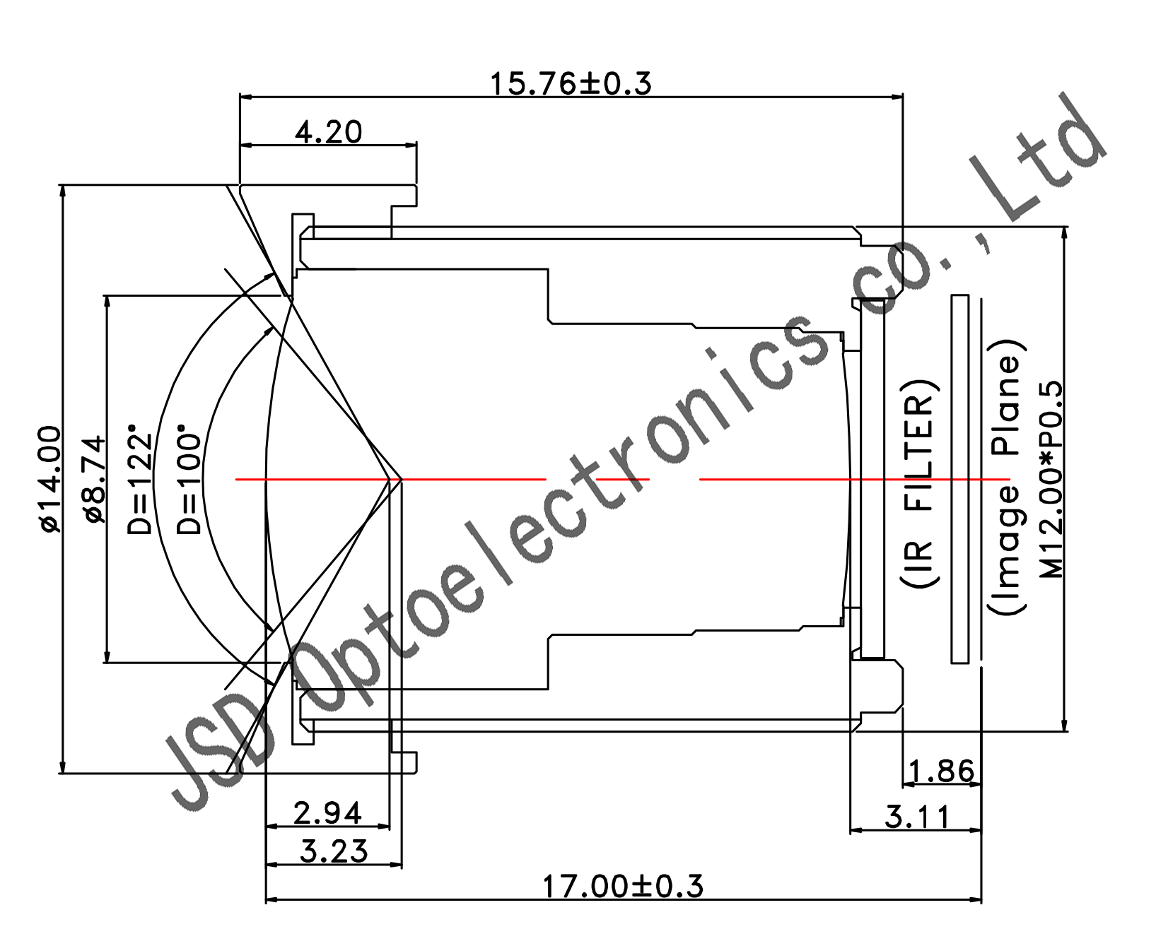
The industrial lens model JSD2120 is a wide-angle fixed-focus lens. Its core feature is a large 122.2° horizontal field of view (HFOV), which provides broad coverage and makes it highly suitable for monitoring large areas within confined spaces. It employs an F2.0 large aperture design, ensuring good light intake and image brightness even in low-light environments. The lens has an effective focal length (EFL) of 1.88mm and utilizes a hybrid optical structure comprising 2 glass elements and 4 plastic elements (2G4P). This design helps achieve the required optical performance while maintaining cost control. As a wide-angle lens, its distortion is kept within a reasonable range (<-11.02%), typically manifested as barrel distortion, which can be effectively corrected using algorithms in practical applications. This lens is primarily aimed at embedded vision applications that require a large field of view and are cost-sensitive.
Application
Security Monitoring: Its wide field of view is particularly suitable for indoor scenarios requiring coverage of large areas, such as offices, warehouses, and retail stores. A single device can achieve extensive surveillance.Industrial Inspection: On production lines, it can be used for the overview inspection of large-sized products or components, performing tasks such as appearance overview, presence detection, or process monitoring—for example, checking the overall placement or general distribution of products
Smart Terminal and IoT Devices: The compact optical design and wide viewing angle make it an ideal choice for devices like smart home doorbells and video conference cameras, enabling an extremely wide shooting angle within a small form factor
Specification
Model | JSD2120 |
Image sensor | 1/2.9" |
Image Circle | 6.3mm |
Resolution | 5MP |
Focal Length | 1.88mm |
Aperture | F2.0 |
Distortion | <-11.02% |
FOV | DFOV 136° HFOV 122.2° VFOV 78.6° |


Description
The JSD1535 is an ultra-wide-angle fixed-focus lens with a focal length of approximately 1.69mm and a large F2.5 aperture, ensuring excellent light transmission in low-light environments and maintaining optimal image brightness. It features a wide horizontal field of view (HFOV) ranging from 126° to 116°, enabling the capture of exceptionally broad scenes. With an optical total length (TTL) of merely 11.52mm, the lens boasts an extremely compact design and incorporates a standard M12 interface for easy integration and installation. It supports a 1/2.9-inch image sensor and controls optical distortion within -23.95%, a common characteristic for ultra-wide-angle lenses, making it suitable for applications where a wide field of view takes precedence over absolute precision
Application
Security and Surveillance (e.g., Panoramic Fisheye Monitoring)
Automotive 360° Surround-View System
Aerial Photography (Drone Photography)
Visual Capture Module for Immersive Experience Devices
Specification
Model | JSD1535 |
Image sensor | 1/2.7”1/2.9" |
Image Circle | 6.7mm |
Resolution | 2MP |
Focal Length | 2.8mm |
Aperture | F2.5 |
Distortion | -31.6% -23.95% |
FOV | DFOV 160° HFOV 126° VFOV 67° |

Description
The 2.3mm wide angle lens is designed for automotive application, with HFOV 140 degree on 1/2.7” image sensor. All glass and metal exterior make it support operating temperature from -20℃ to 85℃. Also suitable for IMX335 sensor
Application
l Sports & Action Camera
l ADAS
l Car DVR
Specification
|
| |
Model | JSD2157 | |
Image sensor | 1/2.7” | |
Image Circle | 6.7mm | |
Resolution | 5MP | |
Focal Length | 2.35mm | |
Aperture | F2.0 | |
TTL | 22mm | |
FOV | DFOV 168° HFOV 140° VFOV80° | |
IR cut | 650nm,850nm ir filter available | |


Description
The JSD1526 is an ultra-compact wide-angle fixed-focus lens with a total track length (TTL) of only 11.4 mm, making it compatible with 1/2.7-inch image sensors. It features a large F2.7 aperture, delivering solid low-light imaging capability to ensure sufficiently bright image capture even in dim environments. With a horizontal field of view (HFOV) of 125°, it covers extensive scenes, though noticeable barrel distortion (Distortion < -14%)—common in wide-angle designs—requires correction via software algorithms. The lens is equipped with a standard M12 threaded interface for easy installation and integration.
Application
Smart Home Devices: e.g., wide-angle smart doorbells, and visual navigation systems for robotic vacuum cleaners.
Drones and Robotics: Visual modules for obstacle avoidance, navigation, and environmental perception.
Security and Surveillance: As components for compact panoramic monitoring or fisheye lenses
Industrial Inspection: Suitable for machine vision positioning scenarios requiring a wide field of view
Specification
Model | JSD1526 |
Image sensor | 1/2.7" |
Image Circle | 6.7mm |
Resolution | 2MP |
Focal Length | 2.6mm |
Aperture | F2.7 |
Distortion | <-14% |
FOV | DFOV 160° HFOV 125° VFOV 67° |


Description
The JSD1525 is a 2.8mm M8 wide angle lens designed for security IP camera, small size TTL is 11.4mm. Has HFOV 124° on 1/2.7” sensor, M8 and M12 thread available.
Application
l Car rearview
l Video doorbell
l Indoor Wi-Fi Cameras
Specification
|
| |
Model | JS1525 | |
Image sensor | 1/2.7” | |
Image Circle | 6.7mm | |
Resolution | 3MP | |
Focal Length | 2.8mm | |
Aperture | F2.6 | |
TTL | 11.4mm | |
FOV | DFOV 156° HFOV 124° VFOV 67° | |
Mount | M8 and M12 option | |


Description
The JSD6068 is a image circle 6.7mm wide angle lens for automotive, all glass and metal exterior can support operating temperature from -20℃ to 80℃.
Specification
|
| |
Model | JSD6068 | |
Image sensor | 1/2.7” | |
Image Circle | 6.7mm | |
Resolution | 3MP | |
Focal Length | 3.13mm | |
Aperture | F2.6 | |
TTL | 20.68mm | |
FOV | DFOV 147° HFOV 120° VFOV 63° | |
IR cut | 650nm | |


Description
The 140° wide angle lens is designed for automotive, image circle 7.1mm support up to 1/3” sensor as well. All glass and metal exterior make it support operating temperature from -20℃ to 85℃
Application
l Sports & Action Camera
l ADAS
l Car DVR
l Robotics
l Computer vision
Specification
|
| |
Model | JSD6069 | |
Image sensor | 1/2.7” | |
Image Circle | 7.1mm | |
Resolution | 3MP | |
Focal Length | 3.05mm | |
Aperture | F2.4 | |
TTL | 17.75mm | |
FOV | DFOV 140° HFOV 116 VFOV 60° | |
IR cut | 650nm available | |

Description
The JSD3021 is a high-performance ultra-wide-angle fixed-focus lens with a compact structure and a total track length (TTL) of 15.21 mm. It features a large F2.0 aperture, delivering excellent low-light imaging capability to ensure bright and clear image capture even in dim environments. The lens offers two horizontal field of view (HFOV) options—120° and 104°—enabling extensive scene coverage. However, as commonly seen in ultra-wide-angle designs, it exhibits noticeable barrel distortion (Distortion < -19.36% / < -14.48%), which can be corrected via software algorithms. It is compatible with both 1/2.7-inch and 1/2.8-inch image sensors and is equipped with a standard M12 threaded interface for easy installation and integration
Application
Security & Surveillance: Used in elevators, warehouses, lobbies, and other scenarios requiring single-lens large-area coverage, as well as panoramic cameras
Smart Home & IoT Devices: e.g., ultra-wide-angle smart doorbells, household panoramic cameras
Automotive Imaging Systems: Serving as dash cams or blind spot monitoring cameras, providing a broad field of view
Industrial Inspection & Machine Vision: Suitable for inspection scenarios demanding a wide field of view
Consumer Electronics: Integrated into mobile devices or external lenses requiring visual functionality.
Specification
Model | JSD3021 |
Image sensor | 1/2.7" 1/2.8" |
Image Circle | 6.6mm |
Resolution | 5MP |
Focal Length | 2.9mm |
Aperture | F2.0 |
Distortion | <-19.36% <-14.48% |
FOV | DFOV 146° HFOV 120° VFOV 64° DFOV 123° HFOV 104° VFOV 56° |


Description
The JSD6630 is a high-performance ultra-wide-angle fixed-focus lens with an optical total length (TTL) of 22.73 mm, compatible with both 1/2.55-inch and 1/2.8-inch image sensors. It features a large F2.6 aperture, delivering excellent low-light imaging capability to ensure bright and clear image capture even in dim environments. The lens offers two horizontal field of view (HFOV) options: 125° and 110°, enabling coverage of expansive scenes. However, as commonly seen in ultra-wide-angle designs, it exhibits noticeable distortion (Distortion < -17% / < -13.6%), which can be effectively corrected via software algorithms.
Application
Security & Surveillance: Used for panoramic monitoring, and scenarios requiring large-area coverage such as elevators and lobbies
Smart Home & IoT Devices: e.g., wide-angle smart doorbells, household panoramic cameras, and visual modules for various smart hardware
Industrial Inspection & Machine Vision: Suitable for inspection scenarios demanding a wide field of view
Automotive Imaging Systems: Served as dash cams or blind spot monitoring probes
Mobile Devices & Drones: Integrated into space-constrained consumer electronics or aerial photography equipment requiring wide-angle capabilities
Specification
Model | JSD6630 |
Image sensor | 1/2.55" 1/2.8" |
Image Circle | 7.2mm |
Resolution | 12MP |
Focal Length | 2.76mm |
Aperture | F2.6 |
Distortion | <-17% <-13.6% |
FOV | DFOV 165° HFOV 125° VFOV 92° |


Product Overview
This high-performance M12 mount fixed focal lens is expertly engineered for 1/1.8-inch sensors, delivering exceptional clarity and zero distortion for precision imaging applications. With an 8mm focal length and F2.8 aperture, it provides a balanced 58° field of view, making it ideal for medium-range surveillance, targeted machine vision tasks, and focused scene capture. Featuring True 8MP resolution and manual focus for precise imaging control, this lens ensures superior image sharpness and zero distortion across diverse lighting conditions
Key Features & Benefits
True 8MP Resolution: Delivers crisp, high-definition 4K UHD imaging with exceptional detail retention, ensuring clarity even in complex scenes.
Manual Focus Control: Precise manual adjustment enables accurate focal tuning to match specific object distances, optimizing sharpness for critical applications.
Perfect Sensor Match: Engineered specifically for 1/1.8" sensors (e.g., ONSemi OS08A20), featuring a compatible image circle that eliminates vignetting and fully utilizes sensor capabilities.
Balanced 58° FOV: Provides a focused field of view ideal for medium-range surveillance, targeted machine vision tasks, and precise scene capture with optimal detail concentration.
Zero Distortion Design: Advanced optical optimization eliminates distortion across the entire image, maintaining geometric accuracy and true-to-life representations.
Compact & Robust Build: Standard M12*P0.5 thread and optimized TTL design ensure seamless integration into space-constrained devices while maintaining exceptional durability.
Versatile Application Performance: Suited for medium-range monitoring, object inspection, industrial quality control, and machine vision tasks requiring focused field coverage.
Technical Specifications
Parameter | Specification |
PN | JSD8028 |
Mount Type | M12 (S-Mount) * P0.5 |
Focal Length | 8mm |
Aperture | F2.8 |
Field of View (FOV) | 58° (Diagonal, for 1/1.8" Sensor) |
Resolution | True 8MP |
Compatible Sensor | 1/1.8" (e.g., ONSemi OS08A20, Sony IMX334,IMX678) |
Image Circle | Φ9.0mm |
TTL (Total Track Length) | 24.07mm |
Back Focal Length | Contact for details |
Applications
Medium-Range Surveillance: Targeted coverage for entrance monitoring, facility perimeters, and mid-distance security observation.
Industrial Inspection: Detailed examination of components, equipment monitoring, and focused quality control assessments.
Machine Vision: Precision inspection, targeted object measurement, and focused field defect detection.
Facial Recognition Systems: Optimized for controlled-distance identification, access control, and authentication terminals.
Retail Analytics: Customer behavior monitoring, point-of-sale area tracking, and focused traffic pattern analysis.
Traffic Monitoring: Lane-specific vehicle analysis, mid-range vehicle identification, and traffic pattern observation.
Building Security Systems: Focused area surveillance, hallway monitoring, and structured environment observation
Why Choose JSD Optoelectronics?
Shenzhen JSD Optoelectronics is a leading manufacturer of custom optical lenses, specializing in high-precision solutions since 2009. We offer:
1).ISO 9001 & IATF 16949 Certified Quality
2).Rapid Prototyping (15-day custom sample turnaround)
3).End-to-End Support from design to mass production
4).300+ Standard Designs for immediate sampling
drawing


Product Overview
This high-performance M12 mount fixed focal lens is expertly engineered for 1/1.8-inch sensors, delivering exceptional clarity and wide coverage for immersive imaging applications. With an 8mm focal length and F1.8 aperture, it provides an expansive 130° field of view, making it ideal for panoramic surveillance, broad-area monitoring, and wide-scene capture. Featuring True 8MP resolution and manual focus for precise imaging control, this wide-angle lens ensures superior image sharpness and enhanced peripheral visibility across diverse lighting conditions.
Key Features & Benefits
True 8MP Resolution: Delivers crisp, high-definition 4K UHD imaging with exceptional detail retention, ensuring clarity even in complex scenes.
Manual Focus Control: Precise manual adjustment enables accurate focal tuning to match specific object distances, optimizing sharpness for critical applications.
Perfect Sensor Match: Engineered specifically for 1/1.8" sensors (e.g., ONSemi OS08A20), featuring a compatible image circle that eliminates vignetting and fully utilizes sensor capabilities.
Wide 130° FOV: Provides an ultra-wide field of view ideal for panoramic surveillance, broad environmental monitoring, and large-area scene capture with minimal blind spots.
Enhanced Optical Performance: Advanced lens design maintains image clarity across the entire wide field, balancing brightness and detail even at the periphery.
Compact & Robust Build: Standard M12*P0.5 thread and optimized TTL design ensure seamless integration into space-constrained devices while maintaining exceptional durability.
Versatile Wide-Angle Applications: Suited for wide-area monitoring, traffic scene analysis, security surveillance, and machine vision tasks requiring extensive coverage.
Technical Specifications
Parameter | Specification |
PN | JSD4118 |
Mount Type | M12 (S-Mount) * P0.5 |
Focal Length | 4.07mm |
Aperture | F1.8 |
Field of View (FOV) | 130° (Diagonal, for 1/1.8" Sensor) |
Resolution | True 8MP |
Compatible Sensor | 1/1.8" (e.g., ONSemi OS08A20, Sony IMX334,IMX678) |
Image Circle | Φ9.1mm |
TTL (Total Track Length) | 24.47mm |
Back Focal Length | Contact for details |
Applications
Wide-Area Surveillance: Broad coverage for open-space monitoring, large environment oversight, and expansive area observation.
Perimeter Protection: Comprehensive coverage for site boundaries, fence lines, and extended security perimeters.
Crowd Monitoring: Effective tracking of group movements, gathering analysis, and high-density area surveillance.
Traffic Flow Analysis: Wide-angle vehicle tracking, multi-lane monitoring, and intersection activity observation.
Facility Management: Expanded interior monitoring, large room coverage, and open area security assessment.
Environmental Observation: Panoramic scene capture, landscape monitoring, and wide field situational awareness.
Intrusion Detection: Enhanced peripheral vision, boundary monitoring, and expanded threat detection capabilities.
Why Choose JSD Optoelectronics?
Shenzhen JSD Optoelectronics is a leading manufacturer of custom optical lenses, specializing in high-precision solutions since 2009. We offer:
1).ISO 9001 & IATF 16949 Certified Quality
2).Rapid Prototyping (15-day custom sample turnaround)
3).End-to-End Support from design to mass production
4).300+ Standard Designs for immediate sampling
drawing


Product Overview
This high-performance M12 mount fixed focal lens is expertly engineered for 1/1.8-inch sensors, delivering exceptional clarity and immersive fisheye perspective for advanced imaging applications. With a 3.8mm focal length and F1.5 aperture, it provides an ultra-wide 146° field of view, making it ideal for panoramic surveillance, full-room monitoring, and 360° scene capture. Featuring True 8MP resolution and manual focus for precise imaging control, this fisheye lens ensures superior image sharpness and maximum peripheral visibility across diverse lighting conditions.
Key Features & Benefits
Enhanced Low-Light Performance: Exceptional F1.5 aperture gathers more light, delivering superior image quality in low-light conditions and enhancing visibility in challenging environments.
Compact & Robust Build: Standard M12*P0.5 thread and optimized TTL design ensure seamless integration into space-constrained devices while maintaining exceptional durability.
Manual Focus Control: Precise manual adjustment enables accurate focal tuning to match specific object distances, optimizing sharpness for critical applications.
Perfect Sensor Match: Engineered specifically for 1/1.8" sensors (e.g., ONSemi OS08A20), featuring a compatible image circle that eliminates vignetting and fully utilizes sensor capabilities.
Ultra-Wide 146° FOV: Provides an exceptionally wide fisheye field of view ideal for panoramic surveillance, broad environmental monitoring, and maximized area coverage with minimal blind spots.
True 8MP Resolution: Delivers crisp, high-definition 4K UHD imaging with exceptional detail retention, ensuring clarity even in complex scenes.
Versatile Fisheye Applications: Suited for expansive area monitoring, security surveillance, immersive machine vision, and 360° scene analysis requiring maximum field coverage.
Technical Specifications
Parameter | Specification |
PN | JSD1537 |
Mount Type | M12 (S-Mount) * P0.5 |
Focal Length | 3.8mm |
Aperture | F1.5 |
Field of View (FOV) | 146° (Diagonal, for 1/1.8" Sensor) |
Resolution | True 8MP |
Compatible Sensor | 1/1.8" (e.g., ONSemi OS08A20, Sony IMX334,IMX678) |
Image Circle | Φ9.2mm |
TTL (Total Track Length) | 24.4mm |
Back Focal Length | Contact for details |
Applications
Ultra-Fisheye Wide-Angle Surveillance: Exceptional 146° FOV coverage for complete 360° environment immersion, extreme corner-to-corner visibility, and maximized scene capture with true fisheye perspective.
Crowd Dynamics Analysis: Superior tracking of large group movements, mass gathering analysis, and ultra-high-density area surveillance with minimal occlusion.
Comprehensive Traffic Monitoring: Ultra-wide vehicle tracking across multiple lanes, complete intersection coverage, and panoramic traffic pattern observation with single-lens solution.
Perimeter Security Enhancement: Holistic site boundary coverage, extensive fence line monitoring, and maximized security perimeter protection with 360° visibility.
Facility Wide-Area Management: Complete interior monitoring, extra-large room coverage, and broad open area security assessment with seamless corner-to-corner visibility.
Environmental Panoramic Assessment: Maximum panoramic scene capture, wide landscape monitoring, and enhanced field situational awareness for comprehensive analysis.
Intrusion Detection System Optimization: Enhanced peripheral vision with maximum radial coverage, extended boundary monitoring, and broadened threat detection across all angles.
Immersive Machine Vision: Complete scene acquisition for panoramic inspection, full-field measurement, and 360° defect detection capabilities.
Why Choose JSD Optoelectronics?
Shenzhen JSD Optoelectronics is a leading manufacturer of custom optical lenses, specializing in high-precision solutions since 2009. We offer:
1).ISO 9001 & IATF 16949 Certified Quality
2).Rapid Prototyping (15-day custom sample turnaround)
3).End-to-End Support from design to mass production
4).300+ Standard Designs for immediate sampling
drawing


Product Overview
This high-performance M12 mount fixed focal lens is expertly engineered for 1/1.8-inch sensors, delivering clear imaging and wide coverage for versatile imaging applications. With a 6.19mm focal length and F2.8 aperture, it provides a balanced 72° field of view, making it ideal for medium-range surveillance, environmental monitoring, and comprehensive scene capture. Featuring True 5MP resolution and manual focus for precise imaging control, this wide-angle lens ensures superior image sharpness and ultra-low distortion across diverse lighting conditions.
Key Features & Benefits
Perfect Sensor Match: Engineered specifically for 1/1.8" sensors (e.g., ONSemi OS08A20), featuring a compatible image circle that eliminates vignetting and fully utilizes sensor capabilities.
Manual Focus Control: Precise manual adjustment enables accurate focal tuning to match specific object distances, optimizing sharpness for critical applications.
Wide-Angle 72° FOV: Provides a balanced wide field of view ideal for medium-range surveillance, environmental monitoring, and expanded area coverage with minimal blind spots.
Versatile Wide-Angle Applications: Suited for medium-range monitoring, facility surveillance, industrial inspection, and machine vision tasks requiring balanced wide coverage.
Balanced Aperture Performance: Optimized F2.8 aperture provides versatile light gathering for both indoor and outdoor environments, ensuring consistent image quality.
Compact & Robust Build: Standard M12*P0.5 thread and optimized TTL design ensure seamless integration into space-constrained devices while maintaining exceptional durability.
Ultra-Low Distortion Optics: Advanced optical design minimizes distortion across the entire field of view, maintaining geometric accuracy and true-to-life image representation.
True 5MP Resolution: Delivers clear, high-quality imaging with reliable detail reproduction, ensuring crisp visuals for standard-definition applications.
Technical Specifications
Parameter | Specification |
PN | JSD6018 |
Mount Type | M12 (S-Mount) * P0.5 |
Focal Length | 6.19mm |
Aperture | F2.8 |
Field of View (FOV) | 72° (Diagonal, for 1/1.8" Sensor) |
Resolution | True 5MP |
Compatible Sensor | 1/1.8" (e.g., ONSemi OS08A20, Sony IMX334,IMX678) |
Image Circle | Φ9.0mm |
TTL (Total Track Length) | 23.14mm |
Back Focal Length | Contact for details |
Applications
Wide-Angle Imaging: Exceptional coverage for medium-range environments with 72° FOV, providing expansive scene capture and broad field observation with minimal blind spots.
Crowd Monitoring: Effective tracking of group movements in medium-density areas, gathering analysis, and expanded people monitoring with balanced perspective.
Facility Surveillance: Interior monitoring of medium to large rooms, open area security assessment, and structured environment observation.
Traffic Analysis: Vehicle tracking across multiple lanes, intersection coverage, and traffic flow observation with enhanced peripheral vision.
Perimeter Security: Enhanced coverage for site boundaries, fence lines, and extended security perimeters with broader visibility.
Industrial Inspection: Medium-range component examination, equipment monitoring, and quality control assessments with ultra-low distortion and balanced field of view.
Environmental Assessment: Panoramic scene capture, landscape monitoring, and situational awareness for comprehensive analysis.
Ultra-Low Distortion Imaging: Precision optical design maintains geometric accuracy with ultra-low distortion, ensuring true-to-life image representation.
Why Choose JSD Optoelectronics?
Shenzhen JSD Optoelectronics is a leading manufacturer of custom optical lenses, specializing in high-precision solutions since 2009. We offer:
1).ISO 9001 & IATF 16949 Certified Quality
2).Rapid Prototyping (15-day custom sample turnaround)
3).End-to-End Support from design to mass production
4).300+ Standard Designs for immediate sampling


Product Overview
This high-performance M12 mount fixed focal lens is expertly engineered for 1/1.8-inch sensors, delivering clear imaging and wide coverage for essential vision applications. With a 6mm focal length and F2.8 aperture, it provides a balanced 78° field of view, making it ideal for medium-range surveillance, facility monitoring, and general scene capture. Featuring True 2MP resolution and manual focus for precise imaging control, this wide-angle lens ensures reliable image quality and ultra-low distortion across various lighting conditions.
Key Features & Benefits
Compact & Robust Build: Standard M12*P0.5 thread and optimized TTL design ensure seamless integration into space-constrained devices while maintaining exceptional durability.
True 2MP Resolution: Delivers reliable, high-quality imaging with clear detail reproduction, ensuring crisp visuals for standard imaging applications.
Wide-Angle 78° FOV: Provides an expansive field of view ideal for broad-area surveillance, environmental monitoring, and scene coverage with minimal blind spots.
Manual Focus Control: Precise manual adjustment enables accurate focal tuning to match specific object distances, optimizing sharpness for critical applications.
Perfect Sensor Match: Engineered specifically for 1/1.8" sensors (e.g., ONSemi OS08A20, SONY IMX334), featuring a compatible image circle that eliminates vignetting and fully utilizes sensor capabilities.
Ultra-Low Distortion Optics: Advanced optical design minimizes distortion across the entire 78° field of view, maintaining geometric accuracy and true-to-life image representation.
Versatile Wide-Angle Applications: Suited for medium-range surveillance, facility monitoring, industrial inspection, and machine vision tasks requiring effective field coverage.
Balanced Aperture Performance: Optimized F2.8 aperture provides versatile light gathering for both indoor and outdoor environments, ensuring consistent image quality across diverse lighting conditions.
Technical Specifications
Parameter | Specification |
PN | JSD6010 |
Mount Type | M12 (S-Mount) * P0.5 |
Focal Length | 6mm |
Aperture | F2.8 |
Field of View (FOV) | 78° (Diagonal, for 1/1.8" Sensor) |
Resolution | True 2MP |
Compatible Sensor | 1/1.8" (e.g., ONSemi OS08A20, Sony IMX334,IMX678) |
Image Circle | Φ9mm |
TTL (Total Track Length) | 23.1mm |
Back Focal Length | Contact for details |
Applications
Perimeter Security: Enhanced coverage for site boundaries, fence lines, and extended security perimeters with broader visibility through wide-angle field.
Traffic Analysis: Vehicle tracking across multiple lanes, intersection coverage, and traffic flow observation with enhanced peripheral vision and 78° wide-angle awareness.
Crowd Monitoring: Effective tracking of group movements in medium density areas, gathering analysis, and expanded people monitoring with balanced wide perspective.
Wide-Angle Imaging: Exceptional coverage for medium-sized environments with 78° FOV, providing expansive scene capture and broad field observation with minimal blind spots.
Ultra-Low Distortion Imaging: Precision optical design maintains geometric accuracy with ultra-low distortion, ensuring true-to-life image representation across the entire 78° field of view.
Environmental Assessment: Panoramic scene capture, landscape monitoring, and situational awareness for comprehensive analysis with expansive field perspective.
Facility Surveillance: Interior monitoring of medium-sized rooms, open area security assessment, and structured environment observation with reliable coverage.
Industrial Inspection: Medium-range component examination, equipment monitoring, and quality control assessments with minimal image deformation and wide field coverage.
Why Choose JSD Optoelectronics?
Shenzhen JSD Optoelectronics is a leading manufacturer of custom optical lenses, specializing in high-precision solutions since 2009. We offer:
1).ISO 9001 & IATF 16949 Certified Quality
2).Rapid Prototyping (15-day custom sample turnaround)
3).End-to-End Support from design to mass production
4).300+ Standard Designs for immediate sampling


Product Overview
This wide-angle M12 mount lens is engineered for 1/4-inch image sensors, providing expansive area coverage for security and automotive applications. With a short 2.05mm focal length and a bright F2.0 aperture, it delivers a broad 134° field of view, making it ideal for video doorbells, dashcams, and indoor monitoring where peripheral visibility is crucial. Featuring 2MP resolution, this lens ensures clear, high-definition video capture with a standard S-mount design for easy integration..
Key Features & Benefits
Clear 2MP Resolution:Optimized for HD (1080p) imaging, providing sharp detail retention for facial recognition, object detection, and general video recording tasks.
Ultra-Wide 134° FOV:Delivers an expansive field of view that maximizes scene coverage, significantly reducing blind spots in small rooms, entryways, or automotive cabin views.
Bright F2.0 Aperture:The large aperture allows for superior light intake, ensuring reliable performance and reduced noise in low-light or indoor environments.
Perfect Sensor Match:Designed specifically for 1/4" optical formats, ensuring the image circle (Image Circle: 1/4") matches the sensor active area efficiently.
Wide-Angle Optical Design:Engineered to capture a wider perspective (Distortion <-54.78%), this lens utilizes barrel distortion to fit more of the scene into the frame, typical for wide-angle monitoring.
Standard Integration:Features a common M12*P0.5 thread and a Total Track Length (TTL) of 16.8mm, ensuring compatibility with a vast range of board cameras and housing designs.
Applications
Smart Video Doorbells
Automotive Dashcams (DVR)
Indoor Security & Nanny Cams
Rear-View/Backup Cameras
IoT Monitoring Devices
Robotics Visual Navigation
Video Conferencing
Specification
Parameter | Specification |
PN | JSD2008 |
Mount Type | M12 (S-Mount) * P0.5 |
Focal Length | 2.05mm |
Aperture | F2.0 |
Field of View (FOV) | 134° (Diagonal, for 1/4" Sensor) |
Resolution | True 2MP |
Compatible Sensor | 1/4" |
Image Circle | Φ5.2mm |
TTL (Total Track Length) | 16.8mm |
Back Focal Length | Contact for details |
Why Choose JSD Optoelectronics?
Shenzhen JSD Optoelectronics is a leading manufacturer of custom optical lenses, specializing in high-precision solutions since 2009. We offer:
1).ISO 9001 & IATF 16949 Certified Quality
2).Rapid Prototyping (15-day custom sample turnaround)
3).End-to-End Support from design to mass production
4).300+ Standard Designs for immediate sampling
drawing


Product Overview
This compact M7 mount fixed focal lens is expertly engineered for 1/4-inch sensors, delivering reliable clarity and geometric accuracy for compact imaging applications. With a 4.19mm focal length and F2.6 aperture, it provides a natural 70° field of view, making it ideal for biometric recognition, video communication, and targeted monitoring. Featuring 1MP resolution and a controlled distortion design, this lens ensures balanced image quality and precise subject representation within a lightweight, space-saving form factor.
Key Features & Benefits
Reliable 1MP Resolution:Delivers clear imaging with sufficient detail for recognition tasks, video conferencing, and standard machine vision analysis.
Natural 70° FOV:Provides a focused field of view (70° Diagonal) that offers a natural perspective without extreme wide-angle deformation, perfect for face scanning and object detection.
Perfect Sensor Match:Optimized specifically for 1/4" image sensors, ensuring full image circle coverage and maximizing sensor performance in small-scale devices.
Low Distortion Design:Advanced optical engineering maintains distortion below -6.77%, ensuring straight-line accuracy and true-to-life image representation for scanning and inspection needs.
Compact M7 Architecture:Featuring a standard M7 thread and a Total Track Length (TTL) of just 11.87mm, this lens is designed for seamless integration into portable, handheld, and space-constrained IoT hardware.
Balanced Optical Performance:The F2.6 aperture offers a practical balance between depth of field and light sensitivity, suitable for diverse indoor lighting conditions.
Applications
Biometric Recognition (Face/Iris)
Video Conferencing & Webcams
Handheld Scanners & Barcode Readers
IoT Smart Home Devices
Indoor Security Monitoring
Embedded Vision Systems
Specification
Parameter | Specification |
PN | JSD0221 |
Mount Type | M7 (S-Mount) |
Focal Length | 4.19mm |
Aperture | F2.6 |
Field of View (FOV) | 70° (Diagonal, for 1/4" Sensor) |
Resolution | True 1MP |
Compatible Sensor | 1/4" |
Image Circle | Φ4.7mm |
TTL (Total Track Length) | 11.87mm |
Back Focal Length | Contact for details |
Why Choose JSD Optoelectronics?
Shenzhen JSD Optoelectronics is a leading manufacturer of custom optical lenses, specializing in high-precision solutions since 2009. We offer:
1).ISO 9001 & IATF 16949 Certified Quality
2).Rapid Prototyping (15-day custom sample turnaround)
3).End-to-End Support from design to mass production
4).300+ Standard Designs for immediate sampling
drawing


Product Overview
This high-performance M12 mount fixed focal lens (Model: JSD2816) is expertly engineered for 1/3-inch sensors, delivering bright, high-definition imaging for advanced surveillance and automotive applications. With a short 2.18mm focal length and an impressive F1.6 aperture, it provides a wide 121° field of view while maximizing light intake for superior low-light performance. Featuring 5MP resolution and a controlled optical design (Distortion <-8%), this lens ensures exceptional clarity and expansive scene capture, making it ideal for security cameras and video doorbells requiring broad coverage.
Key Features & Benefits
5MP High Definition:Delivers crisp, high-resolution imaging that maximizes the potential of 5MP sensors, ensuring detailed video capture for security analysis and object detection.
Bright F1.6 Aperture:Significantly brighter than standard F2.0 lenses, the large F1.6 aperture allows for excellent light transmission. This ensures clear, low-noise images even in dim lighting conditions, critical for 24/7 surveillance.
Wide 121° FOV:Provides an expansive field of view, ideal for covering wide areas such as entrance ways, rooms, or traffic scenes with a single camera, minimizing blind spots.
Perfect Sensor Match:Engineered specifically for 1/3" sensors, featuring an image circle that fully utilizes the sensor's capabilities to deliver balanced sharpness from center to edge.
Low Distortion Design:With distortion controlled to <-8%, the lens offers a wide viewing angle while maintaining a natural look, avoiding the extreme curvature found in fisheye lenses.
Manual Focus Control:The standard M12 mount allows for precise manual focus adjustments to suit specific working distances and installation requirements.
Robust Optical Build:Featuring a standard M12*P0.5 thread and a Total Track Length (TTL) of 23.8mm, this lens utilizes a multi-element glass design to correct aberrations and ensure durability.
Applications
Smart Video Doorbells
Indoor/Outdoor Security Cameras
Low-Light Surveillance
Automotive Dash Cams
Robot Vision & Obstacle Avoidance
Pet Monitoring Cameras
IoT Imaging Devices
Specification
Parameter | Specification |
PN | JSD2816 |
Mount Type | M12 (S-Mount) * P0.5 |
Focal Length | 2.18mm |
Aperture | F1.6 |
Field of View (FOV) | 121° (Diagonal, for 1/3" Sensor) |
Resolution | True 5MP |
Compatible Sensor | 1/3"(e.g.OS04C10) |
Image Circle | Φ6.3mm |
TTL (Total Track Length) | 23.8mm |
Back Focal Length | Contact for details |
Why Choose JSD Optoelectronics?
Shenzhen JSD Optoelectronics is a leading manufacturer of custom optical lenses, specializing in high-precision solutions since 2009. We offer:
1).ISO 9001 & IATF 16949 Certified Quality
2).Rapid Prototyping (15-day custom sample turnaround)
3).End-to-End Support from design to mass production
4).300+ Standard Designs for immediate sampling
drawing


Product Overview
The JSD0125 is a high-performance M12 mount fixed focal lens expertly engineered for 1/3-inch image sensors, delivering exceptional clarity for wide-angle imaging applications. With a short 2.09mm focal length and F2.4 aperture, it provides an expansive 142° ultra-wide field of view, making it ideal for video doorbells, automotive monitoring, and broad-area surveillance. Featuring 5MP high resolution, this lens ensures superior image sharpness while maintaining controlled distortion (<-15.94%) and a compact form factor, ensuring seamless integration into modern compact devices.
Key Features & Benefits
5MP High Definition:Delivers sharp, high-resolution imaging suitable for HD security and machine vision, ensuring critical details are captured with precision.
Ultra-Wide 142° FOV:Offers a massive field of view (Diagonal 142°), allowing for maximum scene coverage with a single camera, significantly reducing blind spots.
Optimized for 1/3" Sensors:Designed specifically to match the 1/3-inch image circle, ensuring full sensor utilization without vignetting.
Controlled Optical Distortion:Engineered with a distortion rate of <-15.94%, providing a balance between ultra-wide coverage and natural image perception.
Compact & Durable Design:Features a standard M12 thread with a Total Track Length (TTL) of just 15mm, making it perfect for space-constrained IoT devices and compact cameras.
Superior Light Intake:The F2.4 aperture ensures adequate light transmission for clear imaging in various indoor and outdoor lighting environments.
Applications
Smart Video Doorbells & Intercoms
Automotive Dash Cameras & DVRs
Wide-Area Security Surveillance
Robotics & Obstacle Avoidance
IoT & Smart Home Devices
VR/AR Input Devices
Specification
Parameter | Specification |
PN | JSD0125 |
Mount Type | M12 (S-Mount) * P0.5 |
Focal Length | 2.09mm |
Aperture | F2.4 |
Field of View (FOV) | 142° (Diagonal, for 1/3" Sensor) |
Resolution | True 5MP |
Compatible Sensor | 1/3"(e.g.OS04C10) |
Image Circle | Φ6.8mm |
TTL (Total Track Length) | 15mm |
Back Focal Length | Contact for details |
Why Choose JSD Optoelectronics?
Shenzhen JSD Optoelectronics is a leading manufacturer of custom optical lenses, specializing in high-precision solutions since 2009. We offer:
1).ISO 9001 & IATF 16949 Certified Quality
2).Rapid Prototyping (15-day custom sample turnaround)
3).End-to-End Support from design to mass production
4).300+ Standard Designs for immediate sampling
drawing


Product Overview
This high-performance M12 mount fixed focal lens is expertly engineered for 1/2.8-inch sensors, delivering exceptional clarity and expansive coverage for advanced imaging applications. With a short 2.11mm focal length and F2.4 aperture, it provides an ultra-wide 128° field of view, making it ideal for broad-area surveillance, automotive imaging, and panoramic scene capture. Featuring True 8MP resolution, this lens ensures superior image sharpness and high-definition detail retention across diverse lighting conditions.
Key Features & Benefits
True 8MP Resolution:Delivers crisp, high-definition 4K UHD imaging with exceptional detail retention, ensuring clarity even in complex wide-angle scenes.
Ultra-Wide 128° FOV:Provides an expansive 128-degree field of view, ideal for panoramic surveillance, environmental monitoring, and capturing large areas with a single camera.
Perfect Sensor Match:Engineered specifically for 1/2.8" sensors, featuring a precise image circle that eliminates vignetting and fully utilizes sensor capabilities.
High-Definition Optical Design:optimized to handle high-resolution sensors, maintaining sharpness from the center to the edge despite the wide viewing angle (Distortion <-14%).
Compact & Robust Build:Standard M12 thread and a Total Track Length (TTL) of 16.7mm ensure seamless integration into space-constrained devices while maintaining mechanical durability.
Wide Application Versatility:Suited for broad-area monitoring, video doorbells, automotive modules, and machine vision tasks requiring wide coverage.
Applications
Wide-Area Surveillance
Automotive Cameras (Dash Cams/Reversing)
Video Doorbells & Intercoms
Smart City Applications
Drone (FPV) & Aerial Imaging
Sports & Action Cameras
VR/AR Content Capture
Specification
Parameter | Specification |
PN | JSD2019 |
Mount Type | M12 (S-Mount) * P0.5 |
Focal Length | 2.11mm |
Aperture | F2.4 |
Field of View (FOV) | 128° (Diagonal, for 1/2.8" Sensor) |
Resolution | True 8MP |
Compatible Sensor | 1/2.8"(e.g.Sony IMX335) |
Image Circle | Φ6.8mm |
TTL (Total Track Length) | 16.7mm |
Back Focal Length | Contact for details |
Why Choose JSD Optoelectronics?
Shenzhen JSD Optoelectronics is a leading manufacturer of custom optical lenses, specializing in high-precision solutions since 2009. We offer:
1).ISO 9001 & IATF 16949 Certified Quality
2).Rapid Prototyping (15-day custom sample turnaround)
3).End-to-End Support from design to mass production
4).300+ Standard Designs for immediate sampling
drawing


Product Overview
This wide-angle M12 mount fixed focal lens is expertly engineered for 1/2.8-inch sensors, delivering expansive scene coverage and reliable performance for broad imaging applications. With a short 2.6mm focal length and a bright F2.0 aperture, it provides a super-wide 149° field of view, making it ideal for panoramic surveillance, automotive imaging, and immersive scene capture. Featuring 5MP high resolution, this lens ensures excellent image clarity and detail retention across diverse lighting conditions.
Key Features & Benefits
5MP High-Definition Resolution:Delivers sharp, clear imaging with excellent detail, supporting up to 5 Megapixel sensors for reliable visual data in security and monitoring tasks.
Super-Wide 149° FOV:Provides a massive 149-degree field of view, allowing for panoramic capture and eliminating blind spots in corner-mounted or wide-area applications.
Bright F2.0 Aperture:The large aperture allows for superior light intake, ensuring bright and clear images even in low-light environments or challenging lighting scenarios.
Perfect Sensor Match:Engineered specifically for 1/2.8" sensors, featuring a precise image circle that maximizes sensor area usage without dark corners.
Compact & Robust Build:Standard M12 thread and a Total Track Length (TTL) of 18.45mm ensure easy integration into compact devices, housings, and camera modules.
Wide Application Versatility:Specifically designed for scenarios requiring maximum coverage from a single camera, such as automotive view systems and panoramic security.
Applications
Panoramic Surveillance
Automotive Cameras (Rear/Surround View)
Video Doorbells & Intercoms
VR/AR & 360° Imaging
Sports & Action Cameras
Robot Navigation (SLAM)
Conference Room Cameras
Specification
Parameter | Specification |
PN | JSD2620 |
Mount Type | M12 (S-Mount) * P0.5 |
Focal Length | 2.6mm |
Aperture | F2.0 |
Field of View (FOV) | 149° (Diagonal, for 1/2.8" Sensor) |
Resolution | True 5MP |
Compatible Sensor | 1/2.8" |
Image Circle | Φ6.9mm |
TTL (Total Track Length) | 18.45mm |
Back Focal Length | Contact for details |
Why Choose JSD Optoelectronics?
Shenzhen JSD Optoelectronics is a leading manufacturer of custom optical lenses, specializing in high-precision solutions since 2009. We offer:
1).ISO 9001 & IATF 16949 Certified Quality
2).Rapid Prototyping (15-day custom sample turnaround)
3).End-to-End Support from design to mass production
4).300+ Standard Designs for immediate sampling
drawing


Product Overview
This high-performance M12 mount fixed focal lens (Model: JSD3018) is expertly engineered for 1/2.8-inch sensors, delivering high-definition clarity and expansive coverage for advanced imaging applications. With a 2.85mm focal length and a bright F1.8 aperture, it provides an impressive ultra-wide 150° field of view, making it ideal for panoramic surveillance, automotive imaging, and immersive machine vision. Featuring 5MP resolution and superior light-gathering capabilities, this lens ensures sharp, vivid images even in challenging low-light conditions.
Key Features & Benefits
High-Resolution 5MP:Delivers crisp, high-definition imaging with exceptional detail retention, ensuring clarity for security analysis and object recognition tasks.
Bright F1.8 Aperture:Superior to standard F2.0 lenses, the large F1.8 aperture allows for maximum light intake, providing excellent performance in low-light environments and reducing noise.
Ultra-Wide 150° FOV:Provides a massive field of view, significantly wider than standard lenses. This expansive coverage is ideal for minimizing blind spots in surveillance and capturing panoramic scenes in a single frame.
Perfect Sensor Match:Engineered specifically for 1/2.8" sensors, featuring an image circle that fully utilizes the sensor's capabilities to deliver a balanced and focused image.
Robust M12 Build:Featuring a standard M12 thread and a durable structure with a TTL of 22.5mm, this lens is designed for seamless integration into various camera housings and industrial devices.
Wide Application Versatility:The combination of wide-angle coverage and high resolution makes it suited for broad-area monitoring, smart home devices, and automotive applications requiring extensive scene capture.
Applications
Panoramic Surveillance Cameras
Automotive & Dash Cams (Rear/Surround View)
Video Doorbells & Smart Home Security
VR/AR Imaging Devices
Drone & Aerial Imaging (FPV)
Machine Vision (Wide-area inspection)
Video Conferencing Systems
Specification
Parameter | Specification |
PN | JSD3018 |
Mount Type | M12 (S-Mount) * P0.5 |
Focal Length | 2.85mm |
Aperture | F1.8 |
Field of View (FOV) | 150° (Diagonal, for 1/2.8" Sensor) |
Resolution | True 5MP |
Compatible Sensor | 1/2.8"(e.g. IMX335) |
Image Circle | Φ6.8mm |
TTL (Total Track Length) | 22.5mm |
Back Focal Length | Contact for details |
Why Choose JSD Optoelectronics?
Shenzhen JSD Optoelectronics is a leading manufacturer of custom optical lenses, specializing in high-precision solutions since 2009. We offer:
1).ISO 9001 & IATF 16949 Certified Quality
2).Rapid Prototyping (15-day custom sample turnaround)
3).End-to-End Support from design to mass production
4).300+ Standard Designs for immediate sampling
drawing


Product Overview
This precision M12 mount fixed focal lens (Model: JSD5019) is expertly engineered for 1/2.8-inch sensors, focusing on delivering geometrically accurate images with virtually no distortion. With a 5mm focal length and F2.4 aperture, it provides a standard 58° field of view, closely mimicking the human eye's natural perspective. This makes it ideal for biometric recognition, optical inspection, and standard security monitoring where object fidelity is paramount. Featuring 2MP resolution and an advanced low-distortion optical design (<-0.94%), this lens ensures straight lines remain straight, eliminating the "fish-eye" effect common in wider lenses.
Key Features & Benefits
2MP High Definition:Delivers clear, reliable HD imaging suitable for standard video streams, video conferencing, and object recognition tasks.
Ultra-Low Distortion (<-0.94%):Advanced optical correction minimizes barrel distortion to less than 1%. This ensures high dimensional accuracy and true-to-life image representation, critical for machine vision measurement and text recognition (OCR).
Standard 58° FOV:Provides a focused field of view that balances coverage with detail. Unlike wide-angle lenses, it offers higher pixel density on the target object, making it perfect for facial recognition and specific area monitoring.
Perfect Sensor Match:Engineered specifically for 1/2.8" sensors, ensuring the image circle aligns perfectly with the sensor active area for consistent edge-to-edge sharpness.
Manual Focus Capable:The standard M12 mount allows for precise manual focus adjustments to suit specific working distances, from close-up inspection to mid-range surveillance.
Compact & Robust Build:Featuring a standard M12*P0.5 thread and a compact TTL of 14mm, this lens integrates seamlessly into scanning devices, handheld instruments, and compact cameras.
Applications
Facial Recognition & Biometrics
Industrial Inspection & Machine Vision
Document Scanning & OCR (Optical Character Recognition)
Video Conferencing Cameras
Standard Security Surveillance
QR Code/Barcode Scanners
Handheld Imaging Devices
Specification
Parameter | Specification |
PN | JSD5019 |
Mount Type | M12 (S-Mount) * P0.5 |
Focal Length | 5mm |
Aperture | F2.4 |
Field of View (FOV) | 65° (Diagonal, for 1/2.8" Sensor) |
Resolution | True 2MP |
Compatible Sensor | 1/2.8"(e.g.IMX307) |
Image Circle | Φ6.6mm |
TTL (Total Track Length) | 14mm |
Back Focal Length | Contact for details |
Why Choose JSD Optoelectronics?
Shenzhen JSD Optoelectronics is a leading manufacturer of custom optical lenses, specializing in high-precision solutions since 2009. We offer:
1).ISO 9001 & IATF 16949 Certified Quality
2).Rapid Prototyping (15-day custom sample turnaround)
3).End-to-End Support from design to mass production
4).300+ Standard Designs for immediate sampling
drawing


Product Overview
This precision-engineered M12 mount fixed focal lens (Model: JSD5038) is designed specifically for 1/2.8-inch sensors, offering optical excellence where geometric accuracy is paramount. With a 6mm focal length and F2.4 aperture, it delivers a focused 56° field of view, providing a natural perspective similar to the human eye. Featuring 2MP resolution and an ultra-low distortion design (<-0.5%), this lens is the ideal solution for machine vision, text recognition, and biometric applications where straight lines must remain straight and image fidelity is critical.
Key Features & Benefits
2MP High Definition:Provides clear and reliable HD imaging, ensuring sufficient resolution for object identification, barcode scanning, and standard security feeds.
Ultra-Low Distortion (<-0.5%):Boasts superior optical correction with virtually zero distortion. This ensures that straight lines remain perfectly straight, eliminating the "barrel" effect and making it perfect for measurement and OCR (Optical Character Recognition) tasks.
Standard 56° FOV:Offers a narrower, more focused field of view compared to wide-angle lenses. This increases the pixel density on the target object, enhancing detail for facial recognition or license plate capture at medium distances.
Perfect Sensor Match:Optimized for 1/2.8" sensors, ensuring a perfectly aligned image circle that delivers consistent sharpness from the center to the edges without vignetting.
Manual Focus Control:The standard M12 mount allows for precise manual focus tuning, enabling users to optimize sharpness for specific working distances in embedded systems.
Compact & Robust Design:With a standard M12*P0.5 thread and a compact TTL of 14mm, this lens is easily integrated into handheld devices, industrial cameras, and space-constrained housings.
Applications
Facial Recognition & Biometrics
Industrial Inspection & Automation
Document Scanning & OCR
QR Code & Barcode Readers
License Plate Recognition (LPR) for Parking
Video Conferencing (Personal view)
Medical Imaging Devices
Specification
Parameter | Specification |
PN | JSD5038 |
Mount Type | M12 (S-Mount) * P0.5 |
Focal Length | 6mm |
Aperture | F2.4 |
Field of View (FOV) | 56° (Diagonal, for 1/2.8" Sensor) |
Resolution | True 2MP |
Compatible Sensor | 1/2.8"(e.g.IMX307) |
Image Circle | Φ7mm |
TTL (Total Track Length) | 14mm |
Back Focal Length | Contact for details |
Why Choose JSD Optoelectronics?
Shenzhen JSD Optoelectronics is a leading manufacturer of custom optical lenses, specializing in high-precision solutions since 2009. We offer:
1).ISO 9001 & IATF 16949 Certified Quality
2).Rapid Prototyping (15-day custom sample turnaround)
3).End-to-End Support from design to mass production
4).300+ Standard Designs for immediate sampling
drawing


Product Overview
This compact M8 mount fixed focal lens (PN: JSD2422) is expertly engineered for 1/2.8-inch sensors, designed to deliver maximum scene coverage for space-constrained imaging applications. With a short 2.4mm focal length and F2.2 aperture, it provides a massive 171° field of view, making it ideal for panoramic surveillance, wearable cameras, and compact IoT devices. Featuring reliable 2MP resolution and a miniature form factor, this lens captures clear, broad-area imagery, effectively eliminating blind spots in complex environments.
Key Features & Benefits
High-Definition 2MP Resolution:Optimized for standard HD sensors, delivering clear and reliable 1080P imaging suitable for security, video conferencing, and general-purpose video applications.
Super-Wide 171° FOV:Provides an extreme 171° diagonal field of view (Fisheye effect), allowing a single camera to cover an entire room or wide exterior area with virtually no blind spots.
Miniature M8 Mount Design:Features a standard M8*P0.5 thread, specifically designed for compact devices where space is at a premium, such as drones, mini-cameras, and biometric modules.
Perfect Sensor Match:Engineered specifically for 1/2.8" sensors, featuring an image circle tailored to fully utilize the sensor area without unexpected black corners.
Compact & Lightweight:With a Total Track Length (TTL) of just 12.65mm, this lens is exceptionally compact, ensuring seamless integration into small housings.
Bright F2.2 Aperture:The F2.2 aperture strikes a balance between light intake and depth of field, ensuring clear images in varying lighting conditions.
Immersive Panoramic Capture:While featuring typical wide-angle barrel distortion (<-26%), the optical design prioritizes maximizing the viewing angle for superior situational awareness.
Applications
Miniature Security Cameras
Wearable Body Cameras
Drones (FPV & Aerial Imaging)
Video Doorbells & Smart Intercoms
Biometric & Face Recognition Modules
IoT & Smart Home Devices
Automotive Interior Monitoring
Specification
Parameter | Specification |
PN | JSD2422 |
Mount Type | M12 (S-Mount) * P0.5 |
Focal Length | 2.4mm |
Aperture | F2.2 |
Field of View (FOV) | 171° (Diagonal, for 1/2.8" Sensor) |
Resolution | True 2MP |
Compatible Sensor | 1/2.8" |
Image Circle | Φ6.7mm |
TTL (Total Track Length) | 12.65mm |
Back Focal Length | Contact for details |
Why Choose JSD Optoelectronics?
Shenzhen JSD Optoelectronics is a leading manufacturer of custom optical lenses, specializing in high-precision solutions since 2009. We offer:
1).ISO 9001 & IATF 16949 Certified Quality
2).Rapid Prototyping (15-day custom sample turnaround)
3).End-to-End Support from design to mass production
4).300+ Standard Designs for immediate sampling
drawing


Product Overview
This precision-engineered M12 mount fixed focal lens (PN: JSD8020) is expertly designed for 1/2.5-inch sensors, delivering superior clarity and geometric accuracy for targeted imaging applications. With an 8mm focal length and a bright F2.0 aperture, it provides a focused 48° field of view, making it ideal for long-distance surveillance, license plate recognition (LPR), and detailed industrial inspection. Featuring 5MP high resolution and an ultra-low distortion rate of less than 0.54%, this lens ensures true-to-life image representation and exceptional sharpness, even in challenging lighting conditions.
Key Features & Benefits
5MP High-Definition Resolution:Delivers crisp, high-quality imaging optimized for 5 Megapixel sensors, ensuring distinct detail retention crucial for identifying faces or reading text at a distance.
Ultra-Low Distortion (<0.54%):Advanced optical design virtually eliminates barrel distortion (<0.54%), maintaining straight-line accuracy and true spatial representation, which is critical for measurement and recognition tasks.
Focused 48° Field of View:Provides a standard, natural viewing angle that minimizes perspective distortion, making it perfect for monitoring specific targets, hallways, or checkpoints rather than broad areas.
Bright F2.0 Aperture:The large aperture allows for excellent light intake, ensuring superior performance in low-light environments and maintaining fast shutter speeds for moving objects.
Perfect Sensor Match:Engineered specifically for 1/2.5" sensors, utilizing the full image circle to eliminate vignetting and maximize the sensor's potential.
Robust & Precise Build:Features a standard M12*P0.5 thread and a Total Track Length (TTL) of 21.8mm, offering a durable and stable optical alignment for industrial and security devices.
Applications
License Plate Recognition (LPR/ANPR)
Facial Recognition & Biometrics
Checkpoint & Corridor Surveillance
Industrial Defect Inspection
Video Conferencing (Telepresence)
Scanner & OCR Devices
Object Tracking Systems
Specification
Parameter | Specification |
PN | JSD8020 |
Mount Type | M12 (S-Mount) * P0.5 |
Focal Length | 8mm |
Aperture | F2.0 |
Field of View (FOV) | 48° (Diagonal, for 1/2.5" Sensor) |
Resolution | True 5MP |
Compatible Sensor | 1/2.5" |
Image Circle | Φ8mm |
TTL (Total Track Length) | 21.8mm |
Back Focal Length | Contact for details |
Why Choose JSD Optoelectronics?
Shenzhen JSD Optoelectronics is a leading manufacturer of custom optical lenses, specializing in high-precision solutions since 2009. We offer:
1).ISO 9001 & IATF 16949 Certified Quality
2).Rapid Prototyping (15-day custom sample turnaround)
3).End-to-End Support from design to mass production
4).300+ Standard Designs for immediate sampling
drawing


Product Overview
This wide-angle M12 mount lens (Model: JSD2529) is expertly engineered for 1/2.5-inch sensors, designed to deliver high-definition imaging with expansive scene coverage. With a short 2.6mm focal length and a bright F2.0 aperture, it provides an impressive 162° ultra-wide field of view, making it an excellent choice for panoramic security, automotive viewing, and immersive vision systems. Featuring 5MP resolution support, this lens ensures sharp, detailed image capture across the entire image circle, optimized for applications requiring maximum visibility with a compact form factor.
Key Features & Benefits
High-Definition 5MP Resolution:Delivers crisp, clear imaging capable of resolving fine details, ensuring superior performance in HD security and machine vision systems.
Ultra-Wide 162° FOV:Provides a massive field of view (Diagonal 162°), allowing a single camera to capture panoramic scenes and significantly reducing blind spots in monitoring applications.
Optimized for 1/2.5" Sensors:Specifically designed with a 1/2.5" image circle to perfectly match compatible sensors, eliminating dark corners and maximizing sensor utilization.
Bright F2.0 Aperture:The large aperture ensures excellent light intake, providing clear and bright images even in challenging low-light environments.
Compact M12 Design:Features a standard M12 thread with a Total Track Length (TTL) of 22.29mm, ensuring easy integration into compact devices and housing units.
Wide-Angle Optical Performance:With distortion controlled at <-32%, this lens achieves an extreme wide-angle perspective (Fisheye effect), ideal for seeing the "bigger picture" in confined or large spaces.
Applications
Panoramic Surveillance Systems
Automotive Rear/Surround View Cameras
Video Doorbells & Smart Home Security
VR/AR & 360° Imaging
Sports Action Cameras
Robotics & Obstacle Avoidance
Specification
Parameter | Specification |
PN | JSD2529 |
Mount Type | M12 (S-Mount) * P0.5 |
Focal Length | 2.6mm |
Aperture | F2.0 |
Field of View (FOV) | 162° (Diagonal, for 1/2.5" Sensor) |
Resolution | True 5MP |
Compatible Sensor | 1/2.5"(e.g.Sony AR0521) |
Image Circle | Φ7.2mm |
TTL (Total Track Length) | 22.29mm |
Back Focal Length | Contact for details |
Why Choose JSD Optoelectronics?
Shenzhen JSD Optoelectronics is a leading manufacturer of custom optical lenses, specializing in high-precision solutions since 2009. We offer:
1).ISO 9001 & IATF 16949 Certified Quality
2).Rapid Prototyping (15-day custom sample turnaround)
3).End-to-End Support from design to mass production
4).300+ Standard Designs for immediate sampling
drawing


Product Overview
The JSD4008 is a specialized M12 S-Mount fixed focal lens, expertly engineered for 1/2.5-inch image sensors to deliver high-clarity imaging in space-constrained devices. With a 7.15mm focal length and F2.5 aperture, it provides a focused 57° field of view, making it ideal for targeted surveillance, facial recognition, and applications requiring closer detail than standard wide-angle lenses. Distinguished by its ultra-compact design with a Total Track Length (TTL) of only 11.22mm, this lens ensures superior 5MP image sharpness and low distortion while fitting seamlessly into slim housings.
Key Features & Benefits
High-Definition 5MP Resolution:Delivers crisp, high-resolution imaging capable of resolving fine details, ensuring clarity for identification and inspection tasks.
Focused 57° Field of View:Provides a narrower, more natural viewing angle (57°) compared to wide-angle lenses. This reduces the "fish-eye" effect and concentrates pixel density on the subject, perfect for portrait-style imaging or monitoring specific areas.
Ultra-Compact Profile (TTL 11.22mm):Features an exceptionally short optical track length of just 11.22mm. This low-profile design is a critical advantage for ultra-thin devices, portable cameras, and embedded systems where internal space is at a premium.
Low Distortion (<-1.5%):Advanced optical optimization keeps distortion below 1.5%, maintaining straight-line accuracy and realistic subject proportions, which is essential for biometrics and machine vision.
Perfect Sensor Match:Engineered specifically for 1/2.5" sensors, ensuring optimal light coverage and resolution consistency from the center to the edge of the image circle.
Precise Object Targeting:The longer focal length allows for better subject isolation and detail capture at moderate distances, suitable for reading text or identifying faces.
Applications
Facial Recognition & Biometrics
Video Conferencing (Webcams)
Portable/Body-Worn Cameras
Slim IoT Devices & Smart Home Sensors
Targeted Security Monitoring (Corridors, Entryways)
Industrial Inspection (Detail View)
Robotics (Object Tracking)
Specification
Parameter | Specification |
PN | JSD4008 |
Mount Type | M12 (S-Mount) * P0.5 |
Focal Length | 7.15mm |
Aperture | F2.5 |
Field of View (FOV) | 57° (Diagonal, for 1/2.5" Sensor) |
Resolution | True 5MP |
Compatible Sensor | 1/2.5"(e.g.Sony AR0521) |
Image Circle | Φ6.8mm |
TTL (Total Track Length) | 11.22mm |
Back Focal Length | Contact for details |
Why Choose JSD Optoelectronics?
Shenzhen JSD Optoelectronics is a leading manufacturer of custom optical lenses, specializing in high-precision solutions since 2009. We offer:
1).ISO 9001 & IATF 16949 Certified Quality
2).Rapid Prototyping (15-day custom sample turnaround)
3).End-to-End Support from design to mass production
4).300+ Standard Designs for immediate sampling
drawing


Product Overview
This wide-angle M12 mount fixed focal lens (PN: JSD2520) is expertly engineered for 1/2.5-inch sensors, delivering immersive imaging with extensive coverage. With a short 2.5mm focal length and a bright F2.0 aperture, it provides a super-wide 156° field of view, making it ideal for panoramic surveillance, automotive vision, and VR applications. Featuring 5MP resolution, this lens captures sharp details across the entire image circle, ensuring reliable performance even in low-light environments thanks to its fast aperture.
Key Features & Benefits
5MP High Definition:Delivers clear, high-resolution imaging compatible with 5 Megapixel sensors, ensuring sharpness and detail retention for critical video analysis.
Super-Wide 156° FOV:Provides a massive field of view, allowing a single camera to cover entire rooms or broad outdoor areas, significantly reducing the need for multiple cameras and eliminating blind spots.
Bright F2.0 Aperture:The large F2.0 aperture allows more light to reach the sensor, providing superior image quality in low-light conditions and night-time monitoring.
Optimized for 1/2.5" Sensors:Engineered specifically for 1/2.5" image formats, ensuring full sensor coverage with a specialized optical design.
Broad Area Coverage:With distortion at <-16.64%, this lens offers a classic wide-angle perspective (fisheye effect), prioritizing maximum scene information and peripheral vision over linear geometry.
Compact Integration:Featuring a standard M12*P0.5 thread and a Total Track Length (TTL) of 17.51mm, it is designed for seamless integration into security domes, action cameras, and compact devices.
Applications
Panoramic Surveillance (180°/360° Cameras)
Automotive Rear View & ADAS
Action Cameras & Wearables
Virtual Reality (VR) Content Creation
Video Doorbells
Robotics & Drone Navigation
Conference Room Cameras
Specification
Parameter | Specification |
PN | JSD2520 |
Mount Type | M12 (S-Mount) * P0.5 |
Focal Length | 2.5mm |
Aperture | F2.0 |
Field of View (FOV) | 156° (Diagonal, for 1/2.5" Sensor) |
Resolution | True 5MP |
Compatible Sensor | 1/2.5"(e.g.PS5520) |
Image Circle | Φ7.4mm |
TTL (Total Track Length) | 17.51mm |
Back Focal Length | Contact for details |
Why Choose JSD Optoelectronics?
Shenzhen JSD Optoelectronics is a leading manufacturer of custom optical lenses, specializing in high-precision solutions since 2009. We offer:
1).ISO 9001 & IATF 16949 Certified Quality
2).Rapid Prototyping (15-day custom sample turnaround)
3).End-to-End Support from design to mass production
4).300+ Standard Designs for immediate sampling
drawing


Product Overview
This high-performance M12 mount fixed focal lens (PN: JSD2629) is expertly engineered for 1/2.3-inch sensors, delivering superior low-light performance and exceptional clarity. With a short 2.2mm focal length and a bright F1.8 aperture, it provides an impressive 124° ultra-wide field of view, making it ideal for wide-area surveillance, action cameras, and immersive panoramic capture. Featuring advanced optical correction with distortion < -4%, this lens ensures true-to-life images with straight lines, maintaining high sharpness across diverse lighting conditions.
Key Features & Benefits
Superior Low-Light Performance: Equipped with a large F1.8 aperture, this lens allows more light intake compared to standard F2.0 lenses, ensuring bright and clear imaging even in dim environments.
Perfect Sensor Match: Engineered specifically for 1/2.3" sensors, featuring an image circle designed to eliminate dark corners (vignetting) while fully utilizing the sensor's resolution capabilities.
Ultra-Wide 124° FOV: Provides an expansive field of view, ideal for covering large spaces, environmental monitoring, and wide-angle security tasks with minimal blind spots.
Low Distortion Optical Design: With optical distortion controlled at < -4%, it minimizes the "fisheye" effect typically seen in wide-angle lenses, maintaining accurate spatial representation.
Robust & Precise Build: Features a standard M12 thread and a TTL (Total Track Length) of 24mm, offering a solid optical structure that balances performance with ease of integration into housing units.
Manual Focus Compatibility: The threaded M12 design allows for manual focus adjustments during assembly, enabling precise focal tuning for optimal sharpness at specific object distances.
Applications
Wide-Area Security & Surveillance
Action Cameras & Sports Imaging
Video Conferencing Systems
Drone (UAV) & Aerial Imaging
Automotive ADAS / Dash Cams
Smart Home Monitoring
VR/AR Content Creation
Specification
Parameter | Specification |
PN | JSD2629 |
Mount Type | M12 (S-Mount) * P0.5 |
Focal Length | 2.2mm |
Aperture | F1.8 |
Field of View (FOV) | 124° (Diagonal, for 1/2.3" Sensor) |
Resolution | True 8MP |
Compatible Sensor | 1/2.3" (e.g. Sony IMX577) |
Image Circle | Φ7.5mm |
TTL (Total Track Length) | 24mm |
Back Focal Length | Contact for details |
Why Choose JSD Optoelectronics?
Shenzhen JSD Optoelectronics is a leading manufacturer of custom optical lenses, specializing in high-precision solutions since 2009. We offer:
1).ISO 9001 & IATF 16949 Certified Quality
2).Rapid Prototyping (15-day custom sample turnaround)
3).End-to-End Support from design to mass production
4).300+ Standard Designs for immediate sampling
drawing

This high-performance M12 mount fixed focal lens (PN: JSD3925) is expertly engineered for high-definition imaging sensors, delivering exceptional clarity and controlled distortion for advanced imaging applications. With a 3.05mm focal length and F2.6 aperture, it provides an ultra-wide 122° field of view, making it ideal for broad-area surveillance, immersive machine vision, and panoramic scene capture. Featuring a low distortion design (<-10%) and a robust TTL 17mm structure, this lens ensures superior image sharpness and consistent performance across diverse lighting conditions.
Key Features & Benefits
High-Definition Clarity: Delivers crisp, megapixel-class imaging with exceptional detail retention, ensuring clarity even in complex scenes.
Optimized Optical Specs: Features a fixed 3.05mm focal length and F2.6 aperture, providing a balanced depth of field and light intake suitable for various industrial and security environments.
Ultra-Wide 122° FOV: Provides an expansive field of view ideal for panoramic surveillance, environmental monitoring, and large-area scene capture with minimal blind spots.
Low Distortion Design: Advanced optical optimization achieves <-10% distortion, minimizing the "fish-eye" effect often found in wide-angle lenses and maintaining better straight-line accuracy.
Compact & Robust Build: Standard M12 Thread and a TTL (Total Track Length) of 17mm ensure seamless integration into space-constrained housings while maintaining mechanical durability.
Wide Application Versatility: Suited for broad-area monitoring, traffic scene analysis, indoor security, and machine vision tasks requiring wide coverage.
Applications
Wide-Area Surveillance
Intelligent Transportation Systems (ITS)
Machine Vision
Environmental Monitoring Systems
Smart City Applications
Drone & Aerial Imaging
Intrusion Detection Systems
Specification
Parameter | Specification |
PN | JSD3925 |
Mount Type | M12 (S-Mount) * P0.5 |
Focal Length | 3.05mm |
Aperture | F2.6 |
Field of View (FOV) | 122° (Diagonal, for 1/2" Sensor) |
Resolution | True 2MP |
Compatible Sensor | 1/2" (e.g. Sony IMX586) |
Image Circle | Φ8.8mm |
TTL (Total Track Length) | 17mm |
Back Focal Length | Contact for details |
Why Choose JSD Optoelectronics?
Shenzhen JSD Optoelectronics is a leading manufacturer of custom optical lenses, specializing in high-precision solutions since 2009. We offer:
1).ISO 9001 & IATF 16949 Certified Quality
2).Rapid Prototyping (15-day custom sample turnaround)
3).End-to-End Support from design to mass production
4).300+ Standard Designs for immediate sampling
drawing
