Autonomous Mobile Robots, AMRs
Optical lenses play a crucial role in Autonomous Mobile Robots (AMRs) because they provide essential imaging capabilities for the robot's vision system. AMRs rely on cameras and sensors to perceive their environment, navigate, and perform tasks, and high-quality optical lenses are the core components that ensure these systems operate efficiently.
Applications of AMR Optical Lenses:
1.Visual Navigation: Provide high-quality image input for SLAM (Simultaneous Localization and Mapping) systems.
2.QR Code/Barcode Recognition: Identify product labels in logistics and warehousing.
3.Object Detection and Classification: Recognize and classify parts or products in manufacturing.


This professional-grade M7 mount fixed focal length lens is precision-engineered for 1/4-inch sensors, delivering high-quality imaging in a compact form factor. With an ultra-wide 144° field of view facilitated by its 1.5mm focal length and F2.4 aperture, it is exceptionally suited for expansive scene coverage in confined spaces. The lens supports True 3MP resolution, ensuring detailed image capture, and features manual focus for precise adjustment to various working distances. Its wide-angle design is optimal for applications requiring maximum coverage from a single vantage point, making it a versatile solution for panoramic monitoring and immersive visual experiences
Perfectly compatible with the OmniVision OV7725 and other 1/4" sensors.
Key Features & Benefits
Ultra-Wide 144° FOV: With a very short focal length, this lens offers an extensive horizontal field of view, making it highly effective for monitoring large, expansive areas where maximum coverage from a single vantage point is crucial.
Wide-Angle Lens Design: The 144° angle is characteristic of a wide-angle lens, which is ideal for applications requiring a broad perspective, such as immersive monitoring or capturing panoramic scenes in confined spaces
Manual Focus Design (F2.4, 1.5mm): The large F2.4 aperture facilitates better performance in various lighting conditions by allowing more light to reach the sensor. Combined with manual focus, it offers users precise control over the focus distance to achieve optimal sharpness for specific scenarios and working distances
Optimized for 1/4" Sensor: The lens is engineered to be compatible with 1/4" image sensors, ensuring the image circle adequately covers the sensor area to help minimize vignetting and promote even illumination across the frame
Compact M7 Form Factor: Featuring a standard M7 mount, this lens is designed for compact and space-constrained imaging systems, facilitating easy integration into a variety of embedded vision applications and devices
Versatile Application Support: The combination of an ultra-wide 144° field of view and a compact design makes this lens suitable for a range of uses, including general wide-area surveillance, retail observation, and other scenarios where a broad overview is prioritized over extreme detail
Technical Specifications
Parameter | Specification |
PN | JSD4017 |
Mount Type | M7 (S-Mount) * P0.35 |
Focal Length | 1.5mm |
Aperture | F2.4 (Manual Iris) |
Field of View (FOV) | 144° (Diagonal, for 1/4" Sensor) |
Resolution | True 3MP |
Compatible Sensor | 1/4" (e.g., ONSemi OS08A20, Sony IMX334) |
Image Circle | Φ5.1mm |
TTL (Total Track Length) | 9.51mm |
Back Focal Length | Contact for details |
Applications
Intelligent Traffic Systems (ITS): Applicable for wide-area traffic monitoring at intersections or parking lots. The expansive 144° angle allows for capturing a broad overview of traffic flow and vehicle activity across multiple lanes, facilitating general traffic analysis and monitoring
HD Video Conferencing: Serves as a lens for video conferencing systems where an ultra-wide view is prioritized. The 144° FOV is ideal for small to medium-sized meeting rooms, ensuring all participants can be included in the frame without the need for a pan-tilt-zoom mechanism, promoting a more immersive meeting experience
Machine Vision: The 3MP resolution supports basic machine vision tasks where extreme high detail is not critical. It can be suitable for simpler visual inspections, presence verification, or applications where a wide view of a process or assembly line is more important than fine details . The manual focus allows for adjusting sharpness for specific working distances .
Facial Recognition Devices: Can be used in scenarios requiring a wide field of view for group presence or basic identification in access control or smart terminals. The wide angle is beneficial for capturing a broader area, such as an entrance zone, allowing for the observation of multiple individuals within proximity
Security & Surveillance: Suitable for general monitoring scenarios requiring wide-area coverage. The 144° ultra-wide field of view enables extensive area monitoring with a single lens, significantly reducing blind spots in environments like warehouses or large halls. The F2.4 aperture provides adequate light intake for various lighting conditions
Why Choose JSD Optoelectronics?
Shenzhen JSD Optoelectronics is a leading manufacturer of custom optical lenses, specializing in high-precision solutions since 2009. We offer:
1).ISO 9001 & IATF 16949 Certified Quality
2).Rapid Prototyping (15-day custom sample turnaround)
3).End-to-End Support from design to mass production
4).300+ Standard Designs for immediate sampling


Product Overview
This ultra-wide M12 mount fisheye lens is expertly engineered for 1/4-inch sensors, delivering immersive panoramic imaging for advanced visual applications. With an extremely short 0.94mm focal length and a bright F2.0 aperture, it provides a massive 195° field of view, making it the perfect solution for 360° surveillance, virtual reality (VR) capture, and automotive safety systems. Featuring 2MP resolution and a compact form factor, this lens ensures comprehensive area coverage with a single camera, significantly reducing the number of devices needed for blind-spot monitoring.
Perfectly compatible with the onsemi AR0141 and other 1/4" sensors.
Key Features & Benefits
Extreme 195° Ultra-Wide FOV:Offers a Super-Wide hemispherical field of view that exceeds standard limits, allowing for complete panoramic scene capture and elimination of blind spots.
High-Definition 2MP Resolution:Delivers sharp and clear video quality suitable for security monitoring, video doorbells, and situational awareness systems.
Bright F2.0 Aperture:Ensures excellent light intake, providing clear visibility in varying lighting environments, from indoor spaces to outdoor night monitoring.
Optimized Sensor Match:Designed specifically for 1/4" image sensors to maximize the image circle usage without dark corners in the active area.
Controlled Optical Distortion:With distortion controlled at <-14.9%, this lens is optimized for use with de-warping software and wide-angle algorithms to produce usable panoramic imagery.
Compact & Durable Architecture:Features a standard M12*P0.5 thread and a Total Track Length (TTL) of 13.96mm, allowing for easy integration into compact housings and discreet security devices.
Applications
360° Panoramic Surveillance
Virtual Reality (VR) & AR Content Creation
Automotive Surround View & Reversing Cameras
Smart Video Doorbells
Robotics & Obstacle Avoidance
Sports Action Cameras
Pipe & Pipeline Inspection
Specification
Parameter | Specification |
PN | JSD1921 |
Mount Type | M12 (S-Mount) * P0.5 |
Focal Length | 0.94mm |
Aperture | F2.0 |
Field of View (FOV) | 195° (Diagonal, for 1/4" Sensor) |
Resolution | True 2MP |
Compatible Sensor | 1/4" |
Image Circle | Φ3.7mm |
TTL (Total Track Length) | 13.96mm |
Back Focal Length | Contact for details |
Why Choose JSD Optoelectronics?
Shenzhen JSD Optoelectronics is a leading manufacturer of custom optical lenses, specializing in high-precision solutions since 2009. We offer:
1).ISO 9001 & IATF 16949 Certified Quality
2).Rapid Prototyping (15-day custom sample turnaround)
3).End-to-End Support from design to mass production
4).300+ Standard Designs for immediate sampling
drawing


This ultra-compact M8 mount fixed focal lens (PN: JSD5501) is precision-engineered for 1/4-inch image sensors, delivering high-definition performance in a miniature form factor. With a short 1.39mm focal length and F2.4 aperture, it provides an immersive, ultra-wide 166° field of view, making it an excellent choice for panoramic surveillance, VR/AR applications, and consumer electronics. Featuring 5MP resolution, this lens ensures sharp, clear imaging, while its incredibly short TTL (Total Track Length) of 9.5mm allows for seamless integration into the most space-constrained devices.
Perfectly compatible with the OmniVision OV5640 and other 1/4" sensors.
Key Features & Benefits
High-Definition 5MP Resolution: Delivers sharp 5MP imaging capability, ensuring excellent detail retention for compact camera modules and embedded vision systems.
Ultra-Wide 166° FOV: Offers a massive 166° field of view (Fisheye), enabling panoramic scene capture and situational awareness with a single lens, ideal for maximizing coverage in small spaces.
Compact M8 Mount Design:Featuring a standard M8 thread and an ultra-short TTL of 9.5mm, this lens is designed for lightweight, portable, and wearable devices where every millimeter counts.
Optimized for 1/4" Sensors: Specifically calculated for the 1/4" image circle, ensuring complete sensor coverage and optimal light transmission without dark corners.
Immersive Perspective: With a distortion profile of <-26.4%, this lens provides a wide, fisheye-style perspective that captures the periphery, essential for environmental monitoring and immersive video experiences.
Balanced Optical Performance: The F2.4 aperture provides a good balance between light intake and depth of field, suitable for various indoor and outdoor lighting environments.
Robust Miniature Build:Built to withstand the demands of industrial and consumer integration while maintaining a lightweight profile.
Applications
Smart Video Doorbells & Intercoms
VR/AR & Head-Mounted Displays
FPV Drones & Aerial Imaging
Automotive Dashcams & In-Cabin Monitoring
Robotics & Obstacle Avoidance
Wearable Cameras (Body Cams)
Miniature Surveillance & IoT Devices
Specification
Parameter | Specification |
PN | JSD5501 |
Mount Type | M8 (S-Mount) * P0.5 |
Focal Length | 1.39mm |
Aperture | F2.4 |
Field of View (FOV) | 166° (Diagonal, for 1/4" Sensor) |
Resolution | True 5MP |
Compatible Sensor | 1/4"(e.g.OV5640) |
Image Circle | Φ4.8mm |
TTL (Total Track Length) | 9.5mm |
Back Focal Length | Contact for details |
Why Choose JSD Optoelectronics?
Shenzhen JSD Optoelectronics is a leading manufacturer of custom optical lenses, specializing in high-precision solutions since 2009. We offer:
1).ISO 9001 & IATF 16949 Certified Quality
2).Rapid Prototyping (15-day custom sample turnaround)
3).End-to-End Support from design to mass production
4).300+ Standard Designs for immediate sampling
drawing


Product Overview
This ultra-miniature M7 mount fixed focal lens (PN: JSD4012) is expertly engineered for compact 1/4-inch image sensors, delivering reliable clarity in an incredibly small form factor. With a short 1.05mm focal length and F2.4 aperture, it provides an immersive, ultra-wide 145° field of view, making it ideal for applications requiring maximum coverage from a microscopic footprint. Featuring 2MP resolution and an ultra-short TTL of 8.69mm, this lens is perfect for integrating into lightweight, space-constrained devices such as wearables, medical equipment, and IoT sensors.
Perfectly compatible with the OmniVision OV9712 and other 1/4" sensors.
Key Features & Benefits
Reliable 2MP Resolution: Delivers clear High-Definition (HD) imaging, ensuring sufficient detail for monitoring, inspection, and video streaming applications on compact sensors.
Ultra-Wide 145° FOV: Provides an expansive 145° field of view, allowing for panoramic scene capture and broad situational awareness, significantly reducing blind spots in close-range monitoring.
Optimized for 1/4" Sensors:Engineered specifically to match the optical requirements of 1/4" sensors, eliminating vignetting and ensuring the sensor area is fully utilized for optimal image quality.
Miniature M7 Design:Featuring a standard M7 thread and a microscopicTTL (Total Track Length) of just 8.69mm, this lens allows for the creation of ultra-thin and lightweight camera modules.
Immersive Wide Perspective:With a distortion profile of <-30.55%, this lens utilizes a fisheye-style projection to capture a vast area, making it ideal for environmental monitoring and immersive viewing experiences.
Precise Focal Adjustment:The threaded M7 mount allows for fine manual tuning of the back focal length during assembly to ensure perfect sharpness for specific object distances.
Compact & Robust Build:Designed to withstand the rigors of portable and industrial use while maintaining the smallest possible physical profile.
Applications
Medical Endoscopes & Borescopes
Wearable Cameras (Body Cams, Smart Glasses)
Miniature IoT & Smart Home Devices
Pipe & Industrial Inspection
Compact Biometric Scanners
Miniature Drones (FPV)
Hidden/Covert Surveillance Systems
Specification
Parameter | Specification |
PN | JSD4012 |
Mount Type | M7 (S-Mount) * P0.35 |
Focal Length | 1.05mm |
Aperture | F2.4 |
Field of View (FOV) | 145° (Diagonal, for 1/4" Sensor) |
Resolution | True 2MP |
Compatible Sensor | 1/4" |
Image Circle | Φ4.8mm |
TTL (Total Track Length) | 8.69mm |
Back Focal Length | Contact for details |
Why Choose JSD Optoelectronics?
Shenzhen JSD Optoelectronics is a leading manufacturer of custom optical lenses, specializing in high-precision solutions since 2009. We offer:
1).ISO 9001 & IATF 16949 Certified Quality
2).Rapid Prototyping (15-day custom sample turnaround)
3).End-to-End Support from design to mass production
4).300+ Standard Designs for immediate sampling
drawing


Description
The JSD7524 is a medium-focal-length fixed-focus lens with a compact structure and a total track length (TTL) of 19.82 mm, compatible with 1/2.7-inch and 1/2.8-inch image sensors. It offers a horizontal field of view (HFOV) of 41°, which provides a relatively narrow perspective, making it more suitable for observing local details at medium to long distances. The lens exhibits excellent distortion control (Dis: 0.78% / < -0.67%), ensuring exceptional geometric fidelity in images and accurate reproduction of the subject's shape. This makes it highly suitable for scenarios requiring precise measurement. Equipped with a standard M12 threaded interface, it offers strong compatibility and facilitates easy installation and integration with various industrial cameras.
Perfectly compatible with the OmniVision OS03B10 and other 1/2.7'' sensors.
Application
Industrial Inspection and Machine Vision: Used for dimensional measurement of precision parts, surface defect inspection, positioning, and other links with extremely high requirements for image authenticity.
Security and Surveillance: Suitable for monitoring long and narrow areas such as corridors and exits, or for medium- to long-distance license plate and facial recognition (with corresponding focal lengths).
Intelligent Transportation Systems (ITS): Integrated into road surveillance systems to capture details such as lane conditions and vehicle characteristics.
Document Scanning and High-Precision Imaging: Used in scanners or other equipment requiring low distortion and high fidelity.
Specification
Model | JSD7524 |
Image sensor | 1/2.7" 1/2.8" |
Image Circle | 6.8mm |
Resolution | 5MP |
Focal Length | 7.5mm |
Aperture | F2.4 |
Distortion | <0.78% <0.67% |
FOV | DFOV 48° HFOV 42° VFOV 24° |


Product Overview
This high-performance M12 mount fixed focal lens is expertly engineered for 1/1.8-inch sensors, delivering exceptional clarity and zero distortion for precision imaging applications. With an 8mm focal length and F2.8 aperture, it provides a balanced 58° field of view, making it ideal for medium-range surveillance, targeted machine vision tasks, and focused scene capture. Featuring True 8MP resolution and manual focus for precise imaging control, this lens ensures superior image sharpness and zero distortion across diverse lighting conditions
Perfectly compatible with the SONY IMX334 and other 1/1.8" sensors.
Key Features & Benefits
True 8MP Resolution: Delivers crisp, high-definition 4K UHD imaging with exceptional detail retention, ensuring clarity even in complex scenes.
Manual Focus Control: Precise manual adjustment enables accurate focal tuning to match specific object distances, optimizing sharpness for critical applications.
Perfect Sensor Match: Engineered specifically for 1/1.8" sensors (e.g., ONSemi OS08A20), featuring a compatible image circle that eliminates vignetting and fully utilizes sensor capabilities.
Balanced 58° FOV: Provides a focused field of view ideal for medium-range surveillance, targeted machine vision tasks, and precise scene capture with optimal detail concentration.
Zero Distortion Design: Advanced optical optimization eliminates distortion across the entire image, maintaining geometric accuracy and true-to-life representations.
Compact & Robust Build: Standard M12*P0.5 thread and optimized TTL design ensure seamless integration into space-constrained devices while maintaining exceptional durability.
Versatile Application Performance: Suited for medium-range monitoring, object inspection, industrial quality control, and machine vision tasks requiring focused field coverage.
Technical Specifications
Parameter | Specification |
PN | JSD8028 |
Mount Type | M12 (S-Mount) * P0.5 |
Focal Length | 8mm |
Aperture | F2.8 |
Field of View (FOV) | 58° (Diagonal, for 1/1.8" Sensor) |
Resolution | True 8MP |
Compatible Sensor | 1/1.8" (e.g., ONSemi OS08A20, Sony IMX334,IMX678) |
Image Circle | Φ9.0mm |
TTL (Total Track Length) | 24.07mm |
Back Focal Length | Contact for details |
Applications
Medium-Range Surveillance: Targeted coverage for entrance monitoring, facility perimeters, and mid-distance security observation.
Industrial Inspection: Detailed examination of components, equipment monitoring, and focused quality control assessments.
Machine Vision: Precision inspection, targeted object measurement, and focused field defect detection.
Facial Recognition Systems: Optimized for controlled-distance identification, access control, and authentication terminals.
Retail Analytics: Customer behavior monitoring, point-of-sale area tracking, and focused traffic pattern analysis.
Traffic Monitoring: Lane-specific vehicle analysis, mid-range vehicle identification, and traffic pattern observation.
Building Security Systems: Focused area surveillance, hallway monitoring, and structured environment observation
Why Choose JSD Optoelectronics?
Shenzhen JSD Optoelectronics is a leading manufacturer of custom optical lenses, specializing in high-precision solutions since 2009. We offer:
1).ISO 9001 & IATF 16949 Certified Quality
2).Rapid Prototyping (15-day custom sample turnaround)
3).End-to-End Support from design to mass production
4).300+ Standard Designs for immediate sampling
drawing


Product Overview
This high-performance M12 mount fixed focal lens is expertly engineered for 1/1.8-inch sensors, delivering clear imaging and wide coverage for versatile imaging applications. With a 6.19mm focal length and F2.8 aperture, it provides a balanced 72° field of view, making it ideal for medium-range surveillance, environmental monitoring, and comprehensive scene capture. Featuring True 5MP resolution and manual focus for precise imaging control, this wide-angle lens ensures superior image sharpness and ultra-low distortion across diverse lighting conditions.
Perfectly compatible with the SONY IMX326 and other 1/1.8" sensors.
Key Features & Benefits
Perfect Sensor Match: Engineered specifically for 1/1.8" sensors (e.g., ONSemi OS08A20), featuring a compatible image circle that eliminates vignetting and fully utilizes sensor capabilities.
Manual Focus Control: Precise manual adjustment enables accurate focal tuning to match specific object distances, optimizing sharpness for critical applications.
Wide-Angle 72° FOV: Provides a balanced wide field of view ideal for medium-range surveillance, environmental monitoring, and expanded area coverage with minimal blind spots.
Versatile Wide-Angle Applications: Suited for medium-range monitoring, facility surveillance, industrial inspection, and machine vision tasks requiring balanced wide coverage.
Balanced Aperture Performance: Optimized F2.8 aperture provides versatile light gathering for both indoor and outdoor environments, ensuring consistent image quality.
Compact & Robust Build: Standard M12*P0.5 thread and optimized TTL design ensure seamless integration into space-constrained devices while maintaining exceptional durability.
Ultra-Low Distortion Optics: Advanced optical design minimizes distortion across the entire field of view, maintaining geometric accuracy and true-to-life image representation.
True 5MP Resolution: Delivers clear, high-quality imaging with reliable detail reproduction, ensuring crisp visuals for standard-definition applications.
Technical Specifications
Parameter | Specification |
PN | JSD6018 |
Mount Type | M12 (S-Mount) * P0.5 |
Focal Length | 6.19mm |
Aperture | F2.8 |
Field of View (FOV) | 72° (Diagonal, for 1/1.8" Sensor) |
Resolution | True 5MP |
Compatible Sensor | 1/1.8" (e.g., ONSemi OS08A20, Sony IMX334,IMX678) |
Image Circle | Φ9.0mm |
TTL (Total Track Length) | 23.14mm |
Back Focal Length | Contact for details |
Applications
Wide-Angle Imaging: Exceptional coverage for medium-range environments with 72° FOV, providing expansive scene capture and broad field observation with minimal blind spots.
Crowd Monitoring: Effective tracking of group movements in medium-density areas, gathering analysis, and expanded people monitoring with balanced perspective.
Facility Surveillance: Interior monitoring of medium to large rooms, open area security assessment, and structured environment observation.
Traffic Analysis: Vehicle tracking across multiple lanes, intersection coverage, and traffic flow observation with enhanced peripheral vision.
Perimeter Security: Enhanced coverage for site boundaries, fence lines, and extended security perimeters with broader visibility.
Industrial Inspection: Medium-range component examination, equipment monitoring, and quality control assessments with ultra-low distortion and balanced field of view.
Environmental Assessment: Panoramic scene capture, landscape monitoring, and situational awareness for comprehensive analysis.
Ultra-Low Distortion Imaging: Precision optical design maintains geometric accuracy with ultra-low distortion, ensuring true-to-life image representation.
Why Choose JSD Optoelectronics?
Shenzhen JSD Optoelectronics is a leading manufacturer of custom optical lenses, specializing in high-precision solutions since 2009. We offer:
1).ISO 9001 & IATF 16949 Certified Quality
2).Rapid Prototyping (15-day custom sample turnaround)
3).End-to-End Support from design to mass production
4).300+ Standard Designs for immediate sampling


Product Overview
This high-performance M12 mount fixed focal lens is expertly engineered for 1/1.8-inch sensors, delivering clear imaging and wide coverage for essential vision applications. With a 6mm focal length and F2.8 aperture, it provides a balanced 78° field of view, making it ideal for medium-range surveillance, facility monitoring, and general scene capture. Featuring True 2MP resolution and manual focus for precise imaging control, this wide-angle lens ensures reliable image quality and ultra-low distortion across various lighting conditions.
Perfectly compatible with the SONY IMX326 and other 1/1.8" sensors.
Key Features & Benefits
Compact & Robust Build: Standard M12*P0.5 thread and optimized TTL design ensure seamless integration into space-constrained devices while maintaining exceptional durability.
True 2MP Resolution: Delivers reliable, high-quality imaging with clear detail reproduction, ensuring crisp visuals for standard imaging applications.
Wide-Angle 78° FOV: Provides an expansive field of view ideal for broad-area surveillance, environmental monitoring, and scene coverage with minimal blind spots.
Manual Focus Control: Precise manual adjustment enables accurate focal tuning to match specific object distances, optimizing sharpness for critical applications.
Perfect Sensor Match: Engineered specifically for 1/1.8" sensors (e.g., ONSemi OS08A20, SONY IMX334), featuring a compatible image circle that eliminates vignetting and fully utilizes sensor capabilities.
Ultra-Low Distortion Optics: Advanced optical design minimizes distortion across the entire 78° field of view, maintaining geometric accuracy and true-to-life image representation.
Versatile Wide-Angle Applications: Suited for medium-range surveillance, facility monitoring, industrial inspection, and machine vision tasks requiring effective field coverage.
Balanced Aperture Performance: Optimized F2.8 aperture provides versatile light gathering for both indoor and outdoor environments, ensuring consistent image quality across diverse lighting conditions.
Technical Specifications
Parameter | Specification |
PN | JSD6010 |
Mount Type | M12 (S-Mount) * P0.5 |
Focal Length | 6mm |
Aperture | F2.8 |
Field of View (FOV) | 78° (Diagonal, for 1/1.8" Sensor) |
Resolution | True 2MP |
Compatible Sensor | 1/1.8" (e.g., ONSemi OS08A20, Sony IMX334,IMX678) |
Image Circle | Φ9mm |
TTL (Total Track Length) | 23.1mm |
Back Focal Length | Contact for details |
Applications
Perimeter Security: Enhanced coverage for site boundaries, fence lines, and extended security perimeters with broader visibility through wide-angle field.
Traffic Analysis: Vehicle tracking across multiple lanes, intersection coverage, and traffic flow observation with enhanced peripheral vision and 78° wide-angle awareness.
Crowd Monitoring: Effective tracking of group movements in medium density areas, gathering analysis, and expanded people monitoring with balanced wide perspective.
Wide-Angle Imaging: Exceptional coverage for medium-sized environments with 78° FOV, providing expansive scene capture and broad field observation with minimal blind spots.
Ultra-Low Distortion Imaging: Precision optical design maintains geometric accuracy with ultra-low distortion, ensuring true-to-life image representation across the entire 78° field of view.
Environmental Assessment: Panoramic scene capture, landscape monitoring, and situational awareness for comprehensive analysis with expansive field perspective.
Facility Surveillance: Interior monitoring of medium-sized rooms, open area security assessment, and structured environment observation with reliable coverage.
Industrial Inspection: Medium-range component examination, equipment monitoring, and quality control assessments with minimal image deformation and wide field coverage.
Why Choose JSD Optoelectronics?
Shenzhen JSD Optoelectronics is a leading manufacturer of custom optical lenses, specializing in high-precision solutions since 2009. We offer:
1).ISO 9001 & IATF 16949 Certified Quality
2).Rapid Prototyping (15-day custom sample turnaround)
3).End-to-End Support from design to mass production
4).300+ Standard Designs for immediate sampling


Product Overview
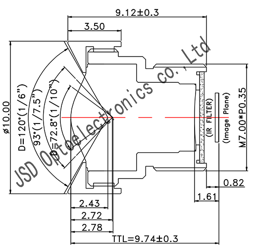
This ultra-miniature M7 mount fixed focal lens (PN: JSD1224) is expertly engineered for tiny 1/6-inch sensors, delivering high-resolution imaging in an incredibly compact form factor. With a short 1.17mm focal length and F2.4 aperture, it provides a broad 120° field of view, making it ideal for medical endoscopy, wearable technology, and embedded vision systems where space is at a premium. Featuring 5MP resolution and a lightweight design, this lens ensures sharp, detailed image capture and reliable performance for next-generation compact devices.
Perfectly compatible with the GalaxyCore GC0328 and other 1/6" sensors.
Key Features & Benefits
True 5MP Resolution:Precision-crafted to support high-density 5 Megapixel sensors, delivering exceptional detail and clarity despite its diminutive size, ideal for critical medical and inspection tasks.
Wide 120° FOV:Offers an expansive 120-degree field of view, allowing for comprehensive situational awareness and wide-area capture from a short working distance.
Miniature M7 Design:Features a small-format M7 thread with an ultra-short Total Track Length (TTL) of just 9.74mm, enabling seamless integration into the tightest mechanical constraints.
Optimized for 1/6" Sensors:Engineered specifically for 1/6" image sensors, utilizing the image circle efficiently to prevent vignetting and ensure uniform edge-to-edge sharpness.
Optical Precision:The F2.4 aperture and 1.17mm focal length provide a deep depth of field, ensuring subjects remain in focus across a useful range without the need for complex autofocus mechanisms.
Controlled Distortion:With distortion managed at <-10.52%, the lens provides a wide perspective with predictable optical characteristics, suitable for software correction if required.
Compact & Robust Build:Designed for durability and stability, this lens is perfect for portable and handheld devices that require rugged, high-performance optics.
Applications
Medical Endoscopes & Boroscopes
Miniature Inspection Cameras
Smart Glasses & Wearables
Compact Biometric Devices
Micro-Drones
IoT Vision Sensors
Dental Cameras
Specification
Parameter | Specification |
PN | JSD1224 |
Mount Type | M7 (S-Mount) * P0.35 |
Focal Length | 1.17mm |
Aperture | F2.4 |
Field of View (FOV) | 120° (Diagonal, for 1/6" Sensor) |
Resolution | True 5MP |
Compatible Sensor | 1/6" |
Image Circle | Φ3.2mm |
TTL (Total Track Length) | 9.74mm |
Back Focal Length | Contact for details |
Why Choose JSD Optoelectronics?
Shenzhen JSD Optoelectronics is a leading manufacturer of custom optical lenses, specializing in high-precision solutions since 2009. We offer:
1).ISO 9001 & IATF 16949 Certified Quality
2).Rapid Prototyping (15-day custom sample turnaround)
3).End-to-End Support from design to mass production
4).300+ Standard Designs for immediate sampling
drawing


Product Overview
This ultra-miniature M7 mount fixed focal lens (PN: JSD3028) is expertly engineered for compact 1/6.5-inch sensors, delivering massive scene coverage in a tiny form factor. With a short 0.9mm focal length and F2.8 aperture, it provides an impressive 154° ultra-wide field of view, making it ideal for medical endoscopy, micro-inspection, and compact wearable devices. Featuring 2MP resolution and an incredibly short Total Track Length (TTL) of just 7.6mm, this lens ensures high-quality imaging performance in the smallest of spaces.
Perfectly compatible with the GalaxyCore GC0308 and other 1/6.5" sensors.
Key Features & Benefits
2MP HD Resolution:Designed to support 2 Megapixel sensors, ensuring clear and detailed image capture suitable for medical diagnostics and precision inspection tasks.
Ultra-Wide 154° FOV:Offers an expansive 154-degree field of view, maximizing the visible area to capture a comprehensive picture from a very short working distance.
Micro M7 Form Factor:Features a standard M7 thread with an ultra-compact TTL of 7.6mm, specifically designed for seamless integration into space-critical devices like catheters or micro-drones.
Optimized for 1/6.5" Sensors:Precision-engineered to match the 1/6.5-inch image circle, ensuring optimal light projection onto small-format sensors without vignetting.
Broad Area Coverage:The optical design prioritizes field of view (Distortion <25.9%), allowing users to see peripheral details that standard lenses miss, essential for navigation inside tight spaces.
F2.8 Aperture:Provides a balanced aperture for sufficient light intake while maintaining a deep depth of field, keeping objects in focus across a useful range.
Robust & Miniature:Despite its tiny size, the lens is built for durability and reliability in demanding environments ranging from industrial pipes to the human body.
Applications
Medical Endoscopes & Gastroscopes
Dental Intraoral Cameras
Industrial Pipe Inspection (Borescopes)
Micro-UAVs / Nano Drones
Wearable Smart Devices
Miniature Robotics
IoT Compact Sensors
Specification
Parameter | Specification |
PN | JSD3028 |
Mount Type | M7 (S-Mount) * P0.35 |
Focal Length | 0.9mm |
Aperture | F2.8 |
Field of View (FOV) | 154° (Diagonal, for 1/6.5" Sensor) |
Resolution | True 2MP |
Compatible Sensor | 1/6.5"(e.g.GC0308) |
Image Circle | Φ2.9mm |
TTL (Total Track Length) | 7.6mm |
Back Focal Length | Contact for details |
Why Choose JSD Optoelectronics?
Shenzhen JSD Optoelectronics is a leading manufacturer of custom optical lenses, specializing in high-precision solutions since 2009. We offer:
1).ISO 9001 & IATF 16949 Certified Quality
2).Rapid Prototyping (15-day custom sample turnaround)
3).End-to-End Support from design to mass production
4).300+ Standard Designs for immediate sampling
drawing


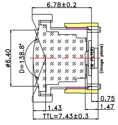
Product Overview
This ultra-miniature M7 mount fixed focal lens (PN: JSD6886) is expertly engineered for extremely small 1/9-inch sensors, delivering broad scene coverage in a microscopic form factor. With a short 0.81mm focal length and F2.2 aperture, it provides an expansive 138° field of view, making it the perfect solution for medical endoscopy, catheter imaging, and precision industrial inspection where space is severely limited. Featuring 2MP resolution and an ultra-short Total Track Length (TTL) of just 7.43mm, this lens ensures high-quality imaging performance for the smallest available electronic devices.
Perfectly compatible with the OmniVision OV9734 and other 1/9" sensors.
Key Features & Benefits
2MP HD Resolution:Precision-crafted to support 2 Megapixel micro-sensors, delivering clear and distinct images essential for medical diagnostics and detailed micro-inspection.
Ultra-Wide 138° FOV:Offers a broad 138-degree field of view, allowing for comprehensive visualization inside cavities, pipes, or tight enclosures with a single camera module.
Micro M7 Form Factor:Features a standard M7 thread with an incredibly compact TTL of 7.43mm, enabling integration into ultra-thin probes, medical scopes, and wearable electronics.
Optimized for 1/9" Sensors:Engineered specifically for 1/9" image sensors, ensuring the optical projection matches the tiny active area of the sensor to prevent vignetting and maximize clarity.
Broad Area Coverage:With distortion controlled at <18.7%, the lens prioritizes field of view to capture peripheral details, which is critical for navigation and orientation in confined spaces.
F2.2 Aperture:The F2.2 aperture provides a good balance between light intake and depth of field, ensuring objects remain in focus across the necessary working distance.
Compact & Robust Build:Designed for reliability, this lens offers a stable optical solution for disposable or reusable medical devices and industrial borescopes.
Applications
Medical Endoscopes & Catheters
Dental Intraoral Cameras
Disposable Medical Imaging Devices
Industrial Borescopes (Pipe Inspection)
Micro-Robotics
Veterinary Scopes
Ultra-Compact IoT Sensors
Specification
Parameter | Specification |
PN | JSD6886 |
Mount Type | M7 (S-Mount) * P0.35 |
Focal Length | 0.81mm |
Aperture | F2.2 |
Field of View (FOV) | 138° (Diagonal, for 1/9" Sensor) |
Resolution | True 2MP |
Compatible Sensor | 1/9" |
Image Circle | Φ2.4mm |
TTL (Total Track Length) | 7.43mm |
Back Focal Length | Contact for details |
Why Choose JSD Optoelectronics?
Shenzhen JSD Optoelectronics is a leading manufacturer of custom optical lenses, specializing in high-precision solutions since 2009. We offer:
1).ISO 9001 & IATF 16949 Certified Quality
2).Rapid Prototyping (15-day custom sample turnaround)
3).End-to-End Support from design to mass production
4).300+ Standard Designs for immediate sampling
drawing


Product Overview
This specialized M12 mount fixed focal lens (PN: JSD0326) is expertly engineered for ultra-miniature 1/15-inch sensors, bridging the gap between standard mounting hardware and microscopic imaging. With an extremely short 0.27mm focal length and F2.6 aperture, it provides an ultra-wide 134° field of view. Featuring an incredibly low profile with a Total Track Length (TTL) of just 3.75mm and 2MP resolution, this lens is ideal for medical endoscopy, specialized industrial inspection, and compact sensor applications requiring a standard M12 interface for tiny sensor formats.
Perfectly compatible with the OmniVision OVM6946 and other 1/15" sensors.
Key Features & Benefits
2MP High Resolution:Optimized to support 2 Megapixel micro-sensors, ensuring sharp, high-definition imaging capabilities essential for detailed diagnostics and precision monitoring.
Ultra-Wide 134° FOV:Delivers an expansive 134-degree field of view, allowing for broad situational awareness and comprehensive coverage in tight spaces or cavities.
Specialized for 1/15" Sensors:Precision-optics designed specifically for the tiny 1/15-inch image circle, ensuring the image is correctly projected without vignetting while using a standard mount.
Extremely Short Focal Length (0.27mm):The micro-optical design allows for a very close working distance and wide coverage, typical of advanced medical and industrial scopes.
Low Distortion Design (<-6.23%):Despite the wide angle, the lens maintains varying distortion below -6.23%, offering a natural and accurate representation of the scene with minimal warping.
Ultra-Compact TTL (3.75mm):With a Total Track Length of only 3.75mm, this lens is incredibly thin, making it perfect for devices where internal depth is severely restricted.
Standard M12 Mount:Houses micro-optics within a standard M12*P0.5 threaded barrel, allowing for easy integration into standard board camera holders and fixtures.
Applications
Medical Endoscopy & Borescopes
Dental Intraoral Cameras
Micro-Industrial Inspection
Bio-Imaging Sensors
Compact Robotics Vision
IoT Vision Modules
Scientific Research Instruments
Specification
Parameter | Specification |
PN | JSD0326 |
Mount Type | M12 (S-Mount) * P0.5 |
Focal Length | 0.27mm |
Aperture | F2.6 |
Field of View (FOV) | 134° (Diagonal, for 1/15" Sensor) |
Resolution | True 2MP |
Compatible Sensor | 1/15" |
Image Circle | Φ1.2mm |
TTL (Total Track Length) | 3.75mm |
Back Focal Length | Contact for details |
Why Choose JSD Optoelectronics?
Shenzhen JSD Optoelectronics is a leading manufacturer of custom optical lenses, specializing in high-precision solutions since 2009. We offer:
1).ISO 9001 & IATF 16949 Certified Quality
2).Rapid Prototyping (15-day custom sample turnaround)
3).End-to-End Support from design to mass production
4).300+ Standard Designs for immediate sampling
drawing


Product Overview
This ultra-fast M8 mount fixed focal lens (PN: JSD9200) is expertly engineered for compact 1/5-inch sensors, delivering superior low-light performance and expansive coverage. With an extremely short 0.81mm focal length and an impressive F1.1 aperture, it provides an ultra-wide 140° field of view while allowing maximum light intake. This makes it ideal for night vision applications, automotive monitoring, and compact consumer electronics that require clear imaging in dimly lit environments. Featuring 2MP resolution and a compact M8 design, this lens ensures reliable sharpness and controlled distortion for advanced miniature imaging tasks.
Perfectly compatible with the GalaxyCore GC0308 and other 1/5" sensors.
Key Features & Benefits
Super Bright F1.1 Aperture:Features an exceptionally large F1.1 aperture, allowing significantly more light to reach the sensor compared to standard lenses. This ensures superior image clarity and reduced noise in low-light or night-time conditions.
2MP HD Resolution:Optimized for 2 Megapixel sensors, delivering crisp and defined imaging suitable for security, automotive, and IoT applications.
Ultra-Wide 140° FOV:Offers a broad 140-degree field of view, maximizing scene coverage and situational awareness, perfect for environmental monitoring and interior cabin surveillance.
Perfect Sensor Match:Engineered specifically for 1/5" sensors, ensuring the wide-angle image is fully projected without vignetting, maximizing the efficiency of the image sensor.
Low Distortion Design (<5.6%):Despite the ultra-wide angle, the optical design maintains distortion at less than 5.6%, providing a balanced and usable image with minimal warping.
Compact M8 Build:Features a standard M8 thread with a Total Track Length (TTL) of 12.1mm, making it a robust solution for space-constrained devices that require high-performance optics.
Applications
Low-Light/Night Vision Security
Driver Monitoring Systems (DMS)
Automotive Interior Cameras
Baby Monitors & Nanny Cams
Compact Action Cameras
IoT Vision Systems
Robotics Navigation
Specification
Parameter | Specification |
PN | JSD9200 |
Mount Type | M8 (S-Mount) * P0.35 |
Focal Length | 0.81mm |
Aperture | F1.1 |
Field of View (FOV) | 140° (Diagonal, for 1/5" Sensor) |
Resolution | True 2MP |
Compatible Sensor | 1/5"(e.g.OV7740) |
Image Circle | Φ4.3mm |
TTL (Total Track Length) | 12.1mm |
Back Focal Length | Contact for details |
Why Choose JSD Optoelectronics?
Shenzhen JSD Optoelectronics is a leading manufacturer of custom optical lenses, specializing in high-precision solutions since 2009. We offer:
1).ISO 9001 & IATF 16949 Certified Quality
2).Rapid Prototyping (15-day custom sample turnaround)
3).End-to-End Support from design to mass production
4).300+ Standard Designs for immediate sampling
drawing


Product Overview
This ultra-compact M7 mount fixed focal lens (PN: JSD1120) is expertly engineered for miniature 1/5-inch sensors, delivering expansive coverage and reliable clarity for space-constrained imaging applications. With an extremely short 1.1mm focal length and a bright F2.0 aperture, it provides a massive 164° field of view, making it ideal for immersive visual systems, medical devices, and compact monitoring tools. Featuring 2MP resolution and a tiny form factor, this lens ensures superior scene capture capabilities where standard lenses cannot fit.
Perfectly compatible with the GalaxyCore GC02M2 and other 1/5" sensors.
Key Features & Benefits
2MP HD Resolution:Designed to support 2 Megapixel sensors, offering sharp image definition and detail suitable for miniature cameras and endoscopic applications.
Ultra-Wide 164° FOV:Provides a massive 164-degree field of view, allowing for panoramic scene capture and immersive imaging with a single lens.
Miniature M7 Mount:Features a specialized, small-format M7 thread with a Total Track Length (TTL) of just 10mm, specifically designed for ultra-compact devices and embedded systems.
Perfect Sensor Match:Engineered specifically for 1/5" sensors, ensuring the 164° view is fully projected onto the sensor with a compatible image circle.
Bright F2.0 Aperture:The wide aperture allows for excellent light intake, ensuring clear performance even in challenging or low-light environments.
Controlled Optical Design:With distortion controlled at <-17.58%, the lens balances an extreme wide-angle perspective with image usability, typical for fisheye-style micro lenses.
Wide Application Versatility:Perfectly suited for miniature electronics, medical imaging, and industrial inspection tasks requiring maximum coverage in minimum space.
Applications
Medical Endoscopes & Boroscopes
Miniature Surveillance Cameras
Wearable Body Cameras
Drone FPV (First Person View) Systems
IoT Sensors & Smart Home Devices
Industrial Inspection (Pipe/Tube cameras)
Automotive Interior Monitoring
Specification
Parameter | Specification |
PN | JSD1120 |
Mount Type | M7 (S-Mount) * P0.35 |
Focal Length | 1.1mm |
Aperture | F2.0 |
Field of View (FOV) | 164° (Diagonal, for 1/5" Sensor) |
Resolution | True 2MP |
Compatible Sensor | 1/5"(e.g.GC02M2) |
Image Circle | Φ3.7mm |
TTL (Total Track Length) | 10mm |
Back Focal Length | Contact for details |
Why Choose JSD Optoelectronics?
Shenzhen JSD Optoelectronics is a leading manufacturer of custom optical lenses, specializing in high-precision solutions since 2009. We offer:
1).ISO 9001 & IATF 16949 Certified Quality
2).Rapid Prototyping (15-day custom sample turnaround)
3).End-to-End Support from design to mass production
4).300+ Standard Designs for immediate sampling
drawing


Product Overview
This compact M12 mount fixed focal lens (PN: JSD4018) is expertly engineered for 1/4-inch sensors, delivering reliable clarity and expansive coverage for compact imaging applications. With a short 1.15mm focal length and F2.4 aperture, it provides an ultra-wide 135° field of view, making it ideal for smart home devices, automotive safety, and wide-area indoor monitoring. Featuring 2MP resolution and a specialized optical design that keeps distortion below -9%, this lens ensures comprehensive scene capture with balanced image quality in a robust, space-saving form factor.
Perfectly compatible with the OmniVision OV9712 and other 1/4" sensors.
Key Features & Benefits
2MP HD Resolution:Designed to support 2 Megapixel sensors, delivering clear and defined images suitable for standard definition security and monitoring needs.
Ultra-Wide 135° FOV:Offers a broad 135-degree field of view, significantly expanding the monitoring area to capture peripheral details and reduce blind spots.
Optimized for 1/4" Sensors:Precision-crafted to match the 1/4-inch image circle, ensuring full sensor utilization without vignetting (dark corners) for uniform brightness.
Controlled Distortion (<-9%):despite the ultra-wide angle, the optical design maintains distortion at less than -9%, providing a natural viewing experience compared to standard fisheye lenses.
Compact M12 Design:Features a standard M12 thread with a Total Track Length (TTL) of just 13.86mm, allowing for seamless integration into small-footprint devices and housings.
Fixed Focal Precision:The F2.4 aperture combined with the fixed focal length ensures a deep depth of field, keeping objects in focus across a wide range of distances without the need for constant adjustment.
Applications
Video Doorbells & Smart Locks
Automotive Rear-View Cameras
Dash Cams
Indoor Nanny Cams & Pet Monitors
IoT Imaging Devices
Compact Security Systems
Robotics Obstacle Avoidance
Specification
Parameter | Specification |
PN | JSD4018 |
Mount Type | M12 (S-Mount) * P0.5 |
Focal Length | 1.15mm |
Aperture | F2.4 |
Field of View (FOV) | 135° (Diagonal, for 1/4" Sensor) |
Resolution | True 2MP |
Compatible Sensor | 1/4"(e.g.OV9712) |
Image Circle | Φ5.2mm |
TTL (Total Track Length) | 13.86mm |
Back Focal Length | Contact for details |
Why Choose JSD Optoelectronics?
Shenzhen JSD Optoelectronics is a leading manufacturer of custom optical lenses, specializing in high-precision solutions since 2009. We offer:
1).ISO 9001 & IATF 16949 Certified Quality
2).Rapid Prototyping (15-day custom sample turnaround)
3).End-to-End Support from design to mass production
4).300+ Standard Designs for immediate sampling
drawing


Product Overview
This compact M7 mount fixed focal lens is expertly engineered for 1/4-inch sensors, delivering reliable clarity and geometric accuracy for compact imaging applications. With a 4.19mm focal length and F2.6 aperture, it provides a natural 70° field of view, making it ideal for biometric recognition, video communication, and targeted monitoring. Featuring 1MP resolution and a controlled distortion design, this lens ensures balanced image quality and precise subject representation within a lightweight, space-saving form factor.
Key Features & Benefits
Reliable 1MP Resolution:Delivers clear imaging with sufficient detail for recognition tasks, video conferencing, and standard machine vision analysis.
Natural 70° FOV:Provides a focused field of view (70° Diagonal) that offers a natural perspective without extreme wide-angle deformation, perfect for face scanning and object detection.
Perfect Sensor Match:Optimized specifically for 1/4" image sensors, ensuring full image circle coverage and maximizing sensor performance in small-scale devices.
Low Distortion Design:Advanced optical engineering maintains distortion below -6.77%, ensuring straight-line accuracy and true-to-life image representation for scanning and inspection needs.
Compact M7 Architecture:Featuring a standard M7 thread and a Total Track Length (TTL) of just 11.87mm, this lens is designed for seamless integration into portable, handheld, and space-constrained IoT hardware.
Balanced Optical Performance:The F2.6 aperture offers a practical balance between depth of field and light sensitivity, suitable for diverse indoor lighting conditions.
Applications
Biometric Recognition (Face/Iris)
Video Conferencing & Webcams
Handheld Scanners & Barcode Readers
IoT Smart Home Devices
Indoor Security Monitoring
Embedded Vision Systems
Specification
Parameter | Specification |
PN | JSD0221 |
Mount Type | M7 (S-Mount) |
Focal Length | 4.19mm |
Aperture | F2.6 |
Field of View (FOV) | 70° (Diagonal, for 1/4" Sensor) |
Resolution | True 1MP |
Compatible Sensor | 1/4" |
Image Circle | Φ4.7mm |
TTL (Total Track Length) | 11.87mm |
Back Focal Length | Contact for details |
Why Choose JSD Optoelectronics?
Shenzhen JSD Optoelectronics is a leading manufacturer of custom optical lenses, specializing in high-precision solutions since 2009. We offer:
1).ISO 9001 & IATF 16949 Certified Quality
2).Rapid Prototyping (15-day custom sample turnaround)
3).End-to-End Support from design to mass production
4).300+ Standard Designs for immediate sampling
drawing


Product Overview
This specialized M12 mount fisheye lens (PN: JSD8016) is expertly engineered for 1/3-inch image sensors, delivering immersive panoramic imaging with extreme coverage. With an ultra-short 1.43mm focal length and F2.0 aperture, it provides a massive 200° field of view, exceeding the standard hemispherical limit to eliminate blind spots effectively. Featuring 5MP resolution support, this lens is the ideal solution for 360° surveillance, VR content creation, and robotic navigation, ensuring sharp image capture and comprehensive scene awareness.
Perfectly compatible with the SONY IMX225 and other 1/3" sensors.
Key Features & Benefits
Extreme 200° Ultra-Wide FOV:Delivers a super-wide fisheye perspective with a 200° field of view, allowing for complete panoramic surveillance (ceiling mount) or immersive 360° video capture with zero blind spots.
5MP High-Definition Resolution:Optimized to support 5 Megapixel sensors, providing high-clarity imaging essential for distinguishing details in wide-angle scenes.
Perfect Sensor Match:Designed specifically for 1/3" image formats, featuring an image circle tailored to fully utilize the sensor area without unexpected cropping.
Bright F2.0 Aperture:The F2.0 aperture ensures efficient light intake, maintaining image brightness and quality even in variable lighting environments.
Compact Fisheye Design:With a Total Track Length (TTL) of just 14.5mm and standard M12 thread, this lens offers a compact profile suitable for small form-factor devices like VR cameras and drones.
Controlled Optical Performance:Engineered with characteristic fisheye distortion (<-22%) typical for this focal length, optimized to maximize field coverage for software de-warping or raw hemispherical viewing.
Applications
360° Panoramic Surveillance (Ceiling/Wall Mount)
Virtual Reality (VR) & Augmented Reality (AR) Cameras
Immersive Video Conferencing
Robotics & SLAM (Simultaneous Localization and Mapping)
Automotive Surround View Systems
Drone & Aerial 360° Imaging
Smart Home Security
Specification
Parameter | Specification |
PN | JSD8016 |
Mount Type | M12 (S-Mount) * P0.5 |
Focal Length | 1.43mm |
Aperture | F2.0 |
Field of View (FOV) | 200° (Diagonal, for 1/3" Sensor) |
Resolution | True 5MP |
Compatible Sensor | 1/3"(e.g.OS04C10) |
Image Circle | Φ3.6mm |
TTL (Total Track Length) | 14.5mm |
Back Focal Length | Contact for details |
Why Choose JSD Optoelectronics?
Shenzhen JSD Optoelectronics is a leading manufacturer of custom optical lenses, specializing in high-precision solutions since 2009. We offer:
1).ISO 9001 & IATF 16949 Certified Quality
2).Rapid Prototyping (15-day custom sample turnaround)
3).End-to-End Support from design to mass production
4).300+ Standard Designs for immediate sampling
drawing


Product Overview
This precision M12 mount fixed focal lens (Model: JSD5019) is expertly engineered for 1/2.8-inch sensors, focusing on delivering geometrically accurate images with virtually no distortion. With a 5mm focal length and F2.4 aperture, it provides a standard 58° field of view, closely mimicking the human eye's natural perspective. This makes it ideal for biometric recognition, optical inspection, and standard security monitoring where object fidelity is paramount. Featuring 2MP resolution and an advanced low-distortion optical design (<-0.94%), this lens ensures straight lines remain straight, eliminating the "fish-eye" effect common in wider lenses.
Perfectly compatible with the SONY IMX307 and other 1/2.8" sensors.
Key Features & Benefits
2MP High Definition:Delivers clear, reliable HD imaging suitable for standard video streams, video conferencing, and object recognition tasks.
Ultra-Low Distortion (<-0.94%):Advanced optical correction minimizes barrel distortion to less than 1%. This ensures high dimensional accuracy and true-to-life image representation, critical for machine vision measurement and text recognition (OCR).
Standard 58° FOV:Provides a focused field of view that balances coverage with detail. Unlike wide-angle lenses, it offers higher pixel density on the target object, making it perfect for facial recognition and specific area monitoring.
Perfect Sensor Match:Engineered specifically for 1/2.8" sensors, ensuring the image circle aligns perfectly with the sensor active area for consistent edge-to-edge sharpness.
Manual Focus Capable:The standard M12 mount allows for precise manual focus adjustments to suit specific working distances, from close-up inspection to mid-range surveillance.
Compact & Robust Build:Featuring a standard M12*P0.5 thread and a compact TTL of 14mm, this lens integrates seamlessly into scanning devices, handheld instruments, and compact cameras.
Applications
Facial Recognition & Biometrics
Industrial Inspection & Machine Vision
Document Scanning & OCR (Optical Character Recognition)
Video Conferencing Cameras
Standard Security Surveillance
QR Code/Barcode Scanners
Handheld Imaging Devices
Specification
Parameter | Specification |
PN | JSD5019 |
Mount Type | M12 (S-Mount) * P0.5 |
Focal Length | 5mm |
Aperture | F2.4 |
Field of View (FOV) | 65° (Diagonal, for 1/2.8" Sensor) |
Resolution | True 2MP |
Compatible Sensor | 1/2.8"(e.g.IMX307) |
Image Circle | Φ6.6mm |
TTL (Total Track Length) | 14mm |
Back Focal Length | Contact for details |
Why Choose JSD Optoelectronics?
Shenzhen JSD Optoelectronics is a leading manufacturer of custom optical lenses, specializing in high-precision solutions since 2009. We offer:
1).ISO 9001 & IATF 16949 Certified Quality
2).Rapid Prototyping (15-day custom sample turnaround)
3).End-to-End Support from design to mass production
4).300+ Standard Designs for immediate sampling
drawing


Product Overview
This precision-engineered M12 mount fixed focal lens (Model: JSD5038) is designed specifically for 1/2.8-inch sensors, offering optical excellence where geometric accuracy is paramount. With a 6mm focal length and F2.4 aperture, it delivers a focused 56° field of view, providing a natural perspective similar to the human eye. Featuring 2MP resolution and an ultra-low distortion design (<-0.5%), this lens is the ideal solution for machine vision, text recognition, and biometric applications where straight lines must remain straight and image fidelity is critical.
Perfectly compatible with the SONY IMX307 and other 1/2.8" sensors.
Key Features & Benefits
2MP High Definition:Provides clear and reliable HD imaging, ensuring sufficient resolution for object identification, barcode scanning, and standard security feeds.
Ultra-Low Distortion (<-0.5%):Boasts superior optical correction with virtually zero distortion. This ensures that straight lines remain perfectly straight, eliminating the "barrel" effect and making it perfect for measurement and OCR (Optical Character Recognition) tasks.
Standard 56° FOV:Offers a narrower, more focused field of view compared to wide-angle lenses. This increases the pixel density on the target object, enhancing detail for facial recognition or license plate capture at medium distances.
Perfect Sensor Match:Optimized for 1/2.8" sensors, ensuring a perfectly aligned image circle that delivers consistent sharpness from the center to the edges without vignetting.
Manual Focus Control:The standard M12 mount allows for precise manual focus tuning, enabling users to optimize sharpness for specific working distances in embedded systems.
Compact & Robust Design:With a standard M12*P0.5 thread and a compact TTL of 14mm, this lens is easily integrated into handheld devices, industrial cameras, and space-constrained housings.
Applications
Facial Recognition & Biometrics
Industrial Inspection & Automation
Document Scanning & OCR
QR Code & Barcode Readers
License Plate Recognition (LPR) for Parking
Video Conferencing (Personal view)
Medical Imaging Devices
Specification
Parameter | Specification |
PN | JSD5038 |
Mount Type | M12 (S-Mount) * P0.5 |
Focal Length | 6mm |
Aperture | F2.4 |
Field of View (FOV) | 56° (Diagonal, for 1/2.8" Sensor) |
Resolution | True 2MP |
Compatible Sensor | 1/2.8"(e.g.IMX307) |
Image Circle | Φ7mm |
TTL (Total Track Length) | 14mm |
Back Focal Length | Contact for details |
Why Choose JSD Optoelectronics?
Shenzhen JSD Optoelectronics is a leading manufacturer of custom optical lenses, specializing in high-precision solutions since 2009. We offer:
1).ISO 9001 & IATF 16949 Certified Quality
2).Rapid Prototyping (15-day custom sample turnaround)
3).End-to-End Support from design to mass production
4).300+ Standard Designs for immediate sampling
drawing


Product Overview
This precision-engineered M12 mount fixed focal lens (PN: JSD8020) is expertly designed for 1/2.5-inch sensors, delivering superior clarity and geometric accuracy for targeted imaging applications. With an 8mm focal length and a bright F2.0 aperture, it provides a focused 48° field of view, making it ideal for long-distance surveillance, license plate recognition (LPR), and detailed industrial inspection. Featuring 5MP high resolution and an ultra-low distortion rate of less than 0.54%, this lens ensures true-to-life image representation and exceptional sharpness, even in challenging lighting conditions.
Perfectly compatible with the SONY IMX274 and other 1/2.5" sensors.
Key Features & Benefits
5MP High-Definition Resolution:Delivers crisp, high-quality imaging optimized for 5 Megapixel sensors, ensuring distinct detail retention crucial for identifying faces or reading text at a distance.
Ultra-Low Distortion (<0.54%):Advanced optical design virtually eliminates barrel distortion (<0.54%), maintaining straight-line accuracy and true spatial representation, which is critical for measurement and recognition tasks.
Focused 48° Field of View:Provides a standard, natural viewing angle that minimizes perspective distortion, making it perfect for monitoring specific targets, hallways, or checkpoints rather than broad areas.
Bright F2.0 Aperture:The large aperture allows for excellent light intake, ensuring superior performance in low-light environments and maintaining fast shutter speeds for moving objects.
Perfect Sensor Match:Engineered specifically for 1/2.5" sensors, utilizing the full image circle to eliminate vignetting and maximize the sensor's potential.
Robust & Precise Build:Features a standard M12*P0.5 thread and a Total Track Length (TTL) of 21.8mm, offering a durable and stable optical alignment for industrial and security devices.
Applications
License Plate Recognition (LPR/ANPR)
Facial Recognition & Biometrics
Checkpoint & Corridor Surveillance
Industrial Defect Inspection
Video Conferencing (Telepresence)
Scanner & OCR Devices
Object Tracking Systems
Specification
Parameter | Specification |
PN | JSD8020 |
Mount Type | M12 (S-Mount) * P0.5 |
Focal Length | 8mm |
Aperture | F2.0 |
Field of View (FOV) | 48° (Diagonal, for 1/2.5" Sensor) |
Resolution | True 5MP |
Compatible Sensor | 1/2.5" |
Image Circle | Φ8mm |
TTL (Total Track Length) | 21.8mm |
Back Focal Length | Contact for details |
Why Choose JSD Optoelectronics?
Shenzhen JSD Optoelectronics is a leading manufacturer of custom optical lenses, specializing in high-precision solutions since 2009. We offer:
1).ISO 9001 & IATF 16949 Certified Quality
2).Rapid Prototyping (15-day custom sample turnaround)
3).End-to-End Support from design to mass production
4).300+ Standard Designs for immediate sampling
drawing


Product Overview
The JSD4008 is a specialized M12 S-Mount fixed focal lens, expertly engineered for 1/2.5-inch image sensors to deliver high-clarity imaging in space-constrained devices. With a 7.15mm focal length and F2.5 aperture, it provides a focused 57° field of view, making it ideal for targeted surveillance, facial recognition, and applications requiring closer detail than standard wide-angle lenses. Distinguished by its ultra-compact design with a Total Track Length (TTL) of only 11.22mm, this lens ensures superior 5MP image sharpness and low distortion while fitting seamlessly into slim housings.
Perfectly compatible with the SONY IMX274 and other 1/2.5" sensors.
Key Features & Benefits
High-Definition 5MP Resolution:Delivers crisp, high-resolution imaging capable of resolving fine details, ensuring clarity for identification and inspection tasks.
Focused 57° Field of View:Provides a narrower, more natural viewing angle (57°) compared to wide-angle lenses. This reduces the "fish-eye" effect and concentrates pixel density on the subject, perfect for portrait-style imaging or monitoring specific areas.
Ultra-Compact Profile (TTL 11.22mm):Features an exceptionally short optical track length of just 11.22mm. This low-profile design is a critical advantage for ultra-thin devices, portable cameras, and embedded systems where internal space is at a premium.
Low Distortion (<-1.5%):Advanced optical optimization keeps distortion below 1.5%, maintaining straight-line accuracy and realistic subject proportions, which is essential for biometrics and machine vision.
Perfect Sensor Match:Engineered specifically for 1/2.5" sensors, ensuring optimal light coverage and resolution consistency from the center to the edge of the image circle.
Precise Object Targeting:The longer focal length allows for better subject isolation and detail capture at moderate distances, suitable for reading text or identifying faces.
Applications
Facial Recognition & Biometrics
Video Conferencing (Webcams)
Portable/Body-Worn Cameras
Slim IoT Devices & Smart Home Sensors
Targeted Security Monitoring (Corridors, Entryways)
Industrial Inspection (Detail View)
Robotics (Object Tracking)
Specification
Parameter | Specification |
PN | JSD4008 |
Mount Type | M12 (S-Mount) * P0.5 |
Focal Length | 7.15mm |
Aperture | F2.5 |
Field of View (FOV) | 57° (Diagonal, for 1/2.5" Sensor) |
Resolution | True 5MP |
Compatible Sensor | 1/2.5"(e.g.Sony AR0521) |
Image Circle | Φ6.8mm |
TTL (Total Track Length) | 11.22mm |
Back Focal Length | Contact for details |
Why Choose JSD Optoelectronics?
Shenzhen JSD Optoelectronics is a leading manufacturer of custom optical lenses, specializing in high-precision solutions since 2009. We offer:
1).ISO 9001 & IATF 16949 Certified Quality
2).Rapid Prototyping (15-day custom sample turnaround)
3).End-to-End Support from design to mass production
4).300+ Standard Designs for immediate sampling
drawing
