Intelligent Driving
Optical lenses are essential in Intelligent Driving systems as they are key to the vehicle's ability to see and understand its surroundings. These systems use cameras, sensors, and artificial intelligence to make decisions and control the vehicle. High-quality optical lenses provide clear images, ensuring the system works accurately, reliably, and safely. Their quality directly affects the system's performance in different driving conditions.
Applications of Optical Lenses in Intelligent Driving:
. Front-Facing Camera: Used for lane detection, traffic sign recognition, and forward obstacle detection.
. Surround-View Camera: Provides a 360° panoramic view for parking assistance and low-speed navigation.
. Driver Monitoring Camera: Detects driver status, such as fatigue and distraction.
. Rearview Camera: Used for reversing assistance and rear obstacle detection.
. Side-View Camera: Monitors blind spots and assists with lane changing.


Description
our latest 8MP fisheye lens is designed for the IMX577 sensor. With an impressive 185 degree field of view and a fast F1.8 aperture, this lens is perfect for capturing high-quality surveillance footage with exceptional clarity and detail.
Application
l Sport Camera
l Robotic vision
l Surveillance camera
Specification
|
|
| |
Model | JSD1918 | |
Image sensor | 1/2.3”IMX577 | |
Image Circle | 6.8mm | |
Resolution | 12MP | |
Focal Length | 1.9mm | |
Aperture | F/1.8 | |
TTL | 9.84mm | |
FOV | DFOV 195 HFOV 195 VFOV 158 | |
CRA | 12.9% | |
Mount | M12 | |

Product Overview
This high-performance M12 mount fixed focal lens is expertly engineered for 1/1.8-inch sensors, delivering exceptional clarity and low distortion for wide-angle imaging applications. With a 2.9mm focal length and F1.6 aperture, it provides an ultra-wide 178° field of view, making it ideal for panoramic surveillance, expansive environment monitoring, and broad-area scene capture. Featuring True 8MP resolution and manual focus for precise imaging control, this lens ensures superior image sharpness and low distortion across diverse lighting conditions.
Key Features & Benefits
True 8MP Resolution: Delivers crisp, high-definition 4K UHD imaging with exceptional detail retention, ensuring clarity even in complex scenes.
Manual Focus Control: Precise manual adjustment enables accurate focal tuning to match specific object distances, optimizing sharpness for critical applications.
Perfect Sensor Match: Engineered specifically for 1/1.8" sensors (e.g., ONSemi OS08A20), featuring a compatible image circle that eliminates vignetting and fully utilizes sensor capabilities.
Ultra-Wide 178° FOV: Provides an extremely expansive field of view ideal for hemispheric surveillance, panoramic environment monitoring, and maximum coverage applications with minimal blind spots.
Low Distortion Design: Advanced optical optimization significantly reduces distortion across the entire ultra-wide field, maintaining geometric accuracy and true-to-life representations even at extreme angles.
Compact & Robust Build: Standard M12*P0.5 thread and optimized TTL design ensure seamless integration into space-constrained devices while maintaining exceptional durability.
Versatile Application Performance: Suited for panoramic surveillance, wide-area security, environmental monitoring, and immersive machine vision tasks requiring maximum field coverage.
Technical Specifications
Parameter | Specification |
PN | JSD2916 |
Mount Type | M12 (S-Mount) * P0.5 |
Focal Length | 8mm |
Aperture | F1.6 |
Field of View (FOV) | 178° (Diagonal, for 1/1.8" Sensor) |
Resolution | True 8MP |
Compatible Sensor | 1/1.8" (e.g., ONSemi OS08A20, Sony IMX334,IMX678) |
Image Circle | Φ9.2mm |
TTL (Total Track Length) | 27.5mm |
Back Focal Length | Contact for details |
Applications
Ultra-Wide Area Surveillance: Comprehensive coverage for open-space monitoring, large environment observation, and expansive area security.
Perimeter Protection Systems: Wide-angle monitoring for facility boundaries, property line coverage, and broad threat detection.
Environmental Monitoring: Full-scene capture for situational awareness, large-area event observation, and panoramic scene analysis.
Intelligent Transportation Systems (ITS): Intersection monitoring, traffic flow analysis, and wide-road vehicle detection.
Drone & Aerial Imaging: Broad field-of-view capture for aerial reconnaissance, wide-area mapping, and large-scale scene documentation.
Smart City Applications: Cityscape monitoring, public space surveillance, and infrastructure observation from elevated positions.
Intrusion Detection Systems: Maximum coverage for perimeter security, boundary monitoring, and unauthorized activity detection across wide areas.
Why Choose JSD Optoelectronics?
Shenzhen JSD Optoelectronics is a leading manufacturer of custom optical lenses, specializing in high-precision solutions since 2009. We offer:
1).ISO 9001 & IATF 16949 Certified Quality
2).Rapid Prototyping (15-day custom sample turnaround)
3).End-to-End Support from design to mass production
4).300+ Standard Designs for immediate sampling
drawing


Description
The JSD7524 is a medium-focal-length fixed-focus lens with a compact structure and a total track length (TTL) of 19.82 mm, compatible with 1/2.7-inch and 1/2.8-inch image sensors. It offers a horizontal field of view (HFOV) of 41°, which provides a relatively narrow perspective, making it more suitable for observing local details at medium to long distances. The lens exhibits excellent distortion control (Dis: 0.78% / < -0.67%), ensuring exceptional geometric fidelity in images and accurate reproduction of the subject's shape. This makes it highly suitable for scenarios requiring precise measurement. Equipped with a standard M12 threaded interface, it offers strong compatibility and facilitates easy installation and integration with various industrial cameras.
Application
Industrial Inspection and Machine Vision: Used for dimensional measurement of precision parts, surface defect inspection, positioning, and other links with extremely high requirements for image authenticity.
Security and Surveillance: Suitable for monitoring long and narrow areas such as corridors and exits, or for medium- to long-distance license plate and facial recognition (with corresponding focal lengths).
Intelligent Transportation Systems (ITS): Integrated into road surveillance systems to capture details such as lane conditions and vehicle characteristics.
Document Scanning and High-Precision Imaging: Used in scanners or other equipment requiring low distortion and high fidelity.
Specification
Model | JSD7524 |
Image sensor | 1/2.7" 1/2.8" |
Image Circle | 6.8mm |
Resolution | 5MP |
Focal Length | 7.5mm |
Aperture | F2.4 |
Distortion | <0.78% <0.67% |
FOV | DFOV 48° HFOV 42° VFOV 24° |


Description
The compact wide angle M12 lens is suitable for 1/3” 8mp sensor, short TTL 15mm.
Also suitable for IMX335 sensor
Applications
l Security/Surveillance
l Body Cam
l Computer Vision/Robotics
Specification
|
| |
Model | JSD0125 | |
Image sensor | 1/3” | |
Image Circle | 6.8mm | |
Resolution | 8MP | |
Focal Length | 2.05mm | |
Aperture | F2.4 | |
TTL | 15mm | |
FOV | DFOV 140° HFOV 124° VFOV 76° | |
Distortion | 12% | |

Description
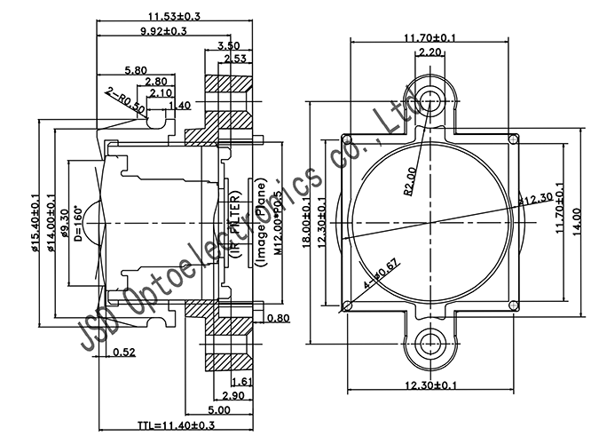
The JSD3023 has HFOV 126 degree on 1/2.7” sensor, 6.7mm support up to 1/3” image sensor.
Low F# F1.8 enable this lens achieve good performance in low light situation, all glass and aluminium exterior make thermal stability
Application
l DVR
l Mobile Robotics
l Security & Surveillance
Specification
|
| |
Model | JSD3023 | |
Image sensor | 1/2.7” | |
Image Circle | 6.7mm | |
Resolution | 5MP | |
Focal Length | 2.9mm | |
Aperture | F1.8 | |
TTL | 16.2mm | |
FOV | DFOV 154° HFOV 126° VFOV 64° | |
Mount | M12 | |


Description
The JSD3135 has image circle 7.2mm support up to 1/3’ sensor, HFOV on 1/2.8” sensor all glass and aluminium exterior make thermal stability
Application
l DVR
l Mobile Robotics
l Security & Surveillance
Specification
|
| |
Model | JSD3135 | |
Image sensor | 1/2.8” | |
Image Circle | 7.2mm | |
Resolution | 5MP | |
Focal Length | 3mm | |
Aperture | F2.2 | |
TTL | 16.71mm | |
FOV | DFOV 138° HFOV 114° VFOV 60° | |
Mount | M12 | |


Description
The 2.8mm wide angle lens is designed for CAR DVR, with HFOV 125 degree on 1/2.7” image sensor. All glass and metal exterior make it support operating temperature -20℃ to 85℃
Widely use in DVR, sports camera system
Application
l Sports & Action Camera
l Surveillance & Security Camera
l Car DVR
Specification
|
| |
Model | JSD2528 | |
Image sensor | 1/2.7” CMOS | |
Image Circle | 7.5mm | |
Resolution | 5MP | |
Focal Length | 2.8mm | |
Aperture | F/2.8 | |
TTL | 22.8mm | |
FOV | DFOV 150° HFOV 125° VFOV70° | |
IR cut | 650nm available | |


Description
The JSD2420 is an ultra-wide-angle fixed-focus lens with a compact structure and a total track length (TTL) of 15.4 mm. It features a large F2.0 aperture, delivering excellent low-light imaging capability to ensure bright and clear image capture even in dim environments. With an expansive horizontal field of view (HFOV) of 134°, it covers extremely wide scenes. However, this design results in noticeable barrel distortion (Distortion < -22%), which is common in ultra-wide-angle lenses and requires correction via software algorithms. The lens is compatible with 1/2.8-inch image sensors and supports both M18 and M12 threaded interfaces, offering flexible installation options
Application
Security & Surveillance: Used in elevators, warehouses, lobbies, and other scenarios requiring single-lens ultra-wide-area coverage, as well as panoramic cameras.
Smart Home & IoT Devices: e.g., ultra-wide-angle smart doorbells, household panoramic cameras.
Automotive Imaging Systems: Serving as dash cams or blind spot monitoring cameras, providing a broad field of view.
Industrial Inspection & Machine Vision: Suitable for inspection scenarios demanding a wide field of view.
Special Equipment & Consumer Electronics: Such as mobile device external lenses requiring ultra-wide perspectives
Specification
Model | JSD2410 |
Image sensor | 1/2.8" |
Image Circle | 6.7mm |
Resolution | 8MP |
Focal Length | 2.4mm |
Aperture | F2.0 |
Distortion | <22% |
FOV | DFOV 160° HFOV 134° VFOV 74° |


Description
The JSD2636 is a high-performance wide-angle lens with a focal length of 1.8mm, delivering an ultra-wide 123° horizontal field of view (HFOV), making it highly suitable for applications requiring broad scene coverage. It supports a 1/2.5-inch sensor and offers 8MP high resolution, capturing detailed and clear images. The F2.8 aperture design enhances light intake in low-light environments, while its minimal distortion of only 4% effectively maintains image authenticity and reduces edge deformation. With an optical total length (TTL) of 24.5mm and an image circle of 7mm, it ensures excellent compatibility with compact modules
Specification
|
| |
Model | JSD2636 | |
Image sensor | 1/2.5” IMX577 | |
Image Circle | 7mm | |
Resolution | 8MP | |
Focal Length | 1.8mm | |
Aperture | F2.8 | |
TTL | 24.5mm | |
FOV | DFOV 132 HFOV 123° VFOV 80° | |
Distortion | -4% | |


Description
The JSD2112 is a high-performance ultra-wide-angle fixed-focus lens with a compact structure and a total track length (TTL) of 17.41 mm. It features an exceptionally large F1.2 aperture, delivering outstanding low-light imaging capability to ensure bright and clear image capture even in dimly lit environments, along with excellent background blur (bokeh) effects. The lens offers two horizontal field of view (HFOV) options—150° and 144.8°—enabling coverage of extremely wide scenes. This design is characteristic of fisheye or ultra-wide-angle lenses, which typically exhibit noticeable barrel distortion that can be corrected through post-processing software algorithms
. It is compatible with both 1/2.7-inch and 1/2.8-inch image sensors.
Application
Security & Surveillance: Used in elevators, warehouses, lobbies, and other scenarios requiring single-lens large-area coverage, as well as panoramic cameras.
Smart Home & IoT Devices: e.g., ultra-wide-angle smart doorbells, household panoramic cameras.
Automotive Imaging Systems: Serving as dash cams or blind spot monitoring cameras, providing a broad field of view.
Industrial Inspection & Machine Vision: Suitable for inspection scenarios requiring a wide field of view.
Special Equipment & Consumer Electronics: Such as drone-assisted vision, action cameras, and mobile device external lenses requiring ultra-wide perspectives.
Specification
Model | JSD2112 |
Image sensor | 1/2.7" 1/2.8" |
Image Circle | / |
Resolution | 5MP |
Focal Length | 2.16mm |
Aperture | F1.2 |
Distortion | <-3.17% |
FOV | DFOV 181° HFOV 150° VFOV 84° DFOV 172° HFOV 144° VFOV 82° |

Description
The industrial lens model JSD2120 is a wide-angle fixed-focus lens. Its core feature is a large 122.2° horizontal field of view (HFOV), which provides broad coverage and makes it highly suitable for monitoring large areas within confined spaces. It employs an F2.0 large aperture design, ensuring good light intake and image brightness even in low-light environments. The lens has an effective focal length (EFL) of 1.88mm and utilizes a hybrid optical structure comprising 2 glass elements and 4 plastic elements (2G4P). This design helps achieve the required optical performance while maintaining cost control. As a wide-angle lens, its distortion is kept within a reasonable range (<-11.02%), typically manifested as barrel distortion, which can be effectively corrected using algorithms in practical applications. This lens is primarily aimed at embedded vision applications that require a large field of view and are cost-sensitive.
Application
Security Monitoring: Its wide field of view is particularly suitable for indoor scenarios requiring coverage of large areas, such as offices, warehouses, and retail stores. A single device can achieve extensive surveillance.Industrial Inspection: On production lines, it can be used for the overview inspection of large-sized products or components, performing tasks such as appearance overview, presence detection, or process monitoring—for example, checking the overall placement or general distribution of products
Smart Terminal and IoT Devices: The compact optical design and wide viewing angle make it an ideal choice for devices like smart home doorbells and video conference cameras, enabling an extremely wide shooting angle within a small form factor
Specification
Model | JSD2120 |
Image sensor | 1/2.9" |
Image Circle | 6.3mm |
Resolution | 5MP |
Focal Length | 1.88mm |
Aperture | F2.0 |
Distortion | <-11.02% |
FOV | DFOV 136° HFOV 122.2° VFOV 78.6° |


Description
The JSD1535 is an ultra-wide-angle fixed-focus lens with a focal length of approximately 1.69mm and a large F2.5 aperture, ensuring excellent light transmission in low-light environments and maintaining optimal image brightness. It features a wide horizontal field of view (HFOV) ranging from 126° to 116°, enabling the capture of exceptionally broad scenes. With an optical total length (TTL) of merely 11.52mm, the lens boasts an extremely compact design and incorporates a standard M12 interface for easy integration and installation. It supports a 1/2.9-inch image sensor and controls optical distortion within -23.95%, a common characteristic for ultra-wide-angle lenses, making it suitable for applications where a wide field of view takes precedence over absolute precision
Application
Security and Surveillance (e.g., Panoramic Fisheye Monitoring)
Automotive 360° Surround-View System
Aerial Photography (Drone Photography)
Visual Capture Module for Immersive Experience Devices
Specification
Model | JSD1535 |
Image sensor | 1/2.7”1/2.9" |
Image Circle | 6.7mm |
Resolution | 2MP |
Focal Length | 2.8mm |
Aperture | F2.5 |
Distortion | -31.6% -23.95% |
FOV | DFOV 160° HFOV 126° VFOV 67° |

Description
The 2.3mm wide angle lens is designed for automotive application, with HFOV 140 degree on 1/2.7” image sensor. All glass and metal exterior make it support operating temperature from -20℃ to 85℃. Also suitable for IMX335 sensor
Application
l Sports & Action Camera
l ADAS
l Car DVR
Specification
|
| |
Model | JSD2157 | |
Image sensor | 1/2.7” | |
Image Circle | 6.7mm | |
Resolution | 5MP | |
Focal Length | 2.35mm | |
Aperture | F2.0 | |
TTL | 22mm | |
FOV | DFOV 168° HFOV 140° VFOV80° | |
IR cut | 650nm,850nm ir filter available | |


Description
The JSD1526 is an ultra-compact wide-angle fixed-focus lens with a total track length (TTL) of only 11.4 mm, making it compatible with 1/2.7-inch image sensors. It features a large F2.7 aperture, delivering solid low-light imaging capability to ensure sufficiently bright image capture even in dim environments. With a horizontal field of view (HFOV) of 125°, it covers extensive scenes, though noticeable barrel distortion (Distortion < -14%)—common in wide-angle designs—requires correction via software algorithms. The lens is equipped with a standard M12 threaded interface for easy installation and integration.
Application
Smart Home Devices: e.g., wide-angle smart doorbells, and visual navigation systems for robotic vacuum cleaners.
Drones and Robotics: Visual modules for obstacle avoidance, navigation, and environmental perception.
Security and Surveillance: As components for compact panoramic monitoring or fisheye lenses
Industrial Inspection: Suitable for machine vision positioning scenarios requiring a wide field of view
Specification
Model | JSD1526 |
Image sensor | 1/2.7" |
Image Circle | 6.7mm |
Resolution | 2MP |
Focal Length | 2.6mm |
Aperture | F2.7 |
Distortion | <-14% |
FOV | DFOV 160° HFOV 125° VFOV 67° |


Description
The JSD1525 is a 2.8mm M8 wide angle lens designed for security IP camera, small size TTL is 11.4mm. Has HFOV 124° on 1/2.7” sensor, M8 and M12 thread available.
Application
l Car rearview
l Video doorbell
l Indoor Wi-Fi Cameras
Specification
|
| |
Model | JS1525 | |
Image sensor | 1/2.7” | |
Image Circle | 6.7mm | |
Resolution | 3MP | |
Focal Length | 2.8mm | |
Aperture | F2.6 | |
TTL | 11.4mm | |
FOV | DFOV 156° HFOV 124° VFOV 67° | |
Mount | M8 and M12 option | |


Description
The JSD6068 is a image circle 6.7mm wide angle lens for automotive, all glass and metal exterior can support operating temperature from -20℃ to 80℃.
Specification
|
| |
Model | JSD6068 | |
Image sensor | 1/2.7” | |
Image Circle | 6.7mm | |
Resolution | 3MP | |
Focal Length | 3.13mm | |
Aperture | F2.6 | |
TTL | 20.68mm | |
FOV | DFOV 147° HFOV 120° VFOV 63° | |
IR cut | 650nm | |


Description
The JSD3021 is a high-performance ultra-wide-angle fixed-focus lens with a compact structure and a total track length (TTL) of 15.21 mm. It features a large F2.0 aperture, delivering excellent low-light imaging capability to ensure bright and clear image capture even in dim environments. The lens offers two horizontal field of view (HFOV) options—120° and 104°—enabling extensive scene coverage. However, as commonly seen in ultra-wide-angle designs, it exhibits noticeable barrel distortion (Distortion < -19.36% / < -14.48%), which can be corrected via software algorithms. It is compatible with both 1/2.7-inch and 1/2.8-inch image sensors and is equipped with a standard M12 threaded interface for easy installation and integration
Application
Security & Surveillance: Used in elevators, warehouses, lobbies, and other scenarios requiring single-lens large-area coverage, as well as panoramic cameras
Smart Home & IoT Devices: e.g., ultra-wide-angle smart doorbells, household panoramic cameras
Automotive Imaging Systems: Serving as dash cams or blind spot monitoring cameras, providing a broad field of view
Industrial Inspection & Machine Vision: Suitable for inspection scenarios demanding a wide field of view
Consumer Electronics: Integrated into mobile devices or external lenses requiring visual functionality.
Specification
Model | JSD3021 |
Image sensor | 1/2.7" 1/2.8" |
Image Circle | 6.6mm |
Resolution | 5MP |
Focal Length | 2.9mm |
Aperture | F2.0 |
Distortion | <-19.36% <-14.48% |
FOV | DFOV 146° HFOV 120° VFOV 64° DFOV 123° HFOV 104° VFOV 56° |


Description
The JSD1922 is an ultra-compact wide-angle fixed-focus lens with a total track length (TTL) of only 13.54 mm, making it compatible with 1/2.7-inch image sensors
. It features a large F2.2 aperture, delivering excellent low-light imaging capability to ensure bright and clear image capture even in dim environments
. With an expansive horizontal field of view (HFOV) of 158°, it covers extremely wide scenes, making it suitable for panoramic monitoring applications
Application
Security & Surveillance: Used in elevators, warehouses, lobbies, and other scenarios requiring single-lens ultra-wide-area coverage for panoramic monitoring.
Smart Home Devices: e.g., ultra-wide-angle smart doorbells, household panoramic cameras.
Automotive Imaging Systems: Serving as dash cams or blind spot monitoring cameras, providing a broad field of view.
Industrial Inspection & Machine Vision: Suitable for inspection scenarios demanding a wide field of view.
Consumer Electronics: Integrated into IoT devices requiring visual functionality.
Specification
Model | JSD1922 |
Image sensor | 1/2.7" |
Image Circle | 6.6mm |
Resolution | 5MP |
Focal Length | 1.9mm |
Aperture | F2.2 |
Distortion | <8.86% |
FOV | DFOV 180° HFOV 158° VFOV 93° |


Description
The JSD1006 is a compact fixed-focus lens with a total track length (TTL) of only 13.29 mm, making it compatible with 1/2.8-inch image sensors. It features a fixed F4.0 aperture design, ensuring stable light intake. With a horizontal field of view (HFOV) of 26°, the lens offers a relatively narrow perspective, making it more suitable for observing mid-to-long-distance details. Its exceptional optical performance is demonstrated by extremely low distortion (< 0.2%), ensuring high geometric fidelity in images and making it highly suitable for precise visual measurement applications. The lens is equipped with a standard M12 threaded interface for easy installation and integration
Application
Industrial Inspection and Machine Vision: Used for dimensional measurement of precision parts, surface defect inspection, positioning, etc.
Security and Surveillance: Suitable for monitoring points requiring clear identification of mid-to-long-distance details, such as license plate recognition and facial recognition (at specific focal lengths).
Intelligent Transportation Systems (ITS): Integrated into traffic flow monitoring or violation capture devices to capture clear images.
Document Scanning and Digitization: Used in high-precision scanners to ensure distortion-free document reproduction.
Other Measuring Instruments: Integrated into inspection equipment requiring compact vision systems and high precision.
Specification
Model | JSD1006 |
Image sensor | 1/2.8" |
Image Circle | 6.7mm |
Resolution | 2MP |
Focal Length | 10.9mm |
Aperture | F4.0 |
Distortion | <0.2% |
FOV | DFOV 32° HFOV 26° VFOV 18° |


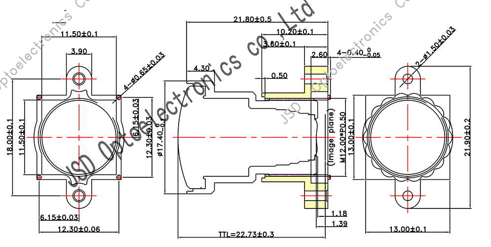
Description
The JSD6630 is a high-performance ultra-wide-angle fixed-focus lens with an optical total length (TTL) of 22.73 mm, compatible with both 1/2.55-inch and 1/2.8-inch image sensors. It features a large F2.6 aperture, delivering excellent low-light imaging capability to ensure bright and clear image capture even in dim environments. The lens offers two horizontal field of view (HFOV) options: 125° and 110°, enabling coverage of expansive scenes. However, as commonly seen in ultra-wide-angle designs, it exhibits noticeable distortion (Distortion < -17% / < -13.6%), which can be effectively corrected via software algorithms.
Application
Security & Surveillance: Used for panoramic monitoring, and scenarios requiring large-area coverage such as elevators and lobbies
Smart Home & IoT Devices: e.g., wide-angle smart doorbells, household panoramic cameras, and visual modules for various smart hardware
Industrial Inspection & Machine Vision: Suitable for inspection scenarios demanding a wide field of view
Automotive Imaging Systems: Served as dash cams or blind spot monitoring probes
Mobile Devices & Drones: Integrated into space-constrained consumer electronics or aerial photography equipment requiring wide-angle capabilities
Specification
Model | JSD6630 |
Image sensor | 1/2.55" 1/2.8" |
Image Circle | 7.2mm |
Resolution | 12MP |
Focal Length | 2.76mm |
Aperture | F2.6 |
Distortion | <-17% <-13.6% |
FOV | DFOV 165° HFOV 125° VFOV 92° |


Description
The JSD1102 is a fixed-focus lens specifically designed for high-precision imaging requirements. With a compact structure and a total track length (TTL) of 16.5 mm, it is compatible with a 1/2.5-inch image sensor. The lens features a small aperture of F11.08, which provides an extremely large depth of field, ensuring clear imaging of both near and distant objects. This makes it particularly suitable for scenarios demanding high depth of field. Its 28° horizontal field of view (HFOV) offers a narrower perspective, resulting in higher spatial resolution and facilitating the observation of distant details. The lens exhibits minimal distortion (<0.4%), ensuring high geometric fidelity of images and reducing the need for post-processing correction. It is equipped with an M8 threaded interface for easy installation and integration
Application
Industrial Inspection and Machine Vision: Used for dimensional measurement of precision parts, surface defect inspection, positioning, etc.
Security and Surveillance: Suitable for scenarios requiring long-distance detailed identification, such as license plate recognition (LPR) and facial recognition (at specific focal lengths).
Measurement and Surveying Systems: Integrated into various measuring instruments for high-precision non-contact measurement.
Intelligent Transportation Systems (ITS): Used for capturing clear images in traffic flow monitoring and violation capture.
Specification
Model | JSD1102 |
Image sensor | 1/2.5" |
Image Circle | 7.6mm |
Resolution | 5MP |
Focal Length | 11.08mm |
Aperture | F3.1 |
Distortion | <0.4% |
FOV | DFOV 36° HFOV 28° VFOV 22° |


Product Overview
This high-performance M12 mount fixed focal lens is expertly engineered for 1/1.8-inch sensors, delivering exceptional clarity and immersive fisheye perspective for advanced imaging applications. With a 3.8mm focal length and F1.5 aperture, it provides an ultra-wide 146° field of view, making it ideal for panoramic surveillance, full-room monitoring, and 360° scene capture. Featuring True 8MP resolution and manual focus for precise imaging control, this fisheye lens ensures superior image sharpness and maximum peripheral visibility across diverse lighting conditions.
Key Features & Benefits
Enhanced Low-Light Performance: Exceptional F1.5 aperture gathers more light, delivering superior image quality in low-light conditions and enhancing visibility in challenging environments.
Compact & Robust Build: Standard M12*P0.5 thread and optimized TTL design ensure seamless integration into space-constrained devices while maintaining exceptional durability.
Manual Focus Control: Precise manual adjustment enables accurate focal tuning to match specific object distances, optimizing sharpness for critical applications.
Perfect Sensor Match: Engineered specifically for 1/1.8" sensors (e.g., ONSemi OS08A20), featuring a compatible image circle that eliminates vignetting and fully utilizes sensor capabilities.
Ultra-Wide 146° FOV: Provides an exceptionally wide fisheye field of view ideal for panoramic surveillance, broad environmental monitoring, and maximized area coverage with minimal blind spots.
True 8MP Resolution: Delivers crisp, high-definition 4K UHD imaging with exceptional detail retention, ensuring clarity even in complex scenes.
Versatile Fisheye Applications: Suited for expansive area monitoring, security surveillance, immersive machine vision, and 360° scene analysis requiring maximum field coverage.
Technical Specifications
Parameter | Specification |
PN | JSD1537 |
Mount Type | M12 (S-Mount) * P0.5 |
Focal Length | 3.8mm |
Aperture | F1.5 |
Field of View (FOV) | 146° (Diagonal, for 1/1.8" Sensor) |
Resolution | True 8MP |
Compatible Sensor | 1/1.8" (e.g., ONSemi OS08A20, Sony IMX334,IMX678) |
Image Circle | Φ9.2mm |
TTL (Total Track Length) | 24.4mm |
Back Focal Length | Contact for details |
Applications
Ultra-Fisheye Wide-Angle Surveillance: Exceptional 146° FOV coverage for complete 360° environment immersion, extreme corner-to-corner visibility, and maximized scene capture with true fisheye perspective.
Crowd Dynamics Analysis: Superior tracking of large group movements, mass gathering analysis, and ultra-high-density area surveillance with minimal occlusion.
Comprehensive Traffic Monitoring: Ultra-wide vehicle tracking across multiple lanes, complete intersection coverage, and panoramic traffic pattern observation with single-lens solution.
Perimeter Security Enhancement: Holistic site boundary coverage, extensive fence line monitoring, and maximized security perimeter protection with 360° visibility.
Facility Wide-Area Management: Complete interior monitoring, extra-large room coverage, and broad open area security assessment with seamless corner-to-corner visibility.
Environmental Panoramic Assessment: Maximum panoramic scene capture, wide landscape monitoring, and enhanced field situational awareness for comprehensive analysis.
Intrusion Detection System Optimization: Enhanced peripheral vision with maximum radial coverage, extended boundary monitoring, and broadened threat detection across all angles.
Immersive Machine Vision: Complete scene acquisition for panoramic inspection, full-field measurement, and 360° defect detection capabilities.
Why Choose JSD Optoelectronics?
Shenzhen JSD Optoelectronics is a leading manufacturer of custom optical lenses, specializing in high-precision solutions since 2009. We offer:
1).ISO 9001 & IATF 16949 Certified Quality
2).Rapid Prototyping (15-day custom sample turnaround)
3).End-to-End Support from design to mass production
4).300+ Standard Designs for immediate sampling
drawing


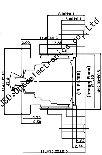
Product Overview
This high-performance M12 mount fixed focal lens is expertly engineered for 1/1.8-inch sensors, delivering exceptional clarity and precision for demanding imaging applications. With a 9mm focal length and F3.0 aperture, it provides an optimal 41° field of view, making it ideal for mid-range surveillance, license plate recognition, and machine vision tasks. Featuring True 8MP resolution and a manual iris for precise light control, this lens ensures superior image quality in diverse lighting conditions.
Key Features & Benefits
True 8MP Resolution: Captures sharp, detailed 4K UHD imagery, ensuring every detail is visible.
Manual Iris Control (F3.0): Adjustable aperture allows optimal light management for consistent performance in varying lighting environments.
Perfect Sensor Match: Designed specifically for 1/1.8" sensors (e.g., ONSemi OS08A20), with a 9mm image circle to eliminate vignetting and maximize sensor potential.
Compact & Robust Design: Standard M12*P0.5 thread and compact TTL 13.22mm design enable easy integration into space-constrained devices.
Wide Application Support: The 41° FOV is ideal for LPR, facial recognition, mid-range monitoring, and industrial inspection.
Technical Specifications
Parameter | Specification |
PN | JSD9060 |
Mount Type | M12 (S-Mount) * P0.5 |
Focal Length | 9mm |
Aperture | F3.0 (Manual Iris) |
Field of View (FOV) | 41° (Diagonal, for 1/1.8" Sensor) |
Resolution | True 8MP |
Compatible Sensor | 1/1.8" (e.g., ONSemi OS08A20, Sony IMX334) |
Image Circle | Φ9mm |
TTL (Total Track Length) | 13.22mm |
Back Focal Length | Contact for details |
Applications
Security & Surveillance: High-resolution monitoring, LPR/ANPR systems.
Intelligent Traffic Systems (ITS): Violation detection, vehicle identification.
Machine Vision: Quality control, measurement, barcode reading.
Facial Recognition Devices: Access control, smart terminals.
HD Video Conferencing: Professional imaging systems.
Why Choose JSD Optoelectronics?
Shenzhen JSD Optoelectronics is a leading manufacturer of custom optical lenses, specializing in high-precision solutions since 2009. We offer:
1).ISO 9001 & IATF 16949 Certified Quality
2).Rapid Prototyping (15-day custom sample turnaround)
3).End-to-End Support from design to mass production
4).300+ Standard Designs for immediate sampling


Product Overview
This ultra-compact M7 mount fixed focal lens (PN: JSD1120) is expertly engineered for miniature 1/5-inch sensors, delivering expansive coverage and reliable clarity for space-constrained imaging applications. With an extremely short 1.1mm focal length and a bright F2.0 aperture, it provides a massive 164° field of view, making it ideal for immersive visual systems, medical devices, and compact monitoring tools. Featuring 2MP resolution and a tiny form factor, this lens ensures superior scene capture capabilities where standard lenses cannot fit.
Key Features & Benefits
2MP HD Resolution:Designed to support 2 Megapixel sensors, offering sharp image definition and detail suitable for miniature cameras and endoscopic applications.
Ultra-Wide 164° FOV:Provides a massive 164-degree field of view, allowing for panoramic scene capture and immersive imaging with a single lens.
Miniature M7 Mount:Features a specialized, small-format M7 thread with a Total Track Length (TTL) of just 10mm, specifically designed for ultra-compact devices and embedded systems.
Perfect Sensor Match:Engineered specifically for 1/5" sensors, ensuring the 164° view is fully projected onto the sensor with a compatible image circle.
Bright F2.0 Aperture:The wide aperture allows for excellent light intake, ensuring clear performance even in challenging or low-light environments.
Controlled Optical Design:With distortion controlled at <-17.58%, the lens balances an extreme wide-angle perspective with image usability, typical for fisheye-style micro lenses.
Wide Application Versatility:Perfectly suited for miniature electronics, medical imaging, and industrial inspection tasks requiring maximum coverage in minimum space.
Applications
Medical Endoscopes & Boroscopes
Miniature Surveillance Cameras
Wearable Body Cameras
Drone FPV (First Person View) Systems
IoT Sensors & Smart Home Devices
Industrial Inspection (Pipe/Tube cameras)
Automotive Interior Monitoring
Specification
Parameter | Specification |
PN | JSD1120 |
Mount Type | M7 (S-Mount) * P0.35 |
Focal Length | 1.1mm |
Aperture | F2.0 |
Field of View (FOV) | 164° (Diagonal, for 1/5" Sensor) |
Resolution | True 2MP |
Compatible Sensor | 1/5"(e.g.GC02M2) |
Image Circle | Φ3.7mm |
TTL (Total Track Length) | 10mm |
Back Focal Length | Contact for details |
Why Choose JSD Optoelectronics?
Shenzhen JSD Optoelectronics is a leading manufacturer of custom optical lenses, specializing in high-precision solutions since 2009. We offer:
1).ISO 9001 & IATF 16949 Certified Quality
2).Rapid Prototyping (15-day custom sample turnaround)
3).End-to-End Support from design to mass production
4).300+ Standard Designs for immediate sampling
drawing


Product Overview
This ultra-wide M12 mount fisheye lens is expertly engineered for 1/4-inch sensors, delivering immersive panoramic imaging for advanced visual applications. With an extremely short 0.94mm focal length and a bright F2.0 aperture, it provides a massive 195° field of view, making it the perfect solution for 360° surveillance, virtual reality (VR) capture, and automotive safety systems. Featuring 2MP resolution and a compact form factor, this lens ensures comprehensive area coverage with a single camera, significantly reducing the number of devices needed for blind-spot monitoring.
Key Features & Benefits
Extreme 195° Ultra-Wide FOV:Offers a Super-Wide hemispherical field of view that exceeds standard limits, allowing for complete panoramic scene capture and elimination of blind spots.
High-Definition 2MP Resolution:Delivers sharp and clear video quality suitable for security monitoring, video doorbells, and situational awareness systems.
Bright F2.0 Aperture:Ensures excellent light intake, providing clear visibility in varying lighting environments, from indoor spaces to outdoor night monitoring.
Optimized Sensor Match:Designed specifically for 1/4" image sensors to maximize the image circle usage without dark corners in the active area.
Controlled Optical Distortion:With distortion controlled at <-14.9%, this lens is optimized for use with de-warping software and wide-angle algorithms to produce usable panoramic imagery.
Compact & Durable Architecture:Features a standard M12*P0.5 thread and a Total Track Length (TTL) of 13.96mm, allowing for easy integration into compact housings and discreet security devices.
Applications
360° Panoramic Surveillance
Virtual Reality (VR) & AR Content Creation
Automotive Surround View & Reversing Cameras
Smart Video Doorbells
Robotics & Obstacle Avoidance
Sports Action Cameras
Pipe & Pipeline Inspection
Specification
Parameter | Specification |
PN | JSD1921 |
Mount Type | M12 (S-Mount) * P0.5 |
Focal Length | 0.94mm |
Aperture | F2.0 |
Field of View (FOV) | 195° (Diagonal, for 1/4" Sensor) |
Resolution | True 2MP |
Compatible Sensor | 1/4" |
Image Circle | Φ3.7mm |
TTL (Total Track Length) | 13.96mm |
Back Focal Length | Contact for details |
Why Choose JSD Optoelectronics?
Shenzhen JSD Optoelectronics is a leading manufacturer of custom optical lenses, specializing in high-precision solutions since 2009. We offer:
1).ISO 9001 & IATF 16949 Certified Quality
2).Rapid Prototyping (15-day custom sample turnaround)
3).End-to-End Support from design to mass production
4).300+ Standard Designs for immediate sampling
drawing


Product Overview
This specialized M12 mount fisheye lens (PN: JSD8016) is expertly engineered for 1/3-inch image sensors, delivering immersive panoramic imaging with extreme coverage. With an ultra-short 1.43mm focal length and F2.0 aperture, it provides a massive 200° field of view, exceeding the standard hemispherical limit to eliminate blind spots effectively. Featuring 5MP resolution support, this lens is the ideal solution for 360° surveillance, VR content creation, and robotic navigation, ensuring sharp image capture and comprehensive scene awareness.
Key Features & Benefits
Extreme 200° Ultra-Wide FOV:Delivers a super-wide fisheye perspective with a 200° field of view, allowing for complete panoramic surveillance (ceiling mount) or immersive 360° video capture with zero blind spots.
5MP High-Definition Resolution:Optimized to support 5 Megapixel sensors, providing high-clarity imaging essential for distinguishing details in wide-angle scenes.
Perfect Sensor Match:Designed specifically for 1/3" image formats, featuring an image circle tailored to fully utilize the sensor area without unexpected cropping.
Bright F2.0 Aperture:The F2.0 aperture ensures efficient light intake, maintaining image brightness and quality even in variable lighting environments.
Compact Fisheye Design:With a Total Track Length (TTL) of just 14.5mm and standard M12 thread, this lens offers a compact profile suitable for small form-factor devices like VR cameras and drones.
Controlled Optical Performance:Engineered with characteristic fisheye distortion (<-22%) typical for this focal length, optimized to maximize field coverage for software de-warping or raw hemispherical viewing.
Applications
360° Panoramic Surveillance (Ceiling/Wall Mount)
Virtual Reality (VR) & Augmented Reality (AR) Cameras
Immersive Video Conferencing
Robotics & SLAM (Simultaneous Localization and Mapping)
Automotive Surround View Systems
Drone & Aerial 360° Imaging
Smart Home Security
Specification
Parameter | Specification |
PN | JSD8016 |
Mount Type | M12 (S-Mount) * P0.5 |
Focal Length | 1.43mm |
Aperture | F2.0 |
Field of View (FOV) | 200° (Diagonal, for 1/3" Sensor) |
Resolution | True 5MP |
Compatible Sensor | 1/3"(e.g.OS04C10) |
Image Circle | Φ3.6mm |
TTL (Total Track Length) | 14.5mm |
Back Focal Length | Contact for details |
Why Choose JSD Optoelectronics?
Shenzhen JSD Optoelectronics is a leading manufacturer of custom optical lenses, specializing in high-precision solutions since 2009. We offer:
1).ISO 9001 & IATF 16949 Certified Quality
2).Rapid Prototyping (15-day custom sample turnaround)
3).End-to-End Support from design to mass production
4).300+ Standard Designs for immediate sampling
drawing


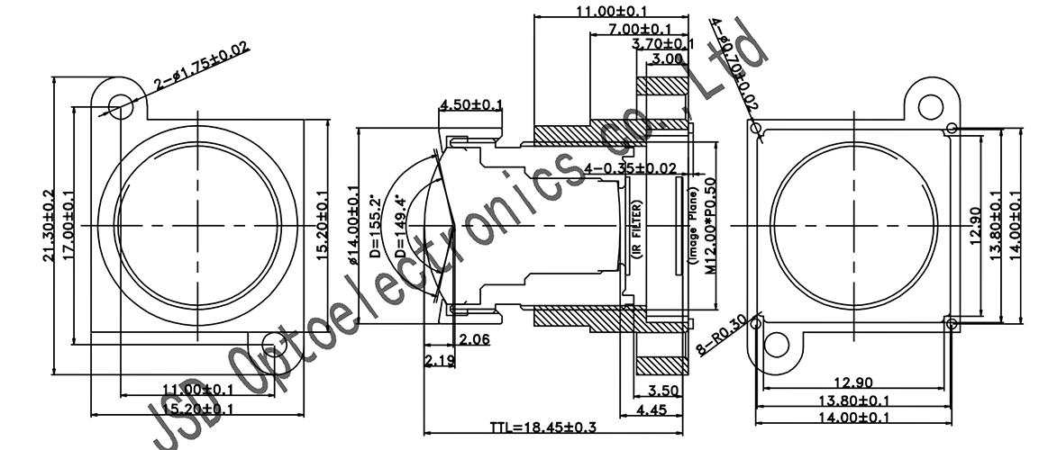
Product Overview
This wide-angle M12 mount fixed focal lens is expertly engineered for 1/2.8-inch sensors, delivering expansive scene coverage and reliable performance for broad imaging applications. With a short 2.6mm focal length and a bright F2.0 aperture, it provides a super-wide 149° field of view, making it ideal for panoramic surveillance, automotive imaging, and immersive scene capture. Featuring 5MP high resolution, this lens ensures excellent image clarity and detail retention across diverse lighting conditions.
Key Features & Benefits
5MP High-Definition Resolution:Delivers sharp, clear imaging with excellent detail, supporting up to 5 Megapixel sensors for reliable visual data in security and monitoring tasks.
Super-Wide 149° FOV:Provides a massive 149-degree field of view, allowing for panoramic capture and eliminating blind spots in corner-mounted or wide-area applications.
Bright F2.0 Aperture:The large aperture allows for superior light intake, ensuring bright and clear images even in low-light environments or challenging lighting scenarios.
Perfect Sensor Match:Engineered specifically for 1/2.8" sensors, featuring a precise image circle that maximizes sensor area usage without dark corners.
Compact & Robust Build:Standard M12 thread and a Total Track Length (TTL) of 18.45mm ensure easy integration into compact devices, housings, and camera modules.
Wide Application Versatility:Specifically designed for scenarios requiring maximum coverage from a single camera, such as automotive view systems and panoramic security.
Applications
Panoramic Surveillance
Automotive Cameras (Rear/Surround View)
Video Doorbells & Intercoms
VR/AR & 360° Imaging
Sports & Action Cameras
Robot Navigation (SLAM)
Conference Room Cameras
Specification
Parameter | Specification |
PN | JSD2620 |
Mount Type | M12 (S-Mount) * P0.5 |
Focal Length | 2.6mm |
Aperture | F2.0 |
Field of View (FOV) | 149° (Diagonal, for 1/2.8" Sensor) |
Resolution | True 5MP |
Compatible Sensor | 1/2.8" |
Image Circle | Φ6.9mm |
TTL (Total Track Length) | 18.45mm |
Back Focal Length | Contact for details |
Why Choose JSD Optoelectronics?
Shenzhen JSD Optoelectronics is a leading manufacturer of custom optical lenses, specializing in high-precision solutions since 2009. We offer:
1).ISO 9001 & IATF 16949 Certified Quality
2).Rapid Prototyping (15-day custom sample turnaround)
3).End-to-End Support from design to mass production
4).300+ Standard Designs for immediate sampling
drawing


Product Overview
This precision-engineered M12 mount fixed focal lens (Model: JSD5038) is designed specifically for 1/2.8-inch sensors, offering optical excellence where geometric accuracy is paramount. With a 6mm focal length and F2.4 aperture, it delivers a focused 56° field of view, providing a natural perspective similar to the human eye. Featuring 2MP resolution and an ultra-low distortion design (<-0.5%), this lens is the ideal solution for machine vision, text recognition, and biometric applications where straight lines must remain straight and image fidelity is critical.
Key Features & Benefits
2MP High Definition:Provides clear and reliable HD imaging, ensuring sufficient resolution for object identification, barcode scanning, and standard security feeds.
Ultra-Low Distortion (<-0.5%):Boasts superior optical correction with virtually zero distortion. This ensures that straight lines remain perfectly straight, eliminating the "barrel" effect and making it perfect for measurement and OCR (Optical Character Recognition) tasks.
Standard 56° FOV:Offers a narrower, more focused field of view compared to wide-angle lenses. This increases the pixel density on the target object, enhancing detail for facial recognition or license plate capture at medium distances.
Perfect Sensor Match:Optimized for 1/2.8" sensors, ensuring a perfectly aligned image circle that delivers consistent sharpness from the center to the edges without vignetting.
Manual Focus Control:The standard M12 mount allows for precise manual focus tuning, enabling users to optimize sharpness for specific working distances in embedded systems.
Compact & Robust Design:With a standard M12*P0.5 thread and a compact TTL of 14mm, this lens is easily integrated into handheld devices, industrial cameras, and space-constrained housings.
Applications
Facial Recognition & Biometrics
Industrial Inspection & Automation
Document Scanning & OCR
QR Code & Barcode Readers
License Plate Recognition (LPR) for Parking
Video Conferencing (Personal view)
Medical Imaging Devices
Specification
Parameter | Specification |
PN | JSD5038 |
Mount Type | M12 (S-Mount) * P0.5 |
Focal Length | 6mm |
Aperture | F2.4 |
Field of View (FOV) | 56° (Diagonal, for 1/2.8" Sensor) |
Resolution | True 2MP |
Compatible Sensor | 1/2.8"(e.g.IMX307) |
Image Circle | Φ7mm |
TTL (Total Track Length) | 14mm |
Back Focal Length | Contact for details |
Why Choose JSD Optoelectronics?
Shenzhen JSD Optoelectronics is a leading manufacturer of custom optical lenses, specializing in high-precision solutions since 2009. We offer:
1).ISO 9001 & IATF 16949 Certified Quality
2).Rapid Prototyping (15-day custom sample turnaround)
3).End-to-End Support from design to mass production
4).300+ Standard Designs for immediate sampling
drawing


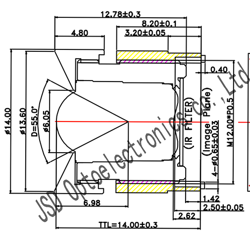
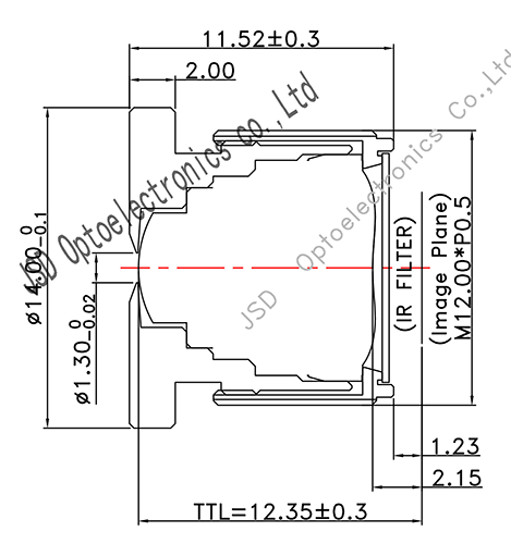
Product Overview
This high-precision M12 mount fixed focal lens (Model: JSD9070) is expertly engineered for 1/2.8-inch sensors, delivering uncompromising geometric accuracy for specialized imaging applications. With a 9.04mm focal length and an F7.0 aperture, it provides a focused 40° field of view with an extended depth of field. Distinguished by its ultra-low distortion (< -0.38%), this lens is virtually distortion-free, making it the perfect solution for Optical Character Recognition (OCR), document scanning, and industrial measurement tasks where straight lines and dimensional precision are paramount. Featuring 8MP resolution, it ensures exceptional sharpness across the entire image circle.
Key Features & Benefits
True 8MP Resolution:Delivers sharp, high-definition imaging with excellent detail retention, essential for reading fine text or capturing minute details in inspection tasks.
Ultra-Low Distortion (< -0.38%):Features superior optical correction that virtually eliminates barrel distortion. This "Zero Distortion" performance ensures that straight lines remain perfectly straight, which is critical for measurement and scanning applications.
Extended Depth of Field:The F7.0 aperture design provides a deep depth of field, ensuring that objects at varying distances remain in focus simultaneously, ideal for scanners and document capture.
Targeted 40° FOV:The 9.04mm focal length offers a standard 40° field of view, providing a closer, more detailed look at the subject compared to wide-angle lenses, suitable for focusing on specific targets.
Perfect Sensor Match:Engineered specifically for 1/2.8" sensors, ensuring full coverage of the image sensor with uniform edge-to-edge clarity.
Compact & Low Profile:With a Total Track Length (TTL) of just 12.35mm, this lens is exceptionally compact, allowing for integration into slim handheld devices, scanners, and industrial probes.
Applications
Optical Character Recognition (OCR)
Document & Passport Scanning
Barcode & QR Code Reading
Industrial Metrology & Measurement
Machine Vision Inspection
Biometric Identification
Medical Imaging Devices
Specification
Parameter | Specification |
PN | JSD9070 |
Mount Type | M12 (S-Mount) * P0.5 |
Focal Length | 9.04mm |
Aperture | F7.0 |
Field of View (FOV) | 40° (Diagonal, for 1/2.8" Sensor) |
Resolution | True 8MP |
Compatible Sensor | 1/2.8" |
Image Circle | Φ8.0mm |
TTL (Total Track Length) | 12.35mm |
Back Focal Length | Contact for details |
Why Choose JSD Optoelectronics?
Shenzhen JSD Optoelectronics is a leading manufacturer of custom optical lenses, specializing in high-precision solutions since 2009. We offer:
1).ISO 9001 & IATF 16949 Certified Quality
2).Rapid Prototyping (15-day custom sample turnaround)
3).End-to-End Support from design to mass production
4).300+ Standard Designs for immediate sampling
drawing


Product Overview
This compact M8 mount fixed focal lens (PN: JSD2422) is expertly engineered for 1/2.8-inch sensors, designed to deliver maximum scene coverage for space-constrained imaging applications. With a short 2.4mm focal length and F2.2 aperture, it provides a massive 171° field of view, making it ideal for panoramic surveillance, wearable cameras, and compact IoT devices. Featuring reliable 2MP resolution and a miniature form factor, this lens captures clear, broad-area imagery, effectively eliminating blind spots in complex environments.
Key Features & Benefits
High-Definition 2MP Resolution:Optimized for standard HD sensors, delivering clear and reliable 1080P imaging suitable for security, video conferencing, and general-purpose video applications.
Super-Wide 171° FOV:Provides an extreme 171° diagonal field of view (Fisheye effect), allowing a single camera to cover an entire room or wide exterior area with virtually no blind spots.
Miniature M8 Mount Design:Features a standard M8*P0.5 thread, specifically designed for compact devices where space is at a premium, such as drones, mini-cameras, and biometric modules.
Perfect Sensor Match:Engineered specifically for 1/2.8" sensors, featuring an image circle tailored to fully utilize the sensor area without unexpected black corners.
Compact & Lightweight:With a Total Track Length (TTL) of just 12.65mm, this lens is exceptionally compact, ensuring seamless integration into small housings.
Bright F2.2 Aperture:The F2.2 aperture strikes a balance between light intake and depth of field, ensuring clear images in varying lighting conditions.
Immersive Panoramic Capture:While featuring typical wide-angle barrel distortion (<-26%), the optical design prioritizes maximizing the viewing angle for superior situational awareness.
Applications
Miniature Security Cameras
Wearable Body Cameras
Drones (FPV & Aerial Imaging)
Video Doorbells & Smart Intercoms
Biometric & Face Recognition Modules
IoT & Smart Home Devices
Automotive Interior Monitoring
Specification
Parameter | Specification |
PN | JSD2422 |
Mount Type | M12 (S-Mount) * P0.5 |
Focal Length | 2.4mm |
Aperture | F2.2 |
Field of View (FOV) | 171° (Diagonal, for 1/2.8" Sensor) |
Resolution | True 2MP |
Compatible Sensor | 1/2.8" |
Image Circle | Φ6.7mm |
TTL (Total Track Length) | 12.65mm |
Back Focal Length | Contact for details |
Why Choose JSD Optoelectronics?
Shenzhen JSD Optoelectronics is a leading manufacturer of custom optical lenses, specializing in high-precision solutions since 2009. We offer:
1).ISO 9001 & IATF 16949 Certified Quality
2).Rapid Prototyping (15-day custom sample turnaround)
3).End-to-End Support from design to mass production
4).300+ Standard Designs for immediate sampling
drawing


Product Overview
This precision-engineered M12 mount fixed focal lens (PN: JSD8020) is expertly designed for 1/2.5-inch sensors, delivering superior clarity and geometric accuracy for targeted imaging applications. With an 8mm focal length and a bright F2.0 aperture, it provides a focused 48° field of view, making it ideal for long-distance surveillance, license plate recognition (LPR), and detailed industrial inspection. Featuring 5MP high resolution and an ultra-low distortion rate of less than 0.54%, this lens ensures true-to-life image representation and exceptional sharpness, even in challenging lighting conditions.
Key Features & Benefits
5MP High-Definition Resolution:Delivers crisp, high-quality imaging optimized for 5 Megapixel sensors, ensuring distinct detail retention crucial for identifying faces or reading text at a distance.
Ultra-Low Distortion (<0.54%):Advanced optical design virtually eliminates barrel distortion (<0.54%), maintaining straight-line accuracy and true spatial representation, which is critical for measurement and recognition tasks.
Focused 48° Field of View:Provides a standard, natural viewing angle that minimizes perspective distortion, making it perfect for monitoring specific targets, hallways, or checkpoints rather than broad areas.
Bright F2.0 Aperture:The large aperture allows for excellent light intake, ensuring superior performance in low-light environments and maintaining fast shutter speeds for moving objects.
Perfect Sensor Match:Engineered specifically for 1/2.5" sensors, utilizing the full image circle to eliminate vignetting and maximize the sensor's potential.
Robust & Precise Build:Features a standard M12*P0.5 thread and a Total Track Length (TTL) of 21.8mm, offering a durable and stable optical alignment for industrial and security devices.
Applications
License Plate Recognition (LPR/ANPR)
Facial Recognition & Biometrics
Checkpoint & Corridor Surveillance
Industrial Defect Inspection
Video Conferencing (Telepresence)
Scanner & OCR Devices
Object Tracking Systems
Specification
Parameter | Specification |
PN | JSD8020 |
Mount Type | M12 (S-Mount) * P0.5 |
Focal Length | 8mm |
Aperture | F2.0 |
Field of View (FOV) | 48° (Diagonal, for 1/2.5" Sensor) |
Resolution | True 5MP |
Compatible Sensor | 1/2.5" |
Image Circle | Φ8mm |
TTL (Total Track Length) | 21.8mm |
Back Focal Length | Contact for details |
Why Choose JSD Optoelectronics?
Shenzhen JSD Optoelectronics is a leading manufacturer of custom optical lenses, specializing in high-precision solutions since 2009. We offer:
1).ISO 9001 & IATF 16949 Certified Quality
2).Rapid Prototyping (15-day custom sample turnaround)
3).End-to-End Support from design to mass production
4).300+ Standard Designs for immediate sampling
drawing


Product Overview
This wide-angle M12 mount lens (Model: JSD2529) is expertly engineered for 1/2.5-inch sensors, designed to deliver high-definition imaging with expansive scene coverage. With a short 2.6mm focal length and a bright F2.0 aperture, it provides an impressive 162° ultra-wide field of view, making it an excellent choice for panoramic security, automotive viewing, and immersive vision systems. Featuring 5MP resolution support, this lens ensures sharp, detailed image capture across the entire image circle, optimized for applications requiring maximum visibility with a compact form factor.
Key Features & Benefits
High-Definition 5MP Resolution:Delivers crisp, clear imaging capable of resolving fine details, ensuring superior performance in HD security and machine vision systems.
Ultra-Wide 162° FOV:Provides a massive field of view (Diagonal 162°), allowing a single camera to capture panoramic scenes and significantly reducing blind spots in monitoring applications.
Optimized for 1/2.5" Sensors:Specifically designed with a 1/2.5" image circle to perfectly match compatible sensors, eliminating dark corners and maximizing sensor utilization.
Bright F2.0 Aperture:The large aperture ensures excellent light intake, providing clear and bright images even in challenging low-light environments.
Compact M12 Design:Features a standard M12 thread with a Total Track Length (TTL) of 22.29mm, ensuring easy integration into compact devices and housing units.
Wide-Angle Optical Performance:With distortion controlled at <-32%, this lens achieves an extreme wide-angle perspective (Fisheye effect), ideal for seeing the "bigger picture" in confined or large spaces.
Applications
Panoramic Surveillance Systems
Automotive Rear/Surround View Cameras
Video Doorbells & Smart Home Security
VR/AR & 360° Imaging
Sports Action Cameras
Robotics & Obstacle Avoidance
Specification
Parameter | Specification |
PN | JSD2529 |
Mount Type | M12 (S-Mount) * P0.5 |
Focal Length | 2.6mm |
Aperture | F2.0 |
Field of View (FOV) | 162° (Diagonal, for 1/2.5" Sensor) |
Resolution | True 5MP |
Compatible Sensor | 1/2.5"(e.g.Sony AR0521) |
Image Circle | Φ7.2mm |
TTL (Total Track Length) | 22.29mm |
Back Focal Length | Contact for details |
Why Choose JSD Optoelectronics?
Shenzhen JSD Optoelectronics is a leading manufacturer of custom optical lenses, specializing in high-precision solutions since 2009. We offer:
1).ISO 9001 & IATF 16949 Certified Quality
2).Rapid Prototyping (15-day custom sample turnaround)
3).End-to-End Support from design to mass production
4).300+ Standard Designs for immediate sampling
drawing


Product Overview
The JSD4008 is a specialized M12 S-Mount fixed focal lens, expertly engineered for 1/2.5-inch image sensors to deliver high-clarity imaging in space-constrained devices. With a 7.15mm focal length and F2.5 aperture, it provides a focused 57° field of view, making it ideal for targeted surveillance, facial recognition, and applications requiring closer detail than standard wide-angle lenses. Distinguished by its ultra-compact design with a Total Track Length (TTL) of only 11.22mm, this lens ensures superior 5MP image sharpness and low distortion while fitting seamlessly into slim housings.
Key Features & Benefits
High-Definition 5MP Resolution:Delivers crisp, high-resolution imaging capable of resolving fine details, ensuring clarity for identification and inspection tasks.
Focused 57° Field of View:Provides a narrower, more natural viewing angle (57°) compared to wide-angle lenses. This reduces the "fish-eye" effect and concentrates pixel density on the subject, perfect for portrait-style imaging or monitoring specific areas.
Ultra-Compact Profile (TTL 11.22mm):Features an exceptionally short optical track length of just 11.22mm. This low-profile design is a critical advantage for ultra-thin devices, portable cameras, and embedded systems where internal space is at a premium.
Low Distortion (<-1.5%):Advanced optical optimization keeps distortion below 1.5%, maintaining straight-line accuracy and realistic subject proportions, which is essential for biometrics and machine vision.
Perfect Sensor Match:Engineered specifically for 1/2.5" sensors, ensuring optimal light coverage and resolution consistency from the center to the edge of the image circle.
Precise Object Targeting:The longer focal length allows for better subject isolation and detail capture at moderate distances, suitable for reading text or identifying faces.
Applications
Facial Recognition & Biometrics
Video Conferencing (Webcams)
Portable/Body-Worn Cameras
Slim IoT Devices & Smart Home Sensors
Targeted Security Monitoring (Corridors, Entryways)
Industrial Inspection (Detail View)
Robotics (Object Tracking)
Specification
Parameter | Specification |
PN | JSD4008 |
Mount Type | M12 (S-Mount) * P0.5 |
Focal Length | 7.15mm |
Aperture | F2.5 |
Field of View (FOV) | 57° (Diagonal, for 1/2.5" Sensor) |
Resolution | True 5MP |
Compatible Sensor | 1/2.5"(e.g.Sony AR0521) |
Image Circle | Φ6.8mm |
TTL (Total Track Length) | 11.22mm |
Back Focal Length | Contact for details |
Why Choose JSD Optoelectronics?
Shenzhen JSD Optoelectronics is a leading manufacturer of custom optical lenses, specializing in high-precision solutions since 2009. We offer:
1).ISO 9001 & IATF 16949 Certified Quality
2).Rapid Prototyping (15-day custom sample turnaround)
3).End-to-End Support from design to mass production
4).300+ Standard Designs for immediate sampling
drawing


Product Overview
This precision-engineered M12 mount fixed focal lens (PN: JSD4009) is designed specifically for 1/2.5-inch sensors, delivering superior image fidelity and geometric accuracy. With a 6.21mm effective focal length (EFL) and F3.0 aperture, it provides a focused 60° field of view, making it an excellent choice for applications requiring natural perspective and high detail without the fisheye effect. Boasting 5MP high resolution and an ultra-low distortion rate of less than 0.56%, this lens ensures true-to-life image representation and sharp clarity, housed within a compact optical design.
Key Features & Benefits
High 5MP Resolution:Optimized to support 5 Megapixel sensors, delivering crisp, high-definition imaging with excellent edge-to-edge sharpness for detailed analysis.
Ultra-Low Distortion (<0.56%):Features an advanced optical design with less than 0.56% distortion, ensuring perfectly straight lines and accurate spatial representation, critical for measurement and scanning tasks.
Optimized for 1/2.5" Sensors:Perfectly matched image circle ensures full sensor coverage for 1/2.5" formats, eliminating vignetting and maximizing pixel utilization.
Standard 60° Field of View:Provides a natural, non-distorted viewing angle ideal for biometrics, facial recognition, and object inspection, avoiding the deformation common in wide-angle lenses.
Compact & Precise Mechanical Design:With a standard M12 thread and a Total Track Length (TTL) of just 10.7mm, it integrates seamlessly into compact housings and portable devices.
Fixed Focal Precision:The 6.21mm focal length offers a specific magnification suitable for mid-range working distances, ensuring consistent focusing performance.
Applications
Facial Recognition & Biometrics
Document Scanning & OCR (Optical Character Recognition)
Industrial Inspection & Metrology
Video Conferencing & Webcams
Handheld Diagnostic Devices
Access Control Systems
Specification
Parameter | Specification |
PN | JSD4009 |
Mount Type | M12 (S-Mount) * P0.5 |
Focal Length | 6.21mm |
Aperture | F3.0 |
Field of View (FOV) | 60° (Diagonal, for 1/2.5" Sensor) |
Resolution | True 5MP |
Compatible Sensor | 1/2.5"(e.g.Sony AR0521) |
Image Circle | Φ7.4mm |
TTL (Total Track Length) | 10.7mm |
Back Focal Length | Contact for details |
Why Choose JSD Optoelectronics?
Shenzhen JSD Optoelectronics is a leading manufacturer of custom optical lenses, specializing in high-precision solutions since 2009. We offer:
1).ISO 9001 & IATF 16949 Certified Quality
2).Rapid Prototyping (15-day custom sample turnaround)
3).End-to-End Support from design to mass production
4).300+ Standard Designs for immediate sampling
drawing


Product Overview
This wide-angle M12 mount fixed focal lens (PN: JSD2520) is expertly engineered for 1/2.5-inch sensors, delivering immersive imaging with extensive coverage. With a short 2.5mm focal length and a bright F2.0 aperture, it provides a super-wide 156° field of view, making it ideal for panoramic surveillance, automotive vision, and VR applications. Featuring 5MP resolution, this lens captures sharp details across the entire image circle, ensuring reliable performance even in low-light environments thanks to its fast aperture.
Key Features & Benefits
5MP High Definition:Delivers clear, high-resolution imaging compatible with 5 Megapixel sensors, ensuring sharpness and detail retention for critical video analysis.
Super-Wide 156° FOV:Provides a massive field of view, allowing a single camera to cover entire rooms or broad outdoor areas, significantly reducing the need for multiple cameras and eliminating blind spots.
Bright F2.0 Aperture:The large F2.0 aperture allows more light to reach the sensor, providing superior image quality in low-light conditions and night-time monitoring.
Optimized for 1/2.5" Sensors:Engineered specifically for 1/2.5" image formats, ensuring full sensor coverage with a specialized optical design.
Broad Area Coverage:With distortion at <-16.64%, this lens offers a classic wide-angle perspective (fisheye effect), prioritizing maximum scene information and peripheral vision over linear geometry.
Compact Integration:Featuring a standard M12*P0.5 thread and a Total Track Length (TTL) of 17.51mm, it is designed for seamless integration into security domes, action cameras, and compact devices.
Applications
Panoramic Surveillance (180°/360° Cameras)
Automotive Rear View & ADAS
Action Cameras & Wearables
Virtual Reality (VR) Content Creation
Video Doorbells
Robotics & Drone Navigation
Conference Room Cameras
Specification
Parameter | Specification |
PN | JSD2520 |
Mount Type | M12 (S-Mount) * P0.5 |
Focal Length | 2.5mm |
Aperture | F2.0 |
Field of View (FOV) | 156° (Diagonal, for 1/2.5" Sensor) |
Resolution | True 5MP |
Compatible Sensor | 1/2.5"(e.g.PS5520) |
Image Circle | Φ7.4mm |
TTL (Total Track Length) | 17.51mm |
Back Focal Length | Contact for details |
Why Choose JSD Optoelectronics?
Shenzhen JSD Optoelectronics is a leading manufacturer of custom optical lenses, specializing in high-precision solutions since 2009. We offer:
1).ISO 9001 & IATF 16949 Certified Quality
2).Rapid Prototyping (15-day custom sample turnaround)
3).End-to-End Support from design to mass production
4).300+ Standard Designs for immediate sampling
drawing
